Datasheet MIN1072M MinE-CAP (Power Integrations) - 2
| 制造商 | Power Integrations |
| 描述 | Bulk Capacitor Miniaturization and Inrush Management IC for Very High Power Density AC/DC Converters |
| 页数 / 页 | 14 / 2 — MinE-CAP. VTOP. VBOT. BP REGULATOR. LINE INTERFACE. DIGITAL. CONTROLLER. … |
| 文件格式/大小 | PDF / 1.4 Mb |
| 文件语言 | 英语 |
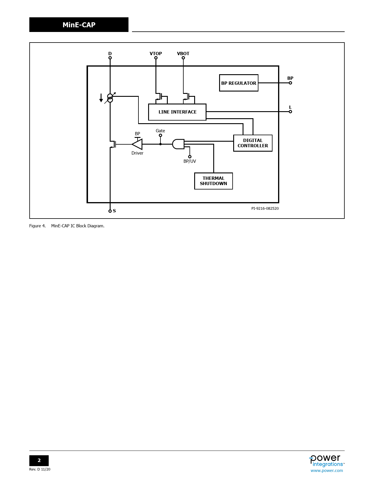
MinE-CAP. VTOP. VBOT. BP REGULATOR. LINE INTERFACE. DIGITAL. CONTROLLER. THERMAL. SHUTDOWN

该数据表的模型线
文件文字版本
MinE-CAP D VTOP VBOT BP BP REGULATOR L LINE INTERFACE
Gate BP
DIGITAL CONTROLLER
Driver BP/UV
THERMAL SHUTDOWN S
PI-9216-082520 Figure 4. MinE-CAP IC Block Diagram.
2
Rev. D 11/20 www.power.com