数据表
更多
Only-Datasheet.com
关于我们
合作
广告
联络人
en - English
ru - Русский
de - Deutsch
es - Espanol
搜索
数据表
Datasheet AP4405AEN (Asahi Kasei …
Datasheet AP4405AEN (Asahi Kasei Microdevices) - 3
制造商
Asahi Kasei Microdevices
描述
Ultra-Low Power Voltage Detector with P and N-Channel MOSFET Switch
页数 / 页
19
/
3
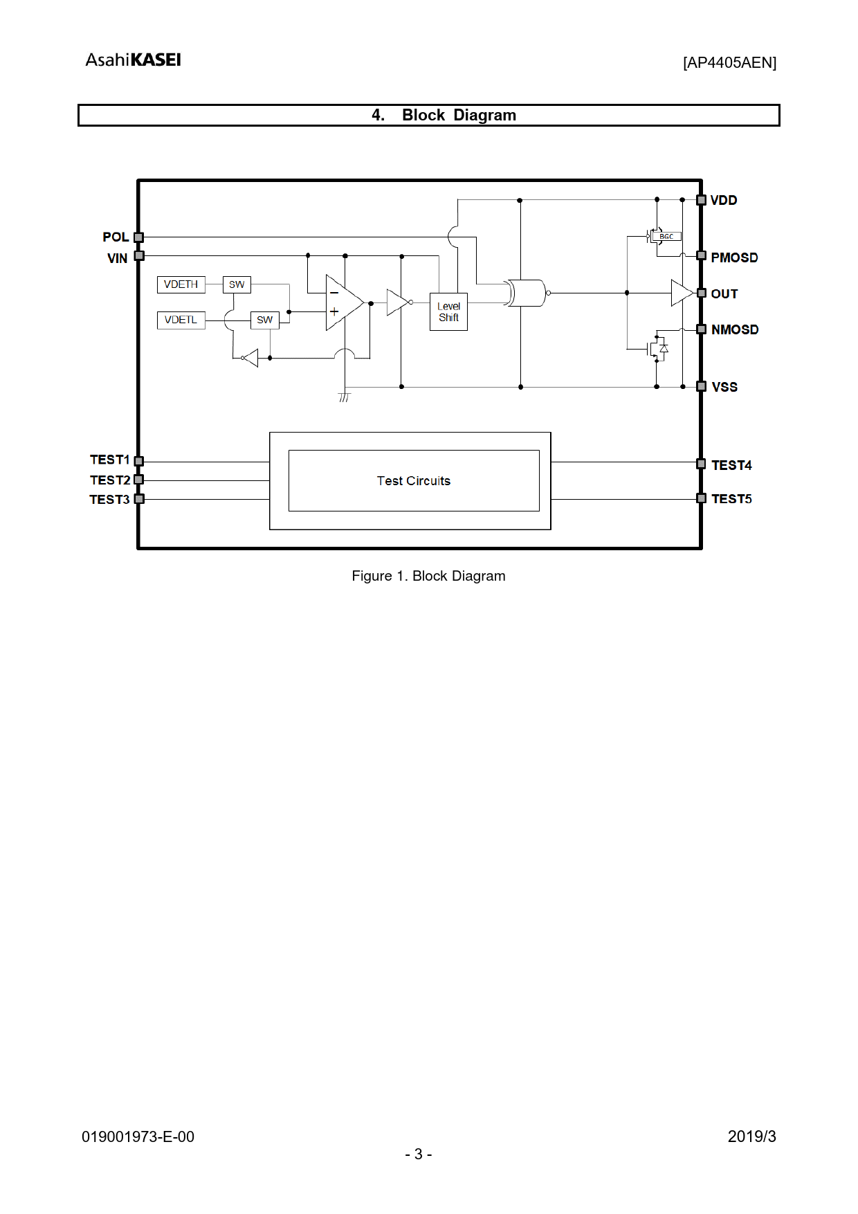
— 4. Block Diagram
文件格式/大小
PDF
/
972 Kb
文件语言
英语
4. Block Diagram
1
2
3
4
5
...
10
下载 PDF
1
2
3
4
5
...
10
该数据表的模型线
AP4405AEN
文件文字版本
[AP4405AEN]
4. Block Diagram
Figure 1. Block Diagram 019001973-E-00 2019/3 - 3 -
联络人
隐私政策
更改隐私设置