Datasheet CMP04 (Analog Devices) - 7
| 制造商 | Analog Devices |
| 描述 | Quad Low Power, Precision Comparator |
| 页数 / 页 | 8 / 7 — CMP04. 3.0k. 10k. 15k. 200k. 10M. 0 t. 1/4. VC1. VO3. 51k. t0 t2. 0.001. … |
| 修订版 | E |
| 文件格式/大小 | PDF / 219 Kb |
| 文件语言 | 英语 |
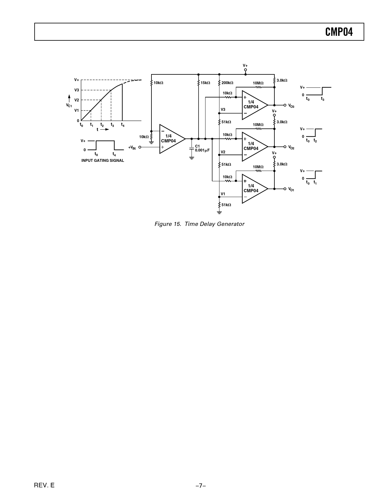
CMP04. 3.0k. 10k. 15k. 200k. 10M. 0 t. 1/4. VC1. VO3. 51k. t0 t2. 0.001. INPUT GATING SIGNAL. 0 t0 t1. VO1

该数据表的模型线
文件文字版本
CMP04 V+ V+ 3.0k
⍀
10k
⍀
15k
⍀
200k
⍀
10M
⍀
V+ V3 10k
⍀
0 t V2 0 t3 1/4 VC1 CMP04 VO3 V3 V1 V+ 0 51k
⍀
3.0k
⍀
t t 10M 0 t 1 t2 t3 4
⍀
V+ 10k
⍀
10k
⍀
1/4 0 V+ CMP04 t0 t2 1/4 +V C1 V IN O2 0 CMP04 0.001
F t V2 V+ 0 t4 INPUT GATING SIGNAL 51k
⍀
3.0k
⍀
10M
⍀
V+ 10k
⍀
0 t0 t1 1/4 CMP04 VO1 V1 51k
⍀ Figure 15. Time Delay Generator REV. E –7– Document Outline FEATURES GENERAL DESCRIPTION PIN CONNECTIONS TYPICAL INTERFACE SPECIFICATIONS ABSOLUTE MAXIMUM RATINGS ELECTRICAL CHARACTERISTICS Typical Performance Characteristics TYPICAL APPLICATIONS OUTLINE DIMENSIONS ORDERING GUIDE Revision History