Datasheet AD8362 (Analog Devices) - 9

制造商Analog Devices
描述50 Hz to 3.8 GHz 65d dB TruPwr Detector
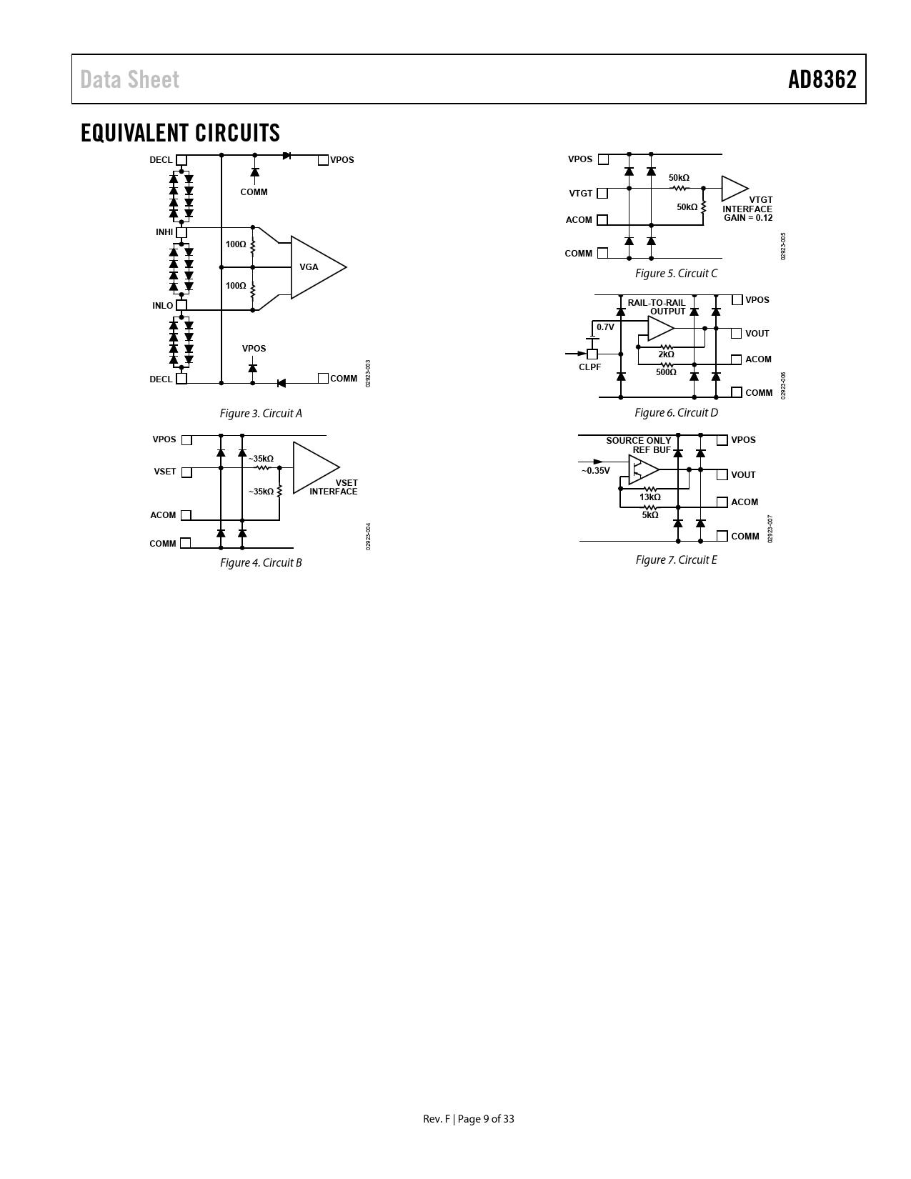
页数 / 页33 / 9 — Data Sheet. AD8362. EQUIVALENT CIRCUITS. DECL. VPOS. 50kΩ. COMM. VTGT. …
修订版F
文件格式/大小PDF / 1.0 Mb
文件语言英语

Data Sheet. AD8362. EQUIVALENT CIRCUITS. DECL. VPOS. 50kΩ. COMM. VTGT. INTERFACE. ACOM. GAIN = 0.12. INHI. 100Ω. VGA. INLO. RAIL-TO-RAIL. OUTPUT. 0.7V

Data Sheet AD8362 EQUIVALENT CIRCUITS DECL VPOS 50kΩ COMM VTGT INTERFACE ACOM GAIN = 0.12 INHI 100Ω VGA INLO RAIL-TO-RAIL OUTPUT 0.7V

该数据表的模型线

文件文字版本

Data Sheet AD8362 EQUIVALENT CIRCUITS DECL VPOS VPOS 50kΩ COMM VTGT VTGT 50kΩ INTERFACE ACOM GAIN = 0.12 INHI 100Ω
005
COMM
02923-
VGA
Figure 5. Circuit C
100Ω VPOS INLO RAIL-TO-RAIL OUTPUT 0.7V VOUT VPOS 2kΩ ACOM
003
CLPF 500Ω DECL COMM
006 02923-
COMM
02923- Figure 3. Circuit A Figure 6. Circuit D
VPOS SOURCE ONLY VPOS REF BUF ~35kΩ VSET ~0.35V VOUT VSET ~35kΩ INTERFACE 13kΩ ACOM ACOM 5kΩ
007 004
COMM COMM
02923- 02923- Figure 4. Circuit B Figure 7. Circuit E Rev. F | Page 9 of 33 Document Outline FEATURES APPLICATIONS FUNCTIONAL BLOCK DIAGRAM GENERAL DESCRIPTION TABLE OF CONTENTS REVISION HISTORY SPECIFICATIONS ABSOLUTE MAXIMUM RATINGS ESD CAUTION PIN CONFIGURATION AND FUNCTION DESCRIPTIONS EQUIVALENT CIRCUITS TYPICAL PERFORMANCE CHARACTERISTICS CHARACTERIZATION SETUP EQUIPMENT ANALYSIS CIRCUIT DESCRIPTION SQUARE LAW DETECTION VOLTAGE vs. POWER CALIBRATION OFFSET ELIMINATION TIME-DOMAIN RESPONSE OF THE CLOSED LOOP OPERATION IN RF MEASUREMENT MODE BASIC CONNECTIONS DEVICE DISABLE RECOMMENDED INPUT COUPLING Choosing Input Coupling Capacitors Single-Ended Input Drive OPERATION AT LOW FREQUENCIES CHOOSING A VALUE FOR CHPF CHOOSING A VALUE FOR CLPF ADJUSTING VTGT TO ACCOMMODATE SIGNALS WITH VERY HIGH CREST FACTORS ALTERING THE SLOPE TEMPERATURE COMPENSATION AND REDUCTION OF TRANSFER FUNCTION RIPPLE TEMPERATURE COMPENSATION AT VARIOUS WiMAX FREQUENCIES UP TO 3.8 GHz OPERATION IN CONTROLLER MODE RMS VOLTMETER WITH 90 dB DYNAMIC RANGE AD8362 EVALUATION BOARD OUTLINE DIMENSIONS ORDERING GUIDE