Datasheet NV6127 (Navitas Semiconductor) - 6
| 制造商 | Navitas Semiconductor |
| 描述 | 650 V GaNFast Power IC |
| 页数 / 页 | 23 / 6 — NV6127. 6.6. Switching Waveforms. VPWM. 50%. VDS. 90%. 10%. OF F. Final … |
| 文件格式/大小 | PDF / 2.1 Mb |
| 文件语言 | 英语 |
NV6127. 6.6. Switching Waveforms. VPWM. 50%. VDS. 90%. 10%. OF F. Final Datasheet. Rev Nov 22, 2019

该数据表的模型线
文件文字版本
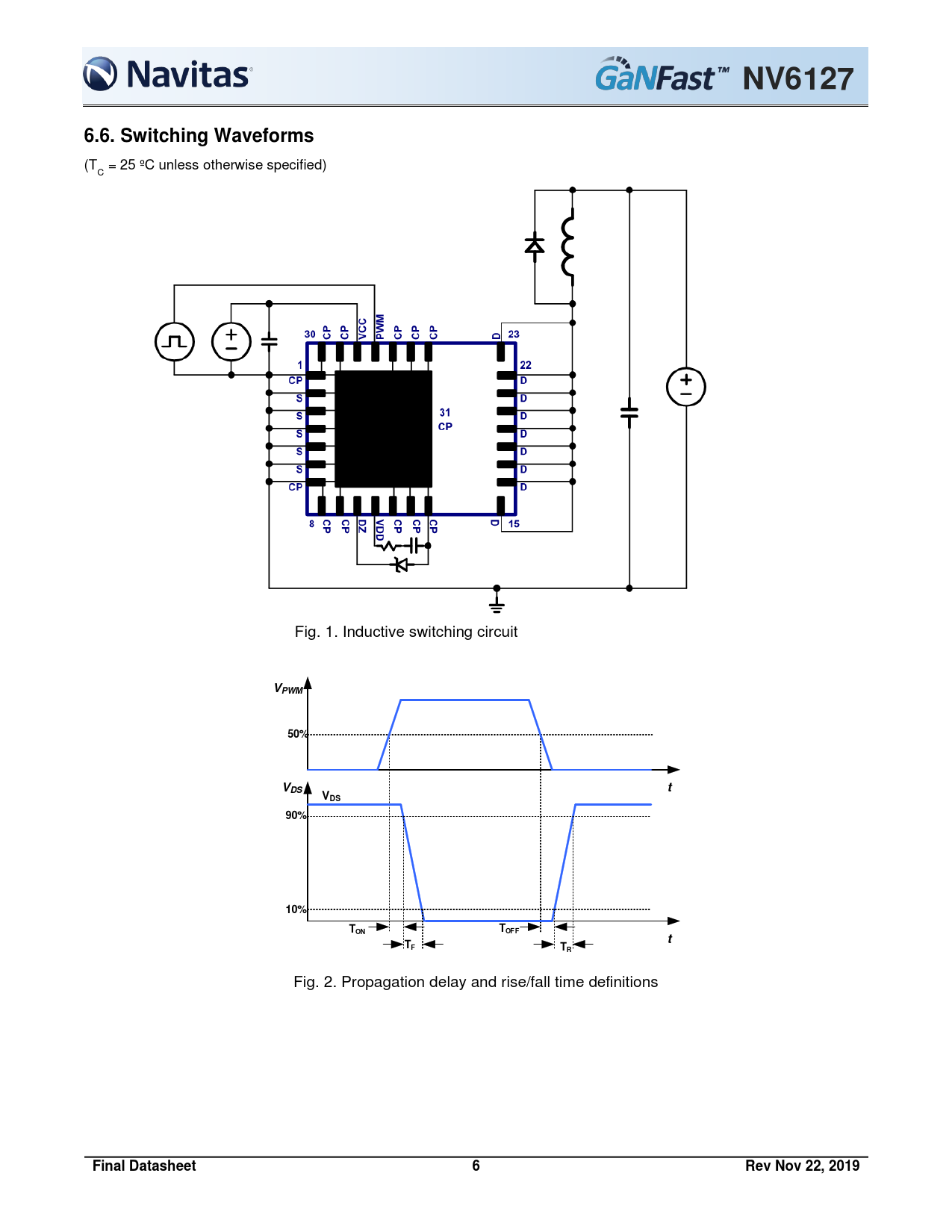
NV6127 6.6. Switching Waveforms
(T = 25 ºC unless otherwise specified) C Fig. 1. Inductive switching circuit
VPWM 50% VDS t VDS 90% 10% T T ON OF F t TF TR
Fig. 2. Propagation delay and rise/fall time definitions
Final Datasheet 6 Rev Nov 22, 2019