Datasheet LTM4625 (Analog Devices) - 7
| 制造商 | Analog Devices |
| 描述 | 20VIN, 5A Step-Down DC/DC μModule (Power Module) Regulator |
| 页数 / 页 | 26 / 7 — BLOCK DIAGRAM. Figure 1. Simplified LTM4625 Block Diagram. DECOUPLING … |
| 修订版 | D |
| 文件格式/大小 | PDF / 1.6 Mb |
| 文件语言 | 英语 |
BLOCK DIAGRAM. Figure 1. Simplified LTM4625 Block Diagram. DECOUPLING REQUIREMENTS SYMBOL. PARAMETER. CONDITIONS. MIN. TYP. MAX. UNITS

该数据表的模型线
文件文字版本
LTM4625
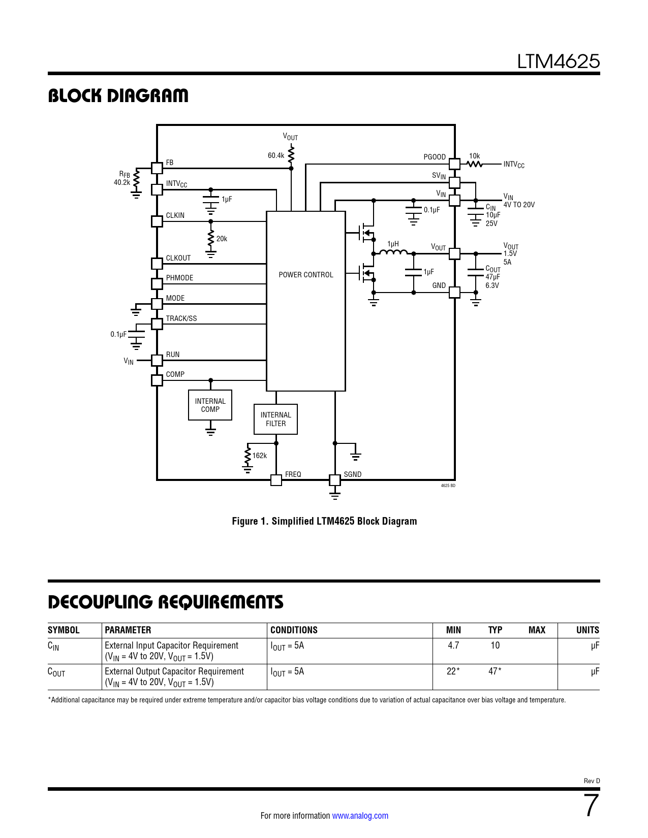
BLOCK DIAGRAM
VOUT 60.4k PGOOD 10k FB INTVCC RFB SVIN 40.2k INTVCC V 1µF IN VIN 4V TO 20V 0.1µF CIN CLKIN 10µF 25V 20k 1µH VOUT VOUT CLKOUT 1.5V 5A C POWER CONTROL 1µF OUT PHMODE 47µF GND 6.3V MODE TRACK/SS 0.1µF RUN VIN COMP INTERNAL COMP INTERNAL FILTER 162k FREQ SGND 4625 BD
Figure 1. Simplified LTM4625 Block Diagram DECOUPLING REQUIREMENTS SYMBOL PARAMETER CONDITIONS MIN TYP MAX UNITS
CIN External Input Capacitor Requirement IOUT = 5A 4.7 10 µF (VIN = 4V to 20V, VOUT = 1.5V) COUT External Output Capacitor Requirement IOUT = 5A 22* 47* µF (VIN = 4V to 20V, VOUT = 1.5V) *Additional capacitance may be required under extreme temperature and/or capacitor bias voltage conditions due to variation of actual capacitance over bias voltage and temperature. Rev D For more information www.analog.com 7 Document Outline Features Applications Description Typical Application Absolute Maximum Ratings Pin Configuration Order Information Electrical Characteristics Typical Performance Characteristics Pin Functions Block Diagram Decoupling Requirements Operation Applications Information Package Description Revision History Package Photo Design Resources Related Parts