Datasheet LTM4671 (Analog Devices) - 13
| 制造商 | Analog Devices |
| 描述 | Quad DC/DC µModule Regulator with Configurable Dual 12A, Dual 5A Output Array |
| 页数 / 页 | 36 / 13 — BLOCK DIAGRAM. Figure 1. Simplified LTM4671 Block Diagram |
| 修订版 | B |
| 文件格式/大小 | PDF / 2.0 Mb |
| 文件语言 | 英语 |
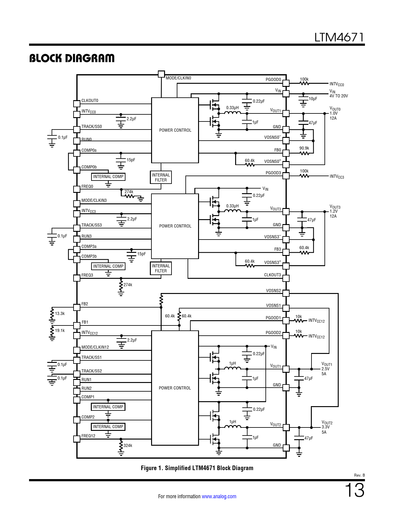
BLOCK DIAGRAM. Figure 1. Simplified LTM4671 Block Diagram

该数据表的模型线
文件文字版本
LTM4671
BLOCK DIAGRAM
MODE/CLKIN0 PGOOD0 100k INTVCC0 VIN VIN 4V TO 20V CLKOUT0 0.22µF 10µF 0.33µH V INTV V OUT0 CC0 OUT1 1.0V 2.2µF 12A 1µF 47µF TRACK/SS0 GND POWER CONTROL 0.1µF RUN0 VOSNS0– COMP0a FB0 90.9k 15pF 60.4k VOSNS0+ COMP0b 100k PGOOD3 INTERNAL INTERNAL COMP INTVCC3 FILTER FREQ0 V 274k IN 0.22µF MODE/CLKIN3 0.33µH V V OUT3 INTV OUT3 CC3 1.2V 12A 2.2µF 1µF 47µF TRACK/SS3 GND POWER CONTROL 0.1µF RUN3 VOSNS3– COMP3a FB3 60.4k 15pF COMP3b 60.4k VOSNS3+ INTERNAL COMP INTERNAL FILTER FREQ3 CLKOUT3 274k VOSNS2 FB2 VOSNS1 13.3k 60.4k 60.4k PGOOD1 10k FB1 INTVCC12 19.1k INTVCC12 PGOOD2 10k INTVCC12 2.2µF MODE/CLKIN12 VIN 0.22µF TRACK/SS1 1µH 0.1µF V V OUT1 OUT1 TRACK/SS2 2.5V 5A 0.1µF 1µF 47µF RUN1 GND RUN2 POWER CONTROL COMP1 INTERNAL COMP 0.22µF COMP2 1µH V V OUT2 INTERNAL COMP OUT2 3.3V 5A FREQ12 1µF 47µF 324k GND
Figure 1. Simplified LTM4671 Block Diagram
Rev. B For more information www.analog.com 13 Document Outline Features Applications Typical Application Description Absolute Maximum Ratings Pin Configuration Order Information Electrical Characteristics Typical Performance Characteristics Pin Functions Block Diagram Decoupling Requirements Operation Applications Information Typical Applications Component BGA Pinout Package Description Revision History Package Photo Related Parts