Datasheet LAN9303, LAN9303i (Microchip) - 7
| 制造商 | Microchip |
| 描述 | Small Form Factor Three Port 10/100 Managed Ethernet Switch with Single MII/RMII/Turbo MII |
| 页数 / 页 | 264 / 7 — 2.2. Block Diagram. FIGURE 2-1:. INTERNAL BLOCK DIAGRAM. LAN9303/LAN9303i |
| 文件格式/大小 | PDF / 2.0 Mb |
| 文件语言 | 英语 |
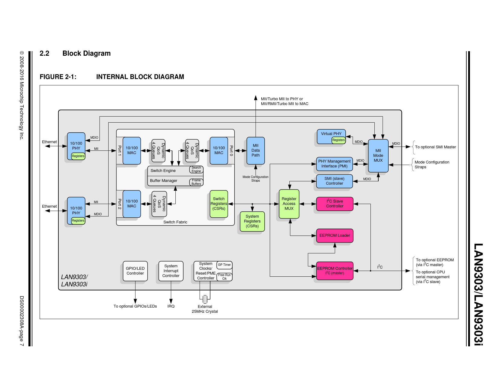
2.2. Block Diagram. FIGURE 2-1:. INTERNAL BLOCK DIAGRAM. LAN9303/LAN9303i

该数据表的模型线
文件文字版本
2008
2.2 Block Diagram
-2016 Microchip
FIGURE 2-1: INTERNAL BLOCK DIAGRAM
MII/Turbo MII to PHY or Technology In MII/RMII/Turbo MII to MAC c. Virtual PHY MDIO Registers 4 Queu Ethernet D 4 Queu D MDIO 10/100 Por Por MDIO yna Qo yna Qo MII To optional SMI Master PHY MII 10/100 10/100 t 1 S m S m t 0 Data MII MAC es i es i MAC Registers c c Path Mode MDIO MUX PHY Management Mode Configuration Interface (PMI) Search Straps Switch Engine Engine Mode Configuration SMI (slave) MDIO Buffer Manager Frame Straps Buffers Controller 4 Que Dynam Por QoS Switch Register MII 10/100 I2C Slave t Registers Access 2 u Ethernet MAC Controller 10/100 es ic (CSRs) MUX PHY MDIO System Registers Switch Fabric Registers (CSRs) EEPROM Loader
LAN9303/LAN9303i
To optional EEPROM System GP Timer (via I2C master) System GPIO/LED Clocks/ EEPROM Controller I2C Interrupt Controller Reset/PME I2C (master) To optional CPU LAN9303/ Controller Free-Run Controller serial management Clk (via I2C slave) LAN9303i D S 00002308A- To optional GPIOs/LEDs IRQ External 25MHz Crystal p age 7 Document Outline 1.0 Preface 1.1 General Terms 2.0 Introduction 2.1 General Description 2.2 Block Diagram FIGURE 2-1: Internal Block Diagram 2.2.1 System Clocks/Reset/PME Controller 2.2.2 System Interrupt Controller 2.2.3 Switch Fabric 2.2.4 Ethernet PHYs 2.2.5 PHY Management Interface (PMI) 2.2.6 I2C Slave Controller 2.2.7 SMI Slave Controller 2.2.8 EEPROM Controller/Loader 2.2.9 GPIO/LED Controller 2.3 Modes of Operation 2.3.1 Internal PHY Mode 2.3.2 MAC Mode FIGURE 2-2: MII MAC Mode 2.3.3 PHY Mode FIGURE 2-3: MII/RMII PHY Mode 2.3.4 Management Modes TABLE 2-1: Device Modes FIGURE 2-4: Port 0 MAC/PHY Management Modes 3.0 Pin Description and Configuration 3.1 Pin Diagram 3.1.1 56-QFN Pin Diagram FIGURE 3-1: Pin Assignments (TOP VIEW) 3.2 Pin Descriptions TABLE 3-1: LAN Port 1 Pins TABLE 3-2: LAN Port 2 Pins TABLE 3-3: LAN Port 1 & 2 Power and Common Pins TABLE 3-4: Port 0 MII/RMII Pins TABLE 3-5: GPIO/LED/Configuration Straps TABLE 3-6: Serial Management/EEPROM Pins TABLE 3-7: Miscellaneous Pins TABLE 3-8: PLL Pins TABLE 3-9: Core and I/O Power and Ground Pins TABLE 3-10: LAN9303/LAN9303i 56-QFN Package Pin Assignments 3.3 Buffer Types TABLE 3-11: Buffer Types 4.0 Clocking, Resets, and Power Management 4.1 Clocks 4.2 Resets TABLE 4-1: Reset Sources and Affected Device Circuitry 4.2.1 Chip-Level Resets 4.2.2 Multi-Module Resets 4.2.3 Single-Module Resets 4.2.4 Configuration Straps TABLE 4-2: Soft-Strap Configuration Strap Definitions TABLE 4-3: Hard-Strap Configuration Strap Definitions TABLE 4-4: PIN/Shared Strap Mapping 4.3 Power Management 4.3.1 Port 1 & 2 PHY Power Management 5.0 System Interrupts 5.1 Functional Overview 5.2 Interrupt Sources FIGURE 5-1: Functional Interrupt Register Hierarchy 5.2.1 Switch Fabric Interrupts 5.2.2 Ethernet PHY Interrupts 5.2.3 GPIO Interrupts 5.2.4 General Purpose Timer Interrupt 5.2.5 Software Interrupt 5.2.6 Device Ready Interrupt 6.0 Switch Fabric 6.1 Functional Overview 6.2 Switch Fabric CSRs 6.2.1 Switch Fabric CSR Writes FIGURE 6-1: Switch Fabric CSR Write Access Flow Diagram 6.2.2 Switch Fabric CSR Reads FIGURE 6-2: Switch Fabric CSR Read Access Flow Diagram 6.2.3 Flow Control Enable Logic TABLE 6-1: Switch Fabric Flow Control Enable Logic 6.3 10/100 Ethernet MACs 6.3.1 Receive MAC 6.3.2 Transmit MAC 6.4 Switch Engine (SWE) 6.4.1 MAC Address Lookup Table FIGURE 6-3: ALR Table Entry Structure 6.4.2 Forwarding Rules 6.4.3 Transmit Priority Queue Selection FIGURE 6-4: Switch Engine Transmit Queue Selection FIGURE 6-5: Switch Engine Transmit Queue Calculation 6.4.4 VLAN Support FIGURE 6-6: VLAN Table Entry Structure 6.4.5 Spanning Tree Support TABLE 6-2: Spanning Tree States 6.4.6 Ingress Flow Metering and Coloring TABLE 6-3: Typical Ingress Rate Settings FIGURE 6-7: Switch Engine Ingress Flow Priority Selection FIGURE 6-8: Switch Engine Ingress Flow Priority Calculation 6.4.7 Broadcast Storm Control TABLE 6-4: Typical Broadcast Rate Settings 6.4.8 IPv4 IGMP Support 6.4.9 Port Mirroring 6.4.10 Host CPU Port Special Tagging 6.4.11 Counters 6.5 Buffer Manager (BM) 6.5.1 Packet Buffer Allocation 6.5.2 Random Early Discard (RED) 6.5.3 Transmit Queues 6.5.4 Transmit Priority Queue Servicing 6.5.5 Egress Rate Limiting (Leaky Bucket) TABLE 6-5: Typical Egress Rate Settings 6.5.6 Adding, Removing, and Changing VLAN Tags FIGURE 6-9: Hybrid Port Tagging and Un-tagging 6.5.7 Counters 6.6 Switch Fabric Interrupts 7.0 Ethernet PHYs 7.1 Functional Overview 7.1.1 PHY Addressing TABLE 7-1: Default PHY Serial MII Addressing 7.2 Port 1 & 2 PHYs FIGURE 7-1: Port x PHY Block Diagram 7.2.1 100BASE-TX Transmit FIGURE 7-2: 100BASE-TX Transmit Data Path TABLE 7-2: 4B/5B Code Table 7.2.2 100BASE-TX Receive FIGURE 7-3: 100BASE-TX Receive Data Path 7.2.3 10BASE-T Transmit 7.2.4 10BASE-T Receive 7.2.5 PHY Auto-negotiation 7.2.6 HP Auto-MDIX FIGURE 7-4: Direct Cable Connection vs. Cross-Over Cable Connection 7.2.7 MII MAC Interface 7.2.8 PHY Management Control TABLE 7-3: PHY Interrupt Sources 7.2.9 PHY Power-Down Modes 7.2.10 PHY Resets 7.2.11 LEDs 7.2.12 Required Ethernet Magnetics 7.3 Virtual PHY 7.3.1 Virtual PHY Auto-Negotiation 7.3.2 Virtual PHY in MAC Mode 7.3.3 Virtual PHY Resets 8.0 Serial Management 8.1 Functional Overview 8.2 I2C Overview FIGURE 8-1: I2C Cycle 8.3 I2C Master EEPROM Controller TABLE 8-1: I2C EEPROM Size Ranges 8.3.1 I2C EEPROM Device Addressing FIGURE 8-2: I2C EEPROM Addressing 8.3.2 I2C EEPROM Byte Read FIGURE 8-3: I2C EEPROM Byte Read 8.3.3 I2C EEPROM Sequential Byte Reads FIGURE 8-4: I2C EEPROM Sequential Byte Reads 8.3.4 I2C EEPROM Byte Writes FIGURE 8-5: I2C EEPROM Byte Write 8.3.5 Wait State Generation 8.3.6 I2C Bus Arbitration and Clock Synchronization 8.3.7 I2C Master EEPROM Controller Operation FIGURE 8-6: EEPROM Access Flow Diagram 8.4 EEPROM Loader TABLE 8-2: EEPROM Contents Format Overview 8.4.1 EEPROM Loader Operation FIGURE 8-7: EEPROM Loader Flow Diagram 8.4.2 EEPROM Valid Flag 8.4.3 MAC Address 8.4.4 Soft-Straps TABLE 8-3: EEPROM Configuration Bits 8.4.5 Register Data 8.4.6 EEPROM Loader Finished Wait-State 8.4.7 Reset Sequence and EEPROM Loader 8.5 I2C Slave Operation 8.5.1 I2C Slave Command Format FIGURE 8-8: I2C Slave Addressing 8.5.2 I2C Slave Read Sequence FIGURE 8-9: I2C Slave Reads 8.5.3 I2C Slave Write Sequence FIGURE 8-10: I2C Slave Writes 9.0 MII Data Interface 9.1 Port 0 MII Data Path 9.1.1 Port 0 MII MAC Mode 9.1.2 Port 0 MII PHY Mode 9.1.3 Port 0 RMII PHY Mode 10.0 MII Management 10.1 Functional Overview 10.2 SMI Slave Controller TABLE 10-1: SMI Frame Format 10.2.1 Read Sequence 10.2.2 Write Sequence 10.3 PHY Management Interface (PMI) TABLE 10-2: MII Management Frame Format 10.3.1 EEPROM Loader PHY Register Access 10.4 MII Mode Multiplexer 10.4.1 Port 0 MAC Mode SMI Managed FIGURE 10-1: MII Mux Management Path Connections - MAC Mode SMI Managed 10.4.2 Port 0 MAC Mode I2C Managed FIGURE 10-2: MII Mux Management Path Connections - MAC Mode I2C Managed 10.4.3 Port 0 PHY Mode SMI Managed FIGURE 10-3: MII Mux Management Path Connections - PHY Mode SMI Managed 10.4.4 Port 0 PHY Mode I2C Managed FIGURE 10-4: MII Mux Management Path Connections - PHY Mode I2C Managed 11.0 General Purpose Timer & Free-Running Clock 11.1 General Purpose Timer 11.2 Free-Running Clock 12.0 GPIO/LED Controller 12.1 Functional Overview 12.2 GPIO Operation 12.2.1 GPIO Interrupts 12.3 LED Operation TABLE 12-1: LED Operation as a Function of LED_FUN[1:0] 12.3.1 LED Function Definitions when LED_FUN[1:0] = 00b, 01b, or 10b 12.3.2 LED Function Definitions when LED_FUN[1:0] = 11b 13.0 Register Descriptions FIGURE 13-1: Base Register Memory Map 13.1 Register Nomenclature TABLE 13-1: Register Bit Types 13.2 System Control and Status Registers TABLE 13-2: System Control and Status Registers 13.2.1 Interrupts 13.2.2 GPIO/LED 13.2.3 EEPROM 13.2.4 Switch Fabric TABLE 13-3: SWITCH_MAC_ADDRL, SWITCH_MAC_ADDRH, and EEPROM Byte Ordering FIGURE 13-2: Example SWITCH_MAC_ADDRL, SWITCH_MAC_ADDRH, and EEPROM Setup TABLE 13-4: Switch Fabric CSR to SWITCH_CSR_DIRECT_DATA Address Range Map 13.2.5 PHY Management Interface (PMI) 13.2.6 Virtual PHY TABLE 13-5: Virtual PHY MII Serially Adressable Register Index TABLE 13-6: Emulated Link Partner Pause Flow Control Ability Default Values TABLE 13-7: Emulated Link Partner Default Advertised Ability 13.2.7 Miscellaneous 13.3 Ethernet PHY Control and Status Registers 13.3.1 Virtual PHY Registers 13.3.2 Port 1 & 2 PHY Registers TABLE 13-8: Port 1 & 2 PHY MII Serially Adressable Registers TABLE 13-9: 10BASE-T Full Duplex Advertisement Default Value TABLE 13-10: 10BASE-T Half Duplex Advertisement Bit Default Value TABLE 13-11: MODE[2:0] Definitions TABLE 13-12: Auto-MDIX Enable and Auto-MDIX State Bit Functionality TABLE 13-13: MDIX Strap Functionality 13.4 Switch Fabric Control and Status Registers TABLE 13-14: Indirectly Accessible Switch Control and Status Registers 13.4.1 General Switch CSRs 13.4.2 Switch Port 0, Port 1, and Port 2 CSRs 13.4.3 Switch Engine CSRs TABLE 13-15: Metering/Color Table Register Descriptions 13.4.4 Buffer Manager CSRs 14.0 Operational Characteristics 14.1 Absolute Maximum Ratings* 14.2 Operating Conditions** 14.3 Power Consumption TABLE 14-1: Supply and Current (10BASE-T Full-Duplex) TABLE 14-2: Supply and Current (100BASE-TX Full-Duplex) TABLE 14-3: Supply and Current (Power Management) 14.4 DC Specifications TABLE 14-4: I/O Buffer Characteristics TABLE 14-5: 100BASE-TX Transceiver Characteristics TABLE 14-6: 10BASE-T Transceiver Characteristics 14.5 AC Specifications 14.5.1 Equivalent Test Load FIGURE 14-1: Output Equivalent Test Load 14.5.2 Reset and Configuration Strap Timing FIGURE 14-2: nRST Reset Pin Timing TABLE 14-7: nRST Reset Pin Timing Values 14.5.3 Power-On Configuration Strap Valid Timing FIGURE 14-3: Power-On Configuration Strap Latching Timing FIGURE 14-4: Power-On Configuration Strap Latching Timing Values 14.5.4 MII Interface Timing (MAC Mode) FIGURE 14-5: MII Output Timing (MAC Mode) TABLE 14-8: MII Output Timing Values (MAC Mode) FIGURE 14-6: MII Input Timing (MAC Mode) TABLE 14-9: MII Input Timing Values (MAC Mode) 14.5.5 MII Interface Timing (PHY Mode) FIGURE 14-7: MII Output Timing (PHY Mode) TABLE 14-10: MII Output Timing Values (PHY Mode) FIGURE 14-8: MII Input Timing (PHY Mode) TABLE 14-11: MII Input Timing Values (PHY Mode) 14.5.6 Turbo MII Interface Timing (MAC Mode) FIGURE 14-9: Turbo MII Output Timing (MAC Mode) TABLE 14-12: Turbo MII Output Timing Values (MAC Mode) FIGURE 14-10: Turbo MII Input Timing (MAC Mode) TABLE 14-13: Turbo MII Input Timing Values (MAC Mode) 14.5.7 Turbo MII Interface Timing (PHY Mode) FIGURE 14-11: Turbo MII Output Timing (PHY Mode) TABLE 14-14: Turbo MII Output Timing Values (PHY Mode) FIGURE 14-12: Turbo MII Input Timing (PHY Mode) TABLE 14-15: Turbo MII Input Timing Values (PHY Mode) 14.5.8 RMII Interface Timing FIGURE 14-13: RMII P0_OUTCLK Output Mode Timing TABLE 14-16: RMII P0_OUTCLK Output Mode Timing Values FIGURE 14-14: RMII P0_OUTCLK Input Mode Timing TABLE 14-17: RMII P0_OUTCLK Input Mode Timing Values 14.5.9 SMI Timing FIGURE 14-15: SMI Timing TABLE 14-18: SMI Timing Values 14.6 Clock Circuit TABLE 14-19: Crystal Specifications 15.0 Package Outlines 15.1 56-QFN Package Outline FIGURE 15-1: 56-QFN Package Definition, 8x8mm Body, 0.5mm Pitch Appendix A: Data sheet Revision History The Microchip Web Site Customer Change Notification Service Customer Support Product Identification System Worldwide Sales and Service