Datasheet LT3756, LT3756-1, LT3756-2 (Analog Devices) - 10
| 制造商 | Analog Devices |
| 描述 | 100VIN, 100VOUT LED Controller |
| 页数 / 页 | 26 / 10 — BLOCK DIAGRAM |
| 修订版 | C |
| 文件格式/大小 | PDF / 402 Kb |
| 文件语言 | 英语 |
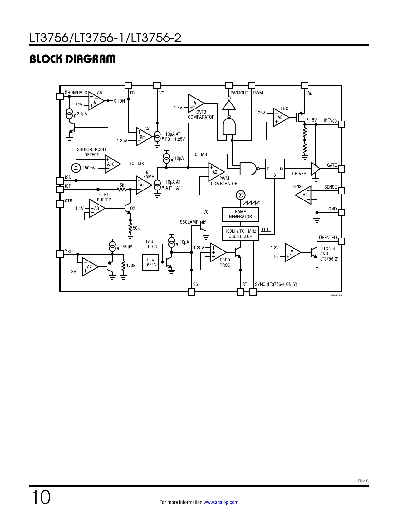
BLOCK DIAGRAM

该数据表的模型线
文件文字版本
LT3756/LT3756-1/LT3756-2
BLOCK DIAGRAM
SHDN/UVLO – A6 FB VC PWMOUT PWM VIN – + SHDN 1.22V + 1.3V – LDO 2.1µA OVFB 1.25V COMPARATOR +A8 7.15V INTVCC + A5 g 10µA AT 1.25V – m FB = 1.25V SHORT-CIRCUIT DETECT SCILMB + 10µA + A10 SCILMB GATE – 150mV – + g R Q m DRIVER ISN EAMP –A2 S + PWM 10µA AT ISP 5k A1 COMPARATOR ISENSE – A1+ = A1– + SENSE CTRL A4 CTRL BUFFER – + 1.1V + Q2 –A3 VC RAMP GND GENERATOR SSCLAMP 50k 100kHz TO 1MHz OSCILLATOR OPENLED FAULT 10µA 140µA – LOGIC 1.25V + V 1.2V (LT3756 REF + – + AND FB – TLIM FREQ LT3756-2) 170k 165°C PROG +A7 2V SS RT SYNC (LT3756-1 ONLY) 375612 BD Rev. C 10 For more information www.analog.com Document Outline Features Applications Typical Application Description Absolute Maximum Ratings Pin Configuration Order Information Electrical Characteristics Typical Performance Characteristics Pin Functions Block Diagram Operation Applications Information Package Description Revision History Typical Application Related Parts