Datasheet ADAU1788 (Analog Devices) - 6

制造商Analog Devices
描述Two ADCs, One DAC, Low Power Codec with Audio DSPs
页数 / 页226 / 6 — ADAU1788. Data Sheet. FUNCTIONAL BLOCK DIAGRAM. IN LK C. LI/M. IOV. …
文件格式/大小PDF / 3.0 Mb
文件语言英语

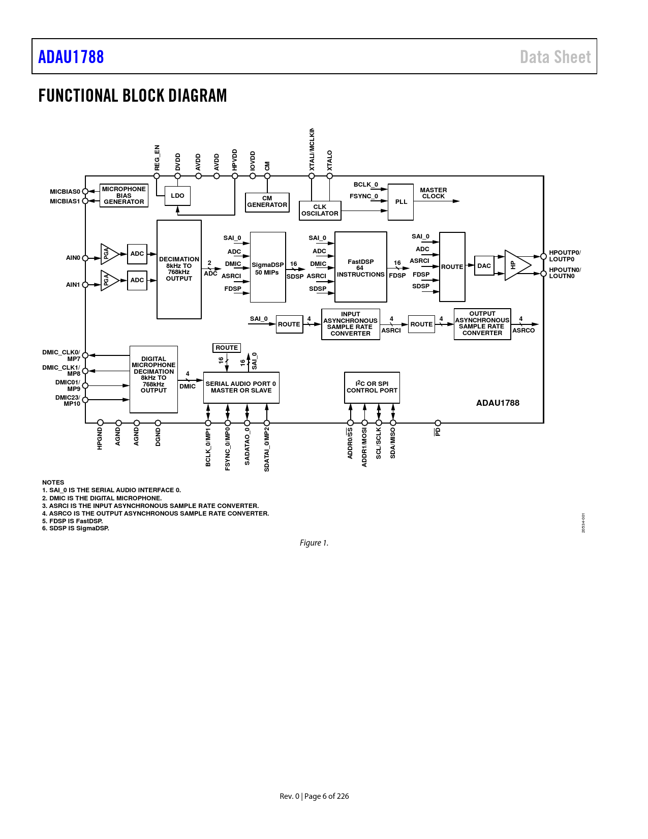
ADAU1788. Data Sheet. FUNCTIONAL BLOCK DIAGRAM. IN LK C. LI/M. IOV. BCLK_0. MICROPHONE. MICBIAS0. MASTER. BIAS. LDO. FSYNC_0. CLOCK. MICBIAS1

ADAU1788 Data Sheet FUNCTIONAL BLOCK DIAGRAM IN LK C LI/M IOV BCLK_0 MICROPHONE MICBIAS0 MASTER BIAS LDO FSYNC_0 CLOCK MICBIAS1

该数据表的模型线

文件文字版本

ADAU1788 Data Sheet FUNCTIONAL BLOCK DIAGRAM IN LK C N D O _E DD D LI/M G DD DD DD V A AL V V T T RE DV A A HP IOV CM X X BCLK_0 MICROPHONE MICBIAS0 MASTER BIAS LDO FSYNC_0 CLOCK CM MICBIAS1 GENERATOR PLL GENERATOR CLK OSCILATOR SAI_0 SAI_0 SAI_0 A ADC ADC ADC ADC HPOUTP0/ AIN0 PG DECIMATION ASRCI LOUTP0 8kHz TO 2 DMIC SigmaDSP 16 FastDSP DMIC 16 64 ROUTE DAC HP 768kHz 50 MIPs HPOUTN0/ ADC A INSTRUCTIONS FDSP OUTPUT ASRCI SDSP ASRCI FDSP LOUTN0 ADC AIN1 PG SDSP FDSP SDSP INPUT OUTPUT SAI_0 4 ASYNCHRONOUS 4 4 ASYNCHRONOUS 4 ROUTE SAMPLE RATE ROUTE SAMPLE RATE ASRCI ASRCO CONVERTER CONVERTER ROUTE DMIC_CLK0/ MP7 DIGITAL _0 16 MICROPHONE 16 AI DMIC_CLK1/ S DECIMATION MP8 4 8kHz TO DMIC01/ 768kHz DMIC SERIAL AUDIO PORT 0 I2C OR SPI MP9 OUTPUT MASTER OR SLAVE CONTROL PORT DMIC23/ MP10 ADAU1788 1 0 2 S I ND ND ND ND P P _0 P S S O LK SO PD M M M C G AO M AG AG DG /MI HP T _0/ L/S A K_0/ A AI C NC_0/ ADDR0/ S SD Y AD AT BCL S S ADDR1/ F SD NOTES 1. SAI_0 IS THE SERIAL AUDIO INTERFACE 0. 2. DMIC IS THE DIGITAL MICROPHONE. 3. ASRCI IS THE INPUT ASYNCHRONOUS SAMPLE RATE CONVERTER. 4. ASRCO IS THE OUTPUT ASYNCHRONOUS SAMPLE RATE CONVERTER. 5. FDSP IS FastDSP.
001
6. SDSP IS SigmaDSP.
20534- Figure 1. Rev. 0 | Page 6 of 226 Document Outline FEATURES APPLICATIONS GENERAL DESCRIPTION TABLE OF CONTENTS REVISION HISTORY FUNCTIONAL BLOCK DIAGRAM SPECIFICATIONS ANALOG PERFORMANCE SPECIFICATIONS CRYSTAL AMPLIFIER SPECIFICATIONS DIGITAL INPUT AND OUTPUT SPECIFICATIONS POWER SUPPLY SPECIFICATIONS POWER-DOWN CURRENT TYPICAL POWER CONSUMPTION DIGITAL FILTERS DIGITAL TIMING SPECIFICATIONS Digital Timing Diagrams ABSOLUTE MAXIMUM RATINGS THERMAL RESISTANCE ESD CAUTION PIN CONFIGURATION AND FUNCTION DESCRIPTIONS TYPICAL PERFORMANCE CHARACTERISTICS SYSTEM BLOCK DIAGRAM THEORY OF OPERATION SYSTEM CLOCKING AND POWER-UP POWER-DOWN OPERATION AND OPTIONS EXAMPLE ADC TO DAC POWER-UP DVDD LDO REGULATOR CLOCK INITIALIZATION PLL Enabled Setup Control Port Access During Initialization PLL PLL Bypass Operation Input Clock Divider Integer Mode Fractional Mode MULTICHIP PHASE SYNCHRONIZATION CLOCK OUTPUT POWER SUPPLY SEQUENCING Power-Down Considerations SIGNAL ROUTING INPUT SIGNAL PATHS ANALOG INPUTS Phase Difference Various Signal Path ADAU1788 Input Impedance Analog Microphone Inputs Analog Line Inputs Precharging Input Capacitors Microphone Bias PGAs DIGITAL MICROPHONE INPUTS Digital Microphone Volume Control ADCs ADC Full-Scale Level Digital ADC Volume Control Filtering OUTPUT SIGNAL PATHS ANALOG OUTPUTS Headphone Output Line Output Pop and Click Suppression DAC DAC Full-Scale Level Digital DAC Volume Control and Filtering PDM OUTPUTS PDM Outputs Full-Scale Level PDM Outputs Volume Control and Filtering ASRCs INTERPOLATION AND DECIMATION BLOCKS SIGNAL LEVELS FastDSP CORE INSTRUCTIONS FILTER PRECISION FLAGS AND CONDITIONAL EXECUTION INPUT SOURCES POWER AND RUN CONTROL DATA MEMORY PARAMETERS PARAMETER BANK SWITCHING PARAMETER BANK COPYING PARAMETER MEMORY ACCESS FastDSP PARAMETER SAFELOAD SigmaDSP CORE SIGNAL PROCESSING DETAILS Program Counter Watchdog Features Numeric Formats Numeric Format 5.23 Programming READ/WRITE DATA FORMATS SOFTWARE SAFELOAD FastDSP SAFELOAD PROGRAM RAM, PARAMETER RAM, AND DATA RAM PROGRAM RAM PARAMETER RAM DATA RAM POWER SAVING OPTIONS ADC BIAS CURRENT CONTROL DAC BIAS CURRENT CONTROL DAC LOW POWER MODES PLL BYPASS SigmaDSP CLOCK SPEED CONTROL ASYNCHRONOUS SAMPLE RATE CONVERTERS LOW POWER MODES CONTROL PORT BURST MODE COMMUNICATION READING AND WRITING TO MEMORIES I2C PORT Addressing I2C Read and Write Operations SPI PORT R/ Subaddress Data Bytes MULTIPURPOSE PINS Interrupts Pin Controls SERIAL DATA PORT APPLICATIONS INFORMATION POWER SUPPLY BYPASS CAPACITORS LAYOUT GROUNDING PCB STACKUP REGISTER SUMMARY REGISTER DETAILS ANALOG DEVICES VENDOR ID REGISTER DEVICE ID REGISTERS REVISION CODE REGISTER ADC, DAC, AND HEADPHONE POWER CONTROLS REGISTER PLL, MICROPHONE BIAS, AND PGA POWER CONTROLS REGISTER DIGITAL MICROPHONE POWER CONTROLS REGISTER SERIAL PORT, PDM OUTPUT, AND DIGITAL MICROPHONE CLOCK POWER CONTROLS REGISTER DSP POWER CONTROLS REGISTER ASRC POWER CONTROLS REGISTER INTERPOLATOR POWER CONTROLS REGISTER DECIMATOR POWER CONTROLS REGISTER STATE RETENTION CONTROLS REGISTER CHIP POWER CONTROL REGISTER CLOCK CONTROL REGISTER PLL INPUT DIVIDER REGISTER PLL FEEDBACK INTEGER DIVIDER (MSBs) REGISTER PLL FEEDBACK INTEGER DIVIDER (LSBs) REGISTER PLL FRACTIONAL NUMERATOR VALUE (MSBs) REGISTER PLL FRACTIONAL NUMERATOR VALUE (LSBs) REGISTER PLL FRACTIONAL DENOMINATOR (MSBs) REGISTER PLL FRACTIONAL DENOMINATOR (LSBs) REGISTER PLL UPDATE REGISTER ADC SAMPLE RATE CONTROL REGISTER ADC IBIAS CONTROLS REGISTER ADC HIGH-PASS FILTER CONTROL REGISTER ADC MUTE AND COMPENSATION CONTROL REGISTER ANALOG INPUT PRECHARGE TIME REGISTER ADC CHANNEL MUTES REGISTER ADC CHANNEL 0 VOLUME CONTROL REGISTER ADC CHANNEL 1 VOLUME CONTROL REGISTER PGA CHANNEL 0 GAIN CONTROL MSBs, MUTE, BOOST, AND SLEW REGISTER PGA CHANNEL 0 GAIN CONTROL LSBs REGISTER PGA CHANNEL 1 GAIN CONTROL MSBs, MUTE, BOOST, AND SLEW REGISTER PGA CHANNEL 1 GAIN CONTROL LSBs REGISTER PGA SLEW RATE AND GAIN LINK REGISTER MICROPHONE BIAS LEVEL AND CURRENT REGISTER DMIC CLOCK RATE CONTROL REGISTER DIGITAL MICROPHONE CHANNEL 0 AND CHANNEL 1 RATE, ORDER, MAPPING, AND EDGE CONTROL REGISTER DIGITAL MICROPHONE CHANNEL 2 AND CHANNEL 3 RATE, ORDER, MAPPING, AND EDGE CONTROL REGISTER DMIC VOLUME OPTIONS REGISTER DIGITAL MICROPHONE CHANNEL MUTE CONTROLS REGISTER DIGITAL MICROPHONE CHANNEL 0 VOLUME CONTROL REGISTER DIGITAL MICROPHONE CHANNEL 1 VOLUME CONTROL REGISTER DIGITAL MICROPHONE CHANNEL 2 VOLUME CONTROL REGISTER DIGITAL MICROPHONE CHANNEL 3 VOLUME CONTROL REGISTER DAC SAMPLE RATE, FILTERING, AND POWER CONTROLS REGISTER DAC VOLUME LUNK, HIGH-PASS FILTER, AND MUTE CONTROLS REGISTER DAC CHANNEL 0 VOLUME REGISTER DAC CHANNEL 0 ROUTING REGISTER HEADPHONE CONTROL REGISTER FAST TO SLOW DECIMATOR SAMPLE RATES CHANNEL 0 AND CHANNEL 1 REGISTER FAST TO SLOW DECIMATOR SAMPLE RATES CHANNEL 2 AND CHANNEL 3 REGISTER FAST TO SLOW DECIMATOR SAMPLE RATES CHANNEL 4 AND CHANNEL 5 REGISTER FAST TO SLOW DECIMATOR SAMPLE RATES CHANNEL 6 AND CHANNEL 7 REGISTER FAST TO SLOW DECIMATOR CHANNEL 0 INPUT ROUTING REGISTER FAST TO SLOW DECIMATOR CHANNEL 1 INPUT ROUTING REGISTER FAST TO SLOW DECIMATOR CHANNEL 2 INPUT ROUTING REGISTER FAST TO SLOW DECIMATOR CHANNEL 3 INPUT ROUTING REGISTER FAST TO SLOW DECIMATOR CHANNEL 4 INPUT ROUTING REGISTER FAST TO SLOW DECIMATOR CHANNEL 5 INPUT ROUTING REGISTER FAST TO SLOW DECIMATOR CHANNEL 6 INPUT ROUTING REGISTER FAST TO SLOW DECIMATOR CHANNEL 7 INPUT ROUTING REGISTER SLOW TO FAST INTERPOLATOR SAMPLE RATES CHANNEL 0/CHANNEL 1 REGISTER SLOW TO FAST INTERPOLATOR SAMPLE RATES CHANNEL 2/CHANNEL 3 REGISTER SLOW TO FAST INTERPOLATOR SAMPLE RATES CHANNEL 4/CHANNEL 5 REGISTER SLOW TO FAST INTERPOLATOR SAMPLE RATES CHANNEL 6/CHANNEL 7 REGISTER SLOW TO FAST INTERPOLATOR CHANNEL 0 INPUT ROUTING REGISTER SLOW TO FAST INTERPOLATOR CHANNEL 1 INPUT ROUTING REGISTER SLOW TO FAST INTERPOLATOR CHANNEL 2 INPUT ROUTING REGISTER SLOW TO FAST INTERPOLATOR CHANNEL 3 INPUT ROUTING REGISTER SLOW TO FAST INTERPOLATOR CHANNEL 4 INPUT ROUTING REGISTER SLOW TO FAST INTERPOLATOR CHANNEL 5 INPUT ROUTING REGISTER SLOW TO FAST INTERPOLATOR CHANNEL 6 INPUT ROUTING REGISTER SLOW TO FAST INTERPOLATOR CHANNEL 7 INPUT ROUTING REGISTER INPUT ASRC CONTROL, SOURCE, AND RATE SELECTION REGISTER INPUT ASRC CHANNEL 0 AND CHANNEL 1 INPUT ROUTING REGISTER INPUT ASRC CHANNEL 2 AND CHANNEL 3 INPUT ROUTING REGISTER OUTPUT ASRC CONTROL REGISTER OUTPUT ASRC CHANNEL 0 INPUT ROUTING REGISTER OUTPUT ASRC CHANNEL 1 INPUT ROUTING REGISTER OUTPUT ASRC CHANNEL 2 INPUT ROUTING REGISTER OUTPUT ASRC CHANNEL 3 INPUT ROUTING REGISTER FastDSP RUN REGISTER FastDSP CURRENT BANK AND BANK RAMPING CONTROLS REGISTER FastDSP BANK RAMPING STOP POINT REGISTER FastDSP BANK COPYING REGISTER FastDSP FRAME RATE SOURCE REGISTER FastDSP FIXED RATE DIVISION MSBs REGISTER FastDSP FIXED RATE DIVISION LSBs REGISTER FastDSP MODULO N COUNTER FOR LOWER RATE CONDITIONAL EXECUTION REGISTER FastDSP GENERIC CONDITIONAL EXECUTION REGISTERS FastDSP SAFELOAD ADDRESS REGISTER FastDSP SAFELOAD PARAMETER 0 VALUE REGISTERS FastDSP SAFELOAD PARAMETER 1 VALUE REGISTERS FastDSP SAFELOAD PARAMETER 2 VALUE REGISTERS FastDSP SAFELOAD PARAMETER 3 VALUE REGISTERS FastDSP SAFELOAD PARAMETER 4 VALUE REGISTERS FastDSP SAFELOAD UPDATE REGISTER SigmaDSP FRAME RATE SOURCE SELECT REGISTER SigmaDSP RUN REGISTER SigmaDSP WATCHDOG CONTROLS REGISTER SigmaDSP WATCHDOG VALUE REGISTERS SigmaDSP MODULO DATA MEMORY START POSITION REGISTERS SigmaDSP FIXED FRAME RATE DIVISOR REGISTERS SigmaDSP SET INTERRUPTS REGISTER MULTIPURPOSE PIN 0/PIN 1 MODE SELECT REGISTER MULTIPURPOSE PIN 2/PIN 3 MODE SELECT REGISTER MULTIPURPOSE PIN 4/PIN 5 MODE SELECT REGISTER MULTIPURPOSE PIN 6/PIN 7 MODE SELECT REGISTER MULTIPURPOSE PIN 8/PIN 9 MODE SELECT REGISTER MULTIPURPOSE PIN 10 MODE SELECT REGISTER GENERAL-PURPOSE INPUT DEBOUNCE CONTROL AND MASTER CLOCK OUTPUT RATE SELECTION REGISTER GENERAL-PURPOSE OUTPUTS CONTROL PIN 0 TO PIN 7 REGISTER GENERAL-PURPOSE OUTPUTS CONTROL PINS 8 TO PIN 10 REGISTER FSYNC_0 PIN CONTROLS REGISTER BCLK_0 PIN CONTROLS REGISTER SDATAO_0 PIN CONTROL REGISTER SDATAI_0 PIN CONTROLS REGISTER MP3 PIN CONTROLS REGISTER MP4 PIN CONTROLS REGISTER MP5 PIN CONTROLS REGISTER MP6 PIN CONTROLS REGISTER DMIC_CLK0 PIN CONTROLS REGISTER DMIC_CLK1 PIN CONTROLS REGISTER DMIC01 PIN CONTROLS REGISTER DMIC23 PIN CONTROLS REGISTER SDA/MISO PIN CONTROLS REGISTER IRQ SIGNALING AND CLEARING REGISTER IRQ1 MASKING REGISTERS IRQ2 MASKING REGISTERS CHIP RESETS REGISTER FastDSP CURRENT LAMBDA REGISTER CHIP STATUS 1 REGISTER CHIP STATUS 2 REGISTER GENERAL-PURPOSE INPUT READ 0 TO INPUT READ 7 REGISTER GENERAL-PURPOSE INPUT READ 8 TO INPUT READ 10 REGISTER DSP STATUS REGISTER IRQ1 STATUS 1 REGISTER IRQ1 STATUS 2 REGISTER IRQ1 STATUS 3 REGISTER IRQ2 STATUS 1 REGISTER IRQ2 STATUS 2 REGISTER IRQ2 STATUS 3 REGISTER SERIAL PORT 0 CONTROL 1 REGISTER SERIAL PORT 0 CONTROL 2 REGISTER SERIAL PORT 0 OUTPUT ROUTING SLOT 0 (LEFT) REGISTER SERIAL PORT 0 OUTPUT ROUTING SLOT 1 (RIGHT) REGISTER SERIAL PORT 0 OUTPUT ROUTING SLOT 2 REGISTER SERIAL PORT 0 OUTPUT ROUTING SLOT 3 REGISTER SERIAL PORT 0 OUTPUT ROUTING SLOT 4 REGISTER SERIAL PORT 0 OUTPUT ROUTING SLOT 5 REGISTER SERIAL PORT 0 OUTPUT ROUTING SLOT 6 REGISTER SERIAL PORT 0 OUTPUT ROUTING SLOT 7 REGISTER SERIAL PORT 0 OUTPUT ROUTING SLOT 8 REGISTER SERIAL PORT 0 OUTPUT ROUTING SLOT 9 REGISTER SERIAL PORT 0 OUTPUT ROUTING SLOT 10 REGISTER SERIAL PORT 0 OUTPUT ROUTING SLOT 11 REGISTER SERIAL PORT 0 OUTPUT ROUTING SLOT 12 REGISTER SERIAL PORT 0 OUTPUT ROUTING SLOT 13 REGISTER SERIAL PORT 0 OUTPUT ROUTING SLOT 14 REGISTER SERIAL PORT 0 OUTPUT ROUTING SLOT 15 REGISTER PDM SAMPLE RATE AND FILTERING CONTROL REGISTER PDM MUTING, HIGH-PASS, AND VOLUME OPTIONS REGISTER PDM OUTPUT CHANNEL 0 VOLUME REGISTER PDM OUTPUT CHANNEL 1 VOLUME REGISTER PDM OUTPUT CHANNEL 0 ROUTING REGISTER PDM OUTPUT CHANNEL 1 ROUTING REGISTER OUTLINE DIMENSIONS ORDERING GUIDE