Datasheet BridgeSwitch Family (Power Integrations) - 2
| 制造商 | Power Integrations |
| 描述 | High-Voltage, Self-Powered, Half-bridge Motor Driver with Integrated Device Protection and System Monitoring |
| 页数 / 页 | 32 / 2 — BridgeSwitch. BPH. REGULATOR. 14.5 V. DIGITAL. ANALOG BUILDING BLOCK:. … |
| 修订版 | I |
| 文件格式/大小 | PDF / 2.9 Mb |
| 文件语言 | 英语 |
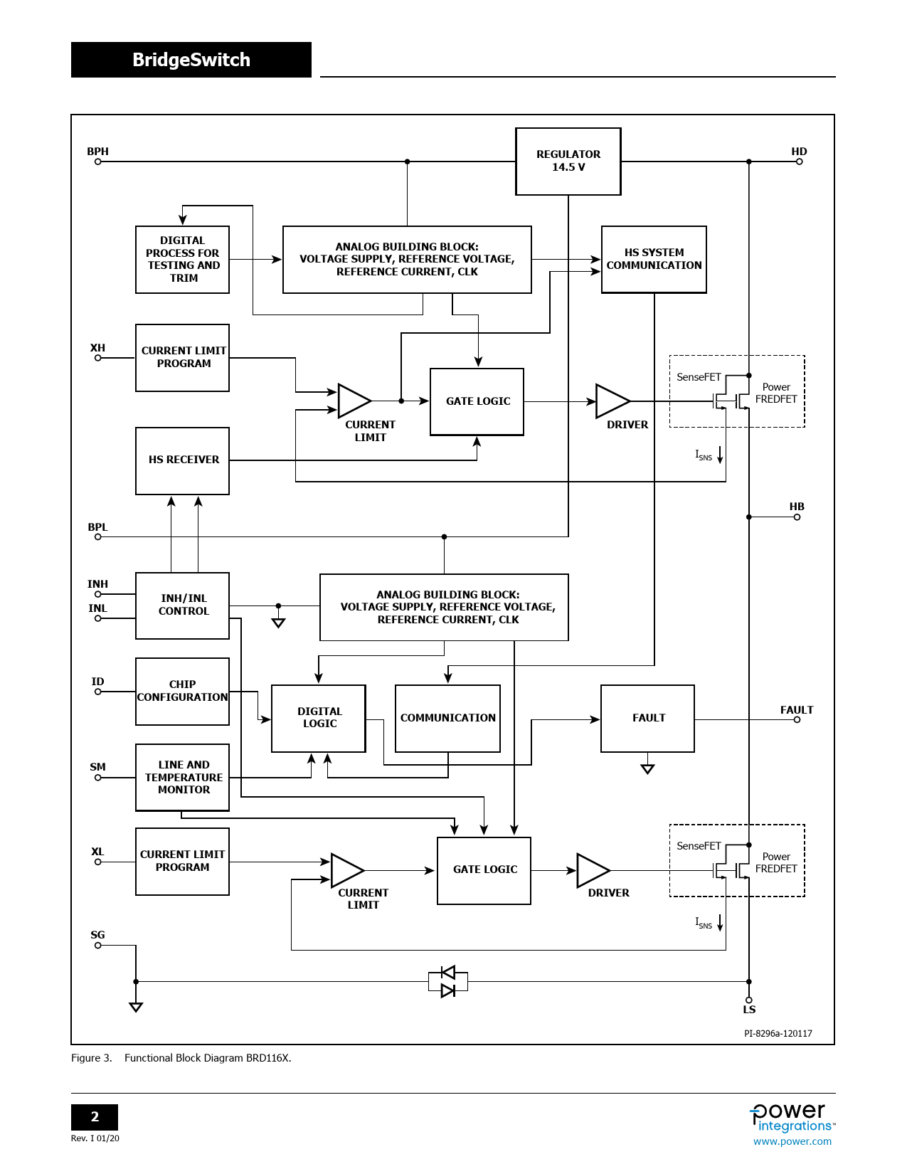
BridgeSwitch. BPH. REGULATOR. 14.5 V. DIGITAL. ANALOG BUILDING BLOCK:. PROCESS FOR. HS SYSTEM. VOLTAGE SUPPLY, REFERENCE VOLTAGE,

该数据表的模型线
文件文字版本
BridgeSwitch BPH REGULATOR HD 14.5 V DIGITAL ANALOG BUILDING BLOCK: PROCESS FOR HS SYSTEM VOLTAGE SUPPLY, REFERENCE VOLTAGE, TESTING AND COMMUNICATION REFERENCE CURRENT, CLK TRIM XH CURRENT LIMIT PROGRAM
SenseFET Power
GATE LOGIC
FREDFET
CURRENT DRIVER LIMIT HS RECEIVER
ISNS
HB BPL INH ANALOG BUILDING BLOCK: INH/INL INL VOLTAGE SUPPLY, REFERENCE VOLTAGE, CONTROL REFERENCE CURRENT, CLK ID CHIP CONFIGURATION DIGITAL FAULT LOGIC COMMUNICATION FAULT SM LINE AND TEMPERATURE MONITOR XL
SenseFET
CURRENT LIMIT
Power
PROGRAM GATE LOGIC
FREDFET
CURRENT DRIVER LIMIT
ISNS
SG LS
PI-8296a-120117 Figure 3. Functional Block Diagram BRD116X.
2
Rev. I 01/20 www.power.com Document Outline Product Highlights Description Output Power Table Pin Functional Description BridgeSwitch Functional Description Application Example PCB Design Guidelines Absolute Maximum Ratings Thermal Resistance Key Electrical Characteristics Typical Performance Characteristics inSOP-24C Package Drawing Package Marking Part Ordering and MSL Table ESD and Latch-Up Table Part Ordering Information