Datasheet TLP3109A (Toshiba) - 7
| 制造商 | Toshiba | 
| 描述 | Photocouplers Photorelay | 
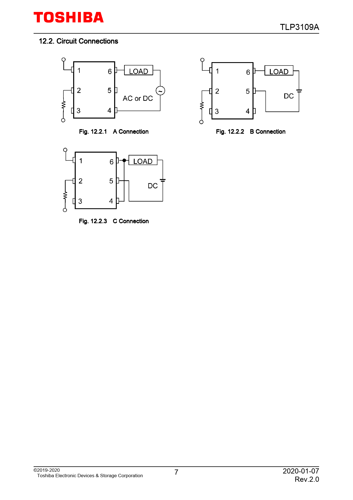
| 页数 / 页 | 10 / 7 — TLP3109A. 12.2. Circuit. Connections. Fig. 12.2.1. A. Connection. Fig. … | 
| 文件格式/大小 | PDF / 318 Kb | 
| 文件语言 | 英语 | 
TLP3109A. 12.2. Circuit. Connections. Fig. 12.2.1. A. Connection. Fig. 12.2.2. B. Connection. Fig. 12.2.3. C. Connection. ©2019-2020. 7. 2020-01-07. Toshiba

该数据表的模型线
文件文字版本
TLP3109A 12.2. Circuit Connections Fig. 12.2.1 A Connection Fig. 12.2.2 B Connection Fig. 12.2.3 C Connection ©2019-2020 7 2020-01-07 Toshiba Electronic Devices & Storage Corporation Rev.2.0