数据表
更多
Only-Datasheet.com
关于我们
合作
广告
联络人
en - English
ru - Русский
de - Deutsch
es - Espanol
搜索
数据表
Datasheet PLPT9 450LA_E (OSRAM)
Datasheet PLPT9 450LA_E (OSRAM) - 6
制造商
OSRAM
描述
Metal Can Blue Laser Diode in TO90
页数 / 页
13
/
6
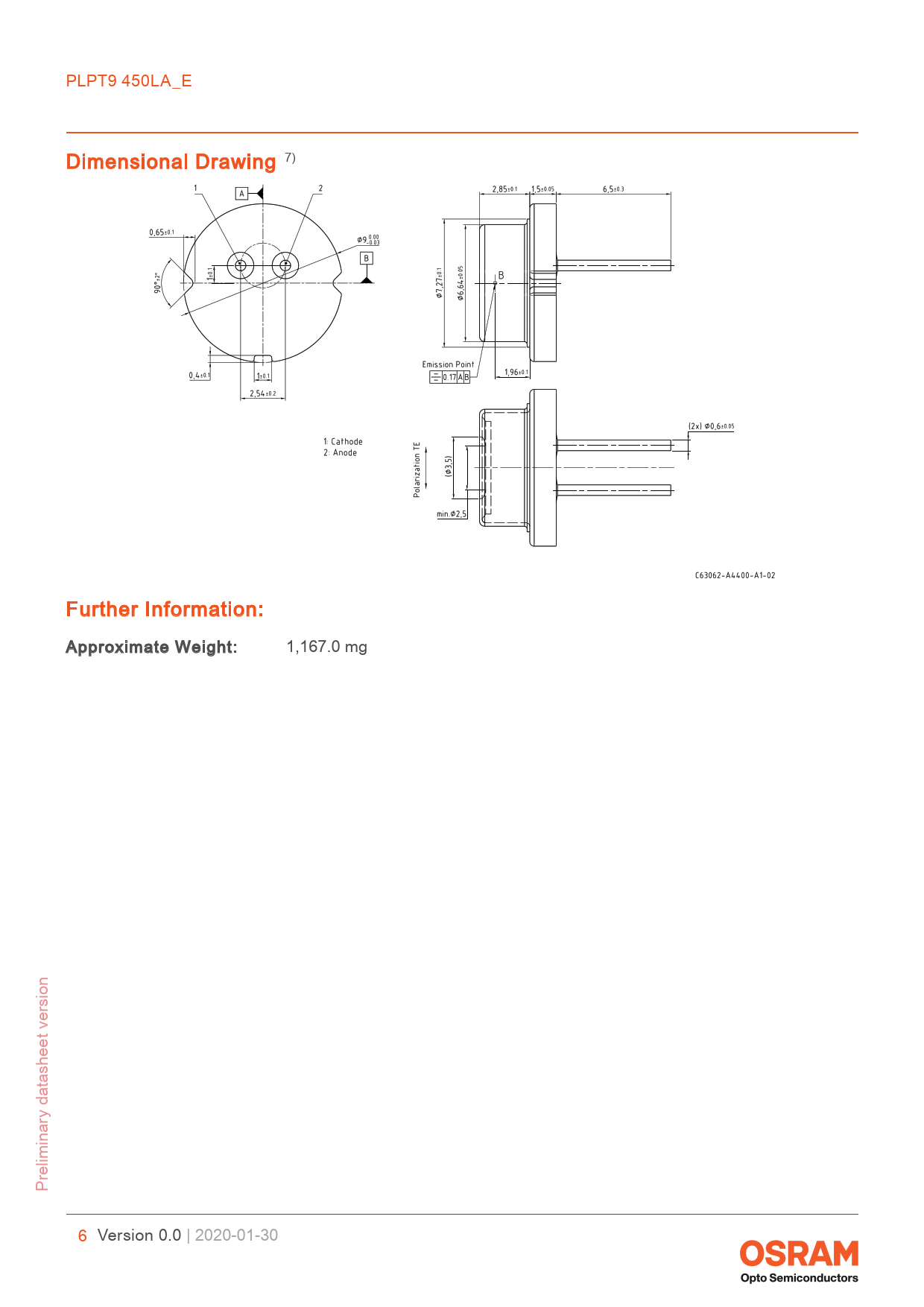
— link. to. page. 11. PLPT9. 450LA_E. Dimensional. Drawing. 7). Further. …
文件格式/大小
PDF
/
1.0 Mb
文件语言
英语
link. to. page. 11. PLPT9. 450LA_E. Dimensional. Drawing. 7). Further. Information:. Approximate. Weight:. 1,167.0. mg. Preliminary. datasheet. version. 6
1
...
5
6
7
...
10
下载 PDF
1
...
5
6
7
...
10
该数据表的模型线
PLPT9 450LA_E
文件文字版本
link to page 11 PLPT9 450LA_E Dimensional Drawing 7) Further Information: Approximate Weight: 1,167.0 mg Preliminary datasheet version 6 Version 0.0 | 2020-01-30
联络人
隐私政策
更改隐私设置