Datasheet 2ED2106 (4) S06F (J) (Infineon) - 4
| 制造商 | Infineon |
| 描述 | 650 V high-side and low-side gate driver with integrated bootstrap diode |
| 页数 / 页 | 24 / 4 — DETECT. 2ED2106S06F. Pulse. R Q. Filter. VSS/COM. HIN 2. LEVEL. SHIFT. … |
| 修订版 | 02_10 |
| 文件格式/大小 | PDF / 876 Kb |
| 文件语言 | 英语 |
DETECT. 2ED2106S06F. Pulse. R Q. Filter. VSS/COM. HIN 2. LEVEL. SHIFT. Generator. 1 VCC. LIN. Delay. Match. 4 COM. 13 VB. 2ED21064S06J. LIN 3. 6 COM. VSS 5

该数据表的模型线
文件文字版本
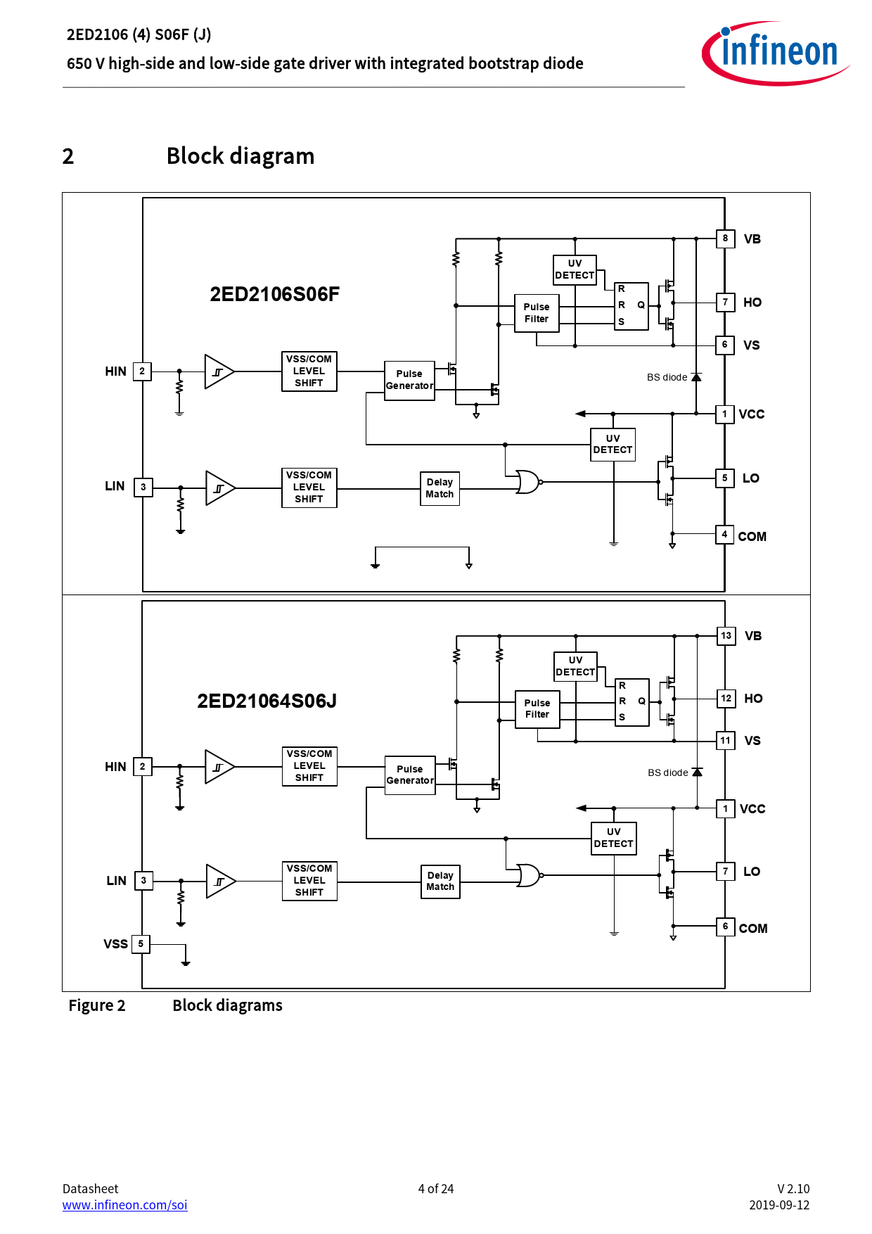
2ED2106 (4) S06F (J) 650 V high-side and low-side gate driver with integrated bootstrap diode 2 Block diagram
8 VB UV DETECT R 2ED2106S06F 7 Pulse R Q HO Filter S 6 VS VSS/COM HIN 2 LEVEL Pulse SHIFT
BS diode
Generator 1 VCC UV DETECT VSS/COM LIN 5 LO 3 Delay LEVEL Match SHIFT 4 COM 13 VB UV DETECT R 12 2ED21064S06J Pulse R Q HO Filter S 11 VS VSS/COM HIN 2 LEVEL Pulse SHIFT
BS diode
Generator 1 VCC UV DETECT VSS/COM 7 LO LIN 3 Delay LEVEL Match SHIFT 6 COM VSS 5
Figure 2 Block diagrams Datasheet 4 of 24 V 2.10 www.infineon.com/soi 2019-09-12 Document Outline Features Product summary Potential applications Product validation Ordering information Description 1 Table of contents 2 Block diagram 3 Pin configuration and functionality 3.1 Pin configuration 3.2 Pin functionality 4 Electrical parameters 4.1 Absolute maximum ratings 4.2 Recommended operating conditions 4.3 Static electrical characteristics 4.4 Dynamic electrical characteristics 5 Application information and additional details 5.1 IGBT / MOSFET gate drive 5.2 Switching and timing relationships 5.3 Matched propagation delays 5.4 Input logic compatibility 5.5 Undervoltage lockout 5.6 Bootstrap diode 5.7 Calculating the bootstrap capacitance CBS 5.8 Tolerant to negative tranisents on input pins 5.9 Negative voltage transient tolerance of VS pin 5.10 NTSOA – Negative Transient Safe Operating Area 5.11 Higher headroom for input to output signal transmission with logic operation upto -11 V 5.12 Maximum switching frequency 5.13 PCB layout tips 6 Qualification information0F 7 Related products 8 Package details 9 Part marking information 10 Additional documentation and resources 10.1 Infineon online forum resources 11 Revision history