Datasheet TB9045FNG-120 (Toshiba) - 8
| 制造商 | Toshiba |
| 描述 | DCDC Convertor & Multi Output Regulator |
| 页数 / 页 | 45 / 8 — DCDC2 |
| 文件格式/大小 | PDF / 767 Kb |
| 文件语言 | 英语 |
DCDC2

该数据表的模型线
文件文字版本
TB9045FNG-120
DCDC2
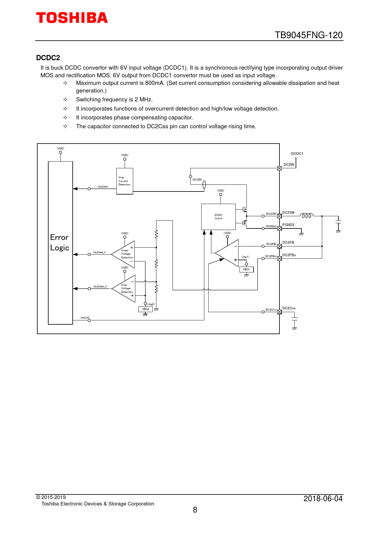
It is buck DCDC convertor with 6V input voltage (DCDC1). It is a synchronous rectifying type incorporating output driver MOS and rectification MOS. 6V output from DCDC1 convertor must be used as input voltage. Maximum output current is 800mA. (Set current consumption considering allowable dissipation and heat generation.) Switching frequency is 2 MHz. It incorporates functions of overcurrent detection and high/low voltage detection. It incorporates phase compensating capacitor. The capacitor connected to DC2Css pin can control voltage rising time. (VDD) DCDC1 (VDD) DC2IN Over (DC2IN) Current Detection (dc2idet) (VDD) DC2SW DCDC (DC2SW) Cotrol PGND2 (PGND2) (VDD) (VDD) Error DC2FB (DC2FB) Logic Under (dc2ldet_x) Voltage DC2FBs (DC2FBs) Detection (vbg1) (VDD) VBG1 (dc2hdet_x) Over Voltage Detection (vbg2) VBG2 DC2Css (DC2Css) (dc2ctl) © 2015-2019 2018-06-04 Toshiba Electronic Devices & Storage Corporation 8