Datasheet SiC476, SiC477, SiC478, SiC479 (Vishay) - 6

制造商Vishay
描述4.5 V to 55 V Input, 3 A, 5 A, 8 A, 12 A microBUCK DC/DC Converter
页数 / 页24 / 6 — SiC476, SiC477, SiC478, SiC479. FUNCTIONAL BLOCK DIAGRAM. Fig. 4 - …
文件格式/大小PDF / 956 Kb
文件语言英语

SiC476, SiC477, SiC478, SiC479. FUNCTIONAL BLOCK DIAGRAM. Fig. 4 - Functional Block Diagram. OPERATIONAL DESCRIPTION

SiC476, SiC477, SiC478, SiC479 FUNCTIONAL BLOCK DIAGRAM Fig 4 - Functional Block Diagram OPERATIONAL DESCRIPTION

该数据表的模型线

文件文字版本

SiC476, SiC477, SiC478, SiC479
www.vishay.com Vishay Siliconix
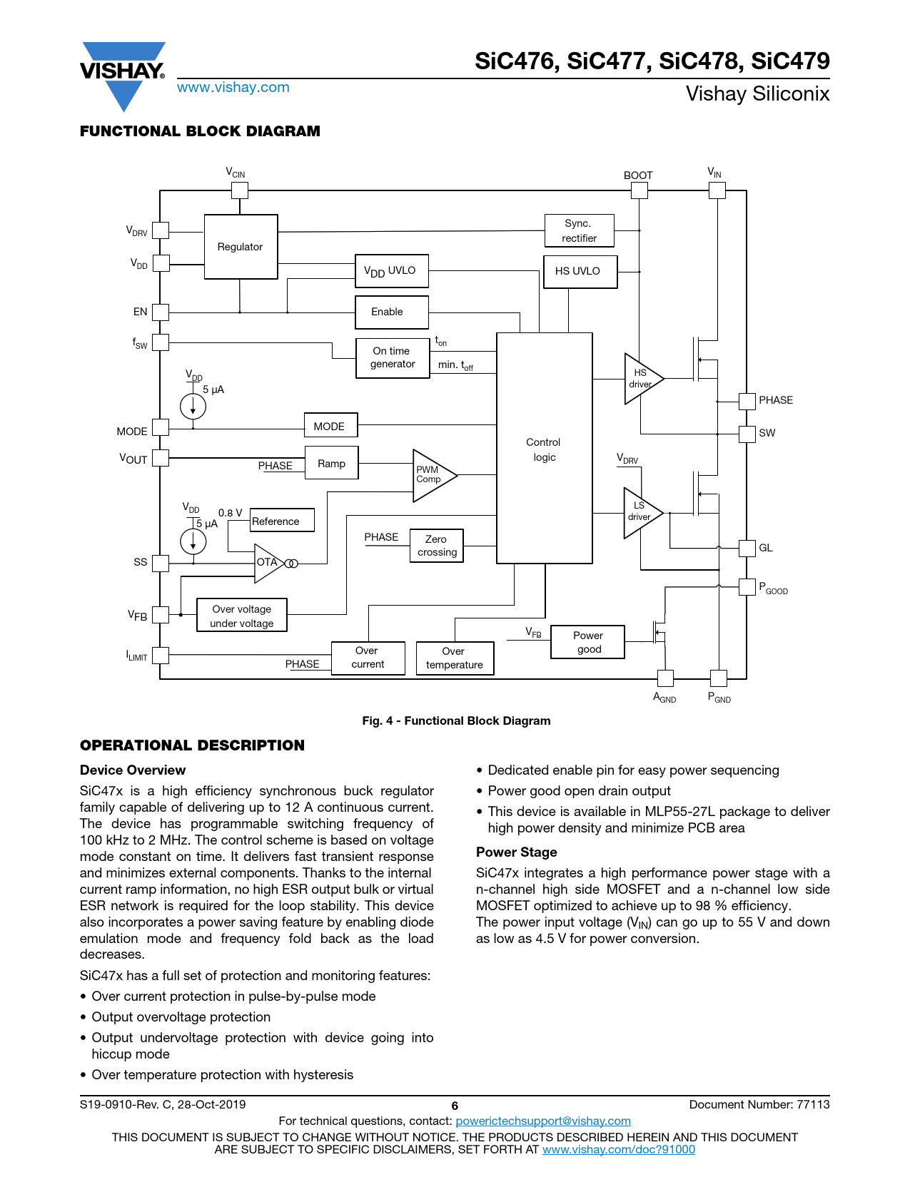
FUNCTIONAL BLOCK DIAGRAM
V V CIN BOOT IN Sync. VDRV rectifier Regulator VDD VDD UVLO HS UVLO EN Enable f t SW on On time generator min. toff V HS DD driver 5 μA PHASE MODE MODE SW Control VOUT logic V Ramp PHASE DRV PWM Comp V LS DD 0.8 V driver 5 μA Reference PHASE Zero GL crossing SS OTA PGOOD Over voltage VFB under voltage VFB Power Over Over good ILIMIT PHASE current temperature A P GND GND
Fig. 4 - Functional Block Diagram OPERATIONAL DESCRIPTION Device Overview
• Dedicated enable pin for easy power sequencing SiC47x is a high efficiency synchronous buck regulator • Power good open drain output family capable of delivering up to 12 A continuous current. • This device is available in MLP55-27L package to deliver The device has programmable switching frequency of high power density and minimize PCB area 100 kHz to 2 MHz. The control scheme is based on voltage mode constant on time. It delivers fast transient response
Power Stage
and minimizes external components. Thanks to the internal SiC47x integrates a high performance power stage with a current ramp information, no high ESR output bulk or virtual n-channel high side MOSFET and a n-channel low side ESR network is required for the loop stability. This device MOSFET optimized to achieve up to 98 % efficiency. also incorporates a power saving feature by enabling diode The power input voltage (VIN) can go up to 55 V and down emulation mode and frequency fold back as the load as low as 4.5 V for power conversion. decreases. SiC47x has a full set of protection and monitoring features: • Over current protection in pulse-by-pulse mode • Output overvoltage protection • Output undervoltage protection with device going into hiccup mode • Over temperature protection with hysteresis S19-0910-Rev. C, 28-Oct-2019
6
Document Number: 77113 For technical questions, contact: powerictechsupport@vishay.com THIS DOCUMENT IS SUBJECT TO CHANGE WITHOUT NOTICE. THE PRODUCTS DESCRIBED HEREIN AND THIS DOCUMENT ARE SUBJECT TO SPECIFIC DISCLAIMERS, SET FORTH AT www.vishay.com/doc?91000