Datasheet P9222-R (IDT) - 2
| 制造商 | IDT |
| 描述 | Wireless Power Receiver for Low Power Applications |
| 页数 / 页 | 52 / 2 — P9222-R Datasheet Figure 2. P9222-R Block and Application Diagram. VOUT … |
| 修订版 | 20190927 |
| 文件格式/大小 | PDF / 2.8 Mb |
| 文件语言 | 英语 |
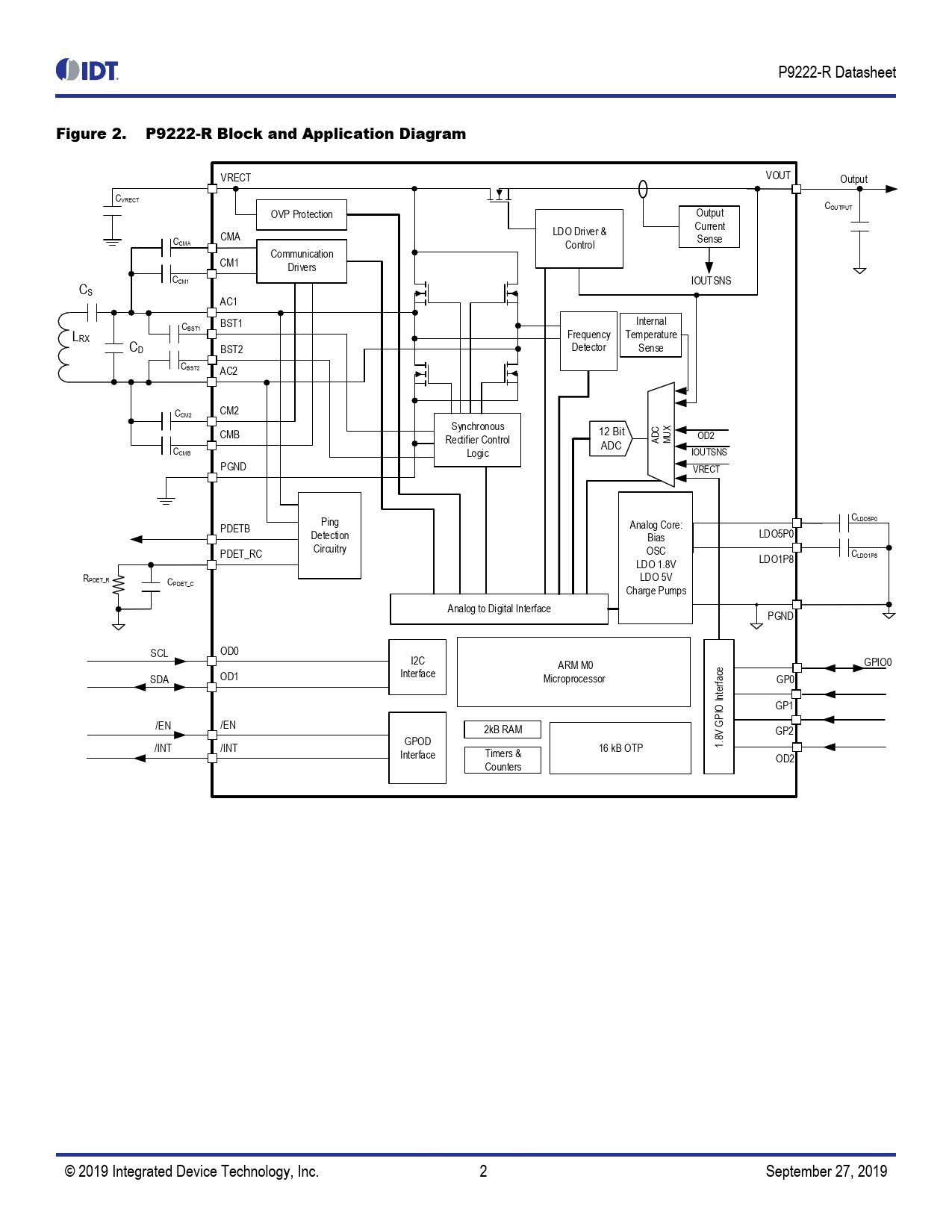
P9222-R Datasheet Figure 2. P9222-R Block and Application Diagram. VOUT VRECT. CVRECT CCMA CM1 Communication

该数据表的模型线
文件文字版本
P9222-R Datasheet Figure 2. P9222-R Block and Application Diagram
VOUT VRECT
CVRECT CCMA CM1 Communication
Drivers CCM1 CS IOUTSNS AC1
CBST1 CD BST1 Frequency
Detector BST2
CBST2 CCM2 Internal
Temperature
Sense AC2
CM2
Synchronous
Rectifier Control
Logic CMB
CCMB 12 Bit
ADC ADC
MUX LRX LDO Driver &
Control CMA PDETB
PDET_RC OD2 IOUTSNS PGND RPDET_R COU TPUT Output
Current
Sense OVP Protection Output VRECT Ping
Detection
Circuitry CLDO5P0 Analog Core:
Bias
OSC
LDO 1.8V
LDO 5V
Charge Pumps CPDET_C LDO5P0
LDO1P8 Analog to Digital Interface OD0 SDA OD1 /EN /EN /INT /INT © 2019 Integrated Device Technology, Inc. I2C
Interface GPOD
Interface PGND ARM M0
Microprocessor 2kB RAM Timers &
Counters 2 16 kB OTP 1.8V GPIO Interface SCL CLDO1P8 GPIO0
GP0
GP1
GP2
OD2 September 27, 2019