Datasheet TLP2108 (Toshiba) - 6
| 制造商 | Toshiba |
| 描述 | Photocouplers GaAℓAs Infrared LED & Photo IC |
| 页数 / 页 | 18 / 6 — TLP2108. 12. Test. Circuits. 12.1. Test. Circuits. Fig. 12.1.1. VOL. … |
| 文件格式/大小 | PDF / 513 Kb |
| 文件语言 | 英语 |
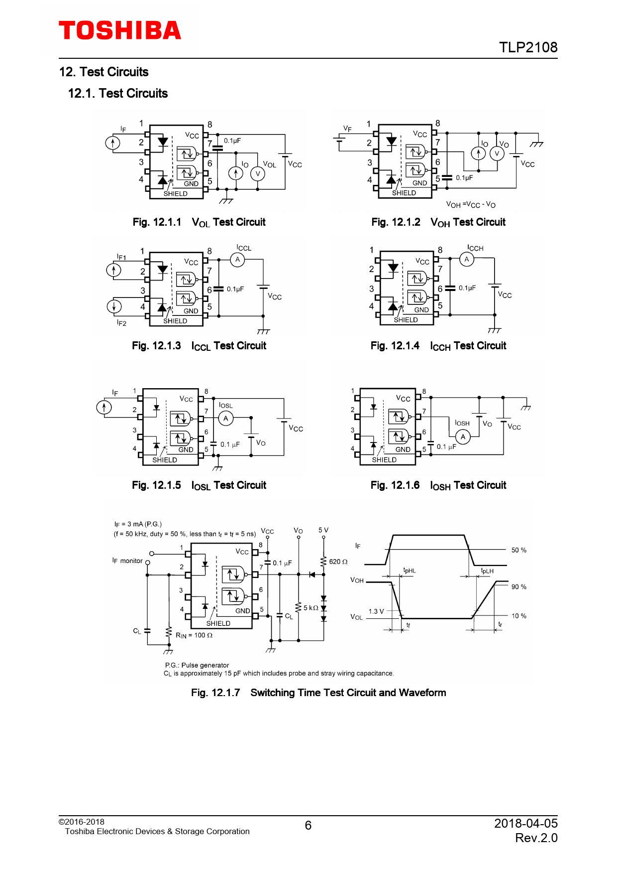
TLP2108. 12. Test. Circuits. 12.1. Test. Circuits. Fig. 12.1.1. VOL. Test. Circuit. Fig. 12.1.2. VOH. Test. Circuit. Fig. 12.1.3. ICCL. Test. Circuit. Fig. 12.1.4

该数据表的模型线
文件文字版本
TLP2108 12. Test Circuits 12.1. Test Circuits Fig. 12.1.1 VOL Test Circuit Fig. 12.1.2 VOH Test Circuit Fig. 12.1.3 ICCL Test Circuit Fig. 12.1.4 ICCH Test Circuit Fig. 12.1.5 IOSL Test Circuit Fig. 12.1.6 IOSH Test Circuit Fig. 12.1.7 Switching Time Test Circuit and Waveform ©2016-2018 6 2018-04-05 Toshiba Electronic Devices & Storage Corporation Rev.2.0