Datasheet SN54132, SN54LS132, SN54S132, SN74132, SN74LS132, SN74S132 (Texas Instruments) - 2
| 制造商 | Texas Instruments |
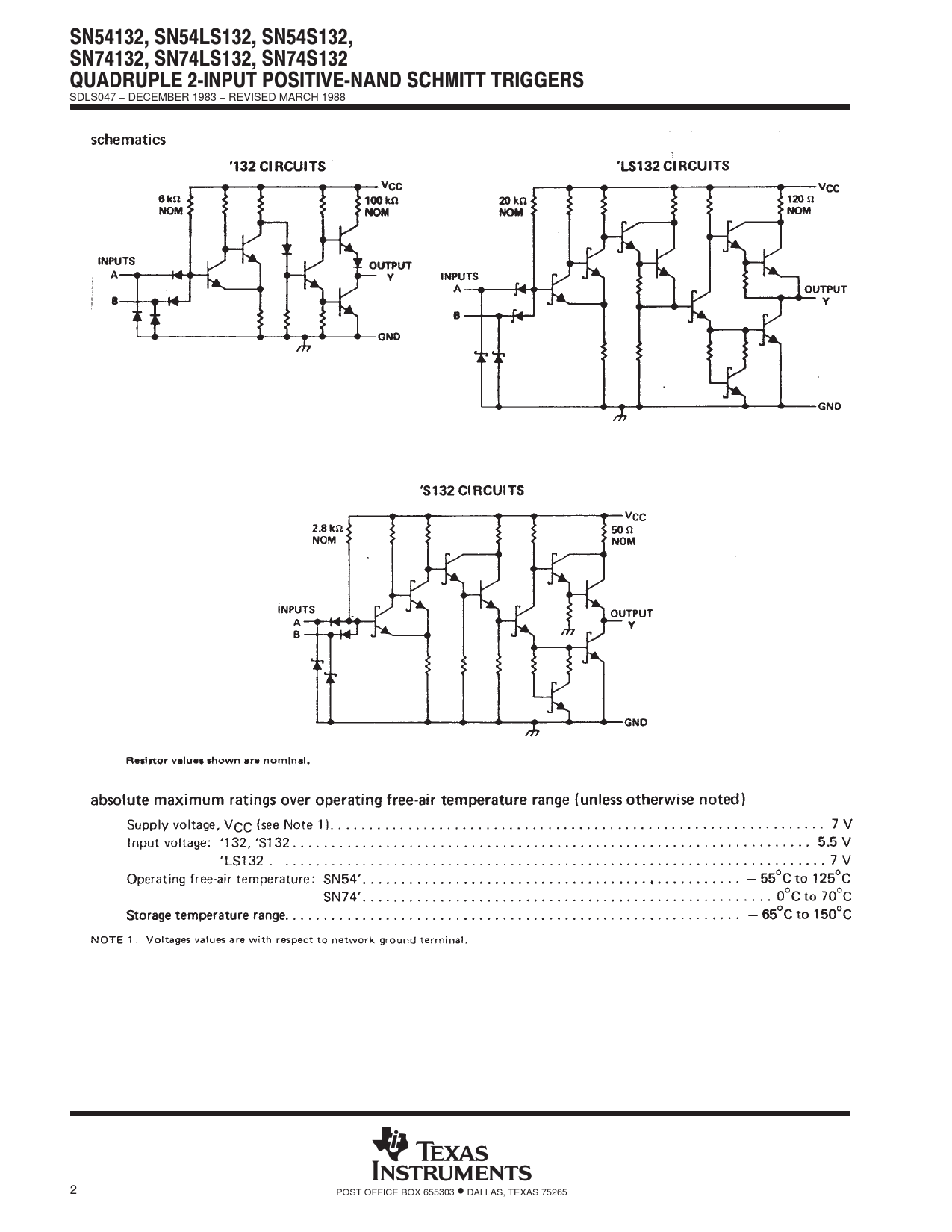
| 描述 | Quad 2-input positive-NAND Schmitt triggers |
| 页数 / 页 | 26 / 2 — SDLS047. −. DECEMBER. 1983. −. REVISED. MARCH. 1988. 2. POST. OFFICE. … |
| 文件格式/大小 | PDF / 1.2 Mb |
| 文件语言 | 英语 |
SDLS047. −. DECEMBER. 1983. −. REVISED. MARCH. 1988. 2. POST. OFFICE. BOX. 655303. •. DALLAS,. TEXAS. 75265

该数据表的模型线
文件文字版本
SDLS047 − DECEMBER 1983 − REVISED MARCH 1988 2 POST OFFICE BOX 655303 • DALLAS, TEXAS 75265