Datasheet LYTSwitch-6 (Power Integrations) - 2
| 制造商 | Power Integrations |
| 描述 | Flyback CV/CC LED Driver IC with Integrated High-Voltage Switch and FluxLink Feedback |
| 页数 / 页 | 36 / 2 — LYTSwitch-6. DRAIN. UNDER/OVER. PRIMARY BYPASS. (D). INPUT VOLTAGE (V). … |
| 文件格式/大小 | PDF / 3.2 Mb |
| 文件语言 | 英语 |
LYTSwitch-6. DRAIN. UNDER/OVER. PRIMARY BYPASS. (D). INPUT VOLTAGE (V). (BPP). REGULATOR. ENABLE. FAULT. AUTO-RESTART. PRIMARY. GATE. LINE. COUNTER

文件文字版本
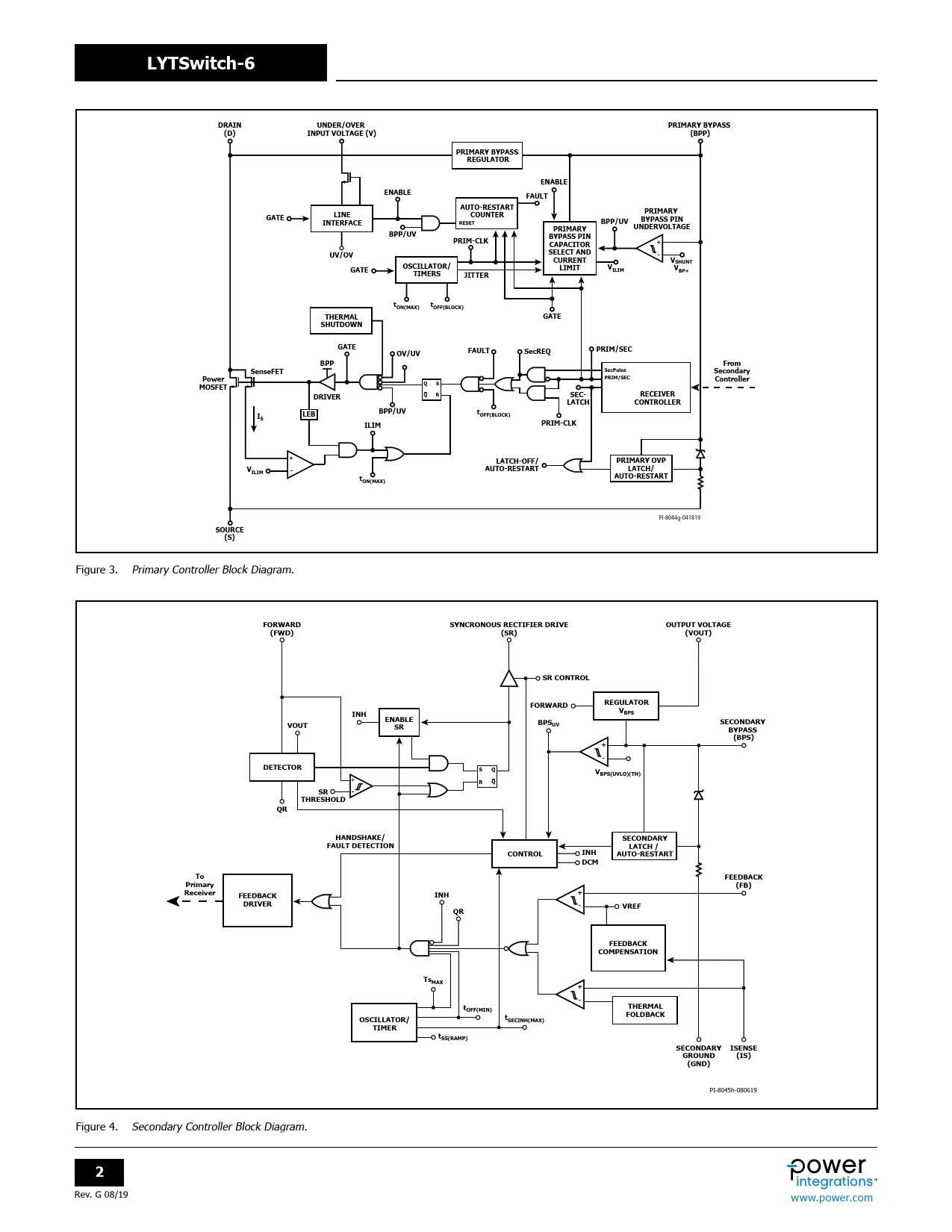
LYTSwitch-6 DRAIN UNDER/OVER PRIMARY BYPASS (D) INPUT VOLTAGE (V) (BPP) PRIMARY BYPASS REGULATOR ENABLE ENABLE FAULT AUTO-RESTART PRIMARY GATE LINE COUNTER BYPASS PIN INTERFACE RESET BPP/UV UNDERVOLTAGE PRIMARY BPP/UV PRIM-CLK BYPASS PIN + CAPACITOR UV/OV SELECT AND - CURRENT VSHUNT OSCILLATOR/ LIMIT V GATE V TIMERS ILIM JITTER BP+ tON(MAX) tOFF(BLOCK) THERMAL GATE SHUTDOWN GATE PRIM/SEC OV/UV FAULT SecREQ BPP From SecPulse SenseFET Secondary PRIM/SEC Power Controller Q S MOSFET Q R DRIVER SEC- RECEIVER LATCH CONTROLLER BPP/UV I t LEB OFF(BLOCK) S ILIM PRIM-CLK + LATCH-OFF/ PRIMARY OVP V AUTO-RESTART LATCH/ ILIM - t AUTO-RESTART ON(MAX)
PI-8044g-041819
SOURCE (S)
Figure 3. Primary Controller Block Diagram.
FORWARD SYNCRONOUS RECTIFIER DRIVE OUTPUT VOLTAGE (FWD) (SR) (VOUT) SR CONTROL FORWARD REGULATOR INH VBPS ENABLE BPS SECONDARY VOUT SR UV BYPASS (BPS) + - DETECTOR S Q VBPS(UVLO)(TH)
+
R Q SR THRESHOLD QR HANDSHAKE/ SECONDARY FAULT DETECTION LATCH / CONTROL INH AUTO-RESTART DCM To FEEDBACK Primary (FB) Receiver FEEDBACK INH + DRIVER - VREF QR FEEDBACK COMPENSATION TsMAX + - t THERMAL OFF(MIN) t FOLDBACK OSCILLATOR/ SECINH(MAX) TIMER tSS(RAMP) SECONDARY ISENSE GROUND (IS) (GND)
PI-8045h-080619 Figure 4. Secondary Controller Block Diagram.
2
Rev. G 08/19 www.power.com Document Outline Product Highlights Description Output Power Table LYTSwitch-6 Functional Description Primary Controller Secondary Controller Absolute Maximum Ratings Thermal Resistance Key Electrical Characteristics Typical Performance Curves InSOP-24D Package Drawing MSL Table ESD and Latch-Up Table Part Ordering Information