Datasheet IR3826 (Infineon) - 5
| 制造商 | Infineon |
| 描述 | OptiMOS™ IPOL 23 A single-voltage synchronous buck regulator |
| 页数 / 页 | 53 / 5 — IR 8. OptiMOS™ IPOL. 23 A single-voltage synchronous Buck regulator. … |
| 修订版 | 02_04 |
| 文件格式/大小 | PDF / 2.3 Mb |
| 文件语言 | 英语 |
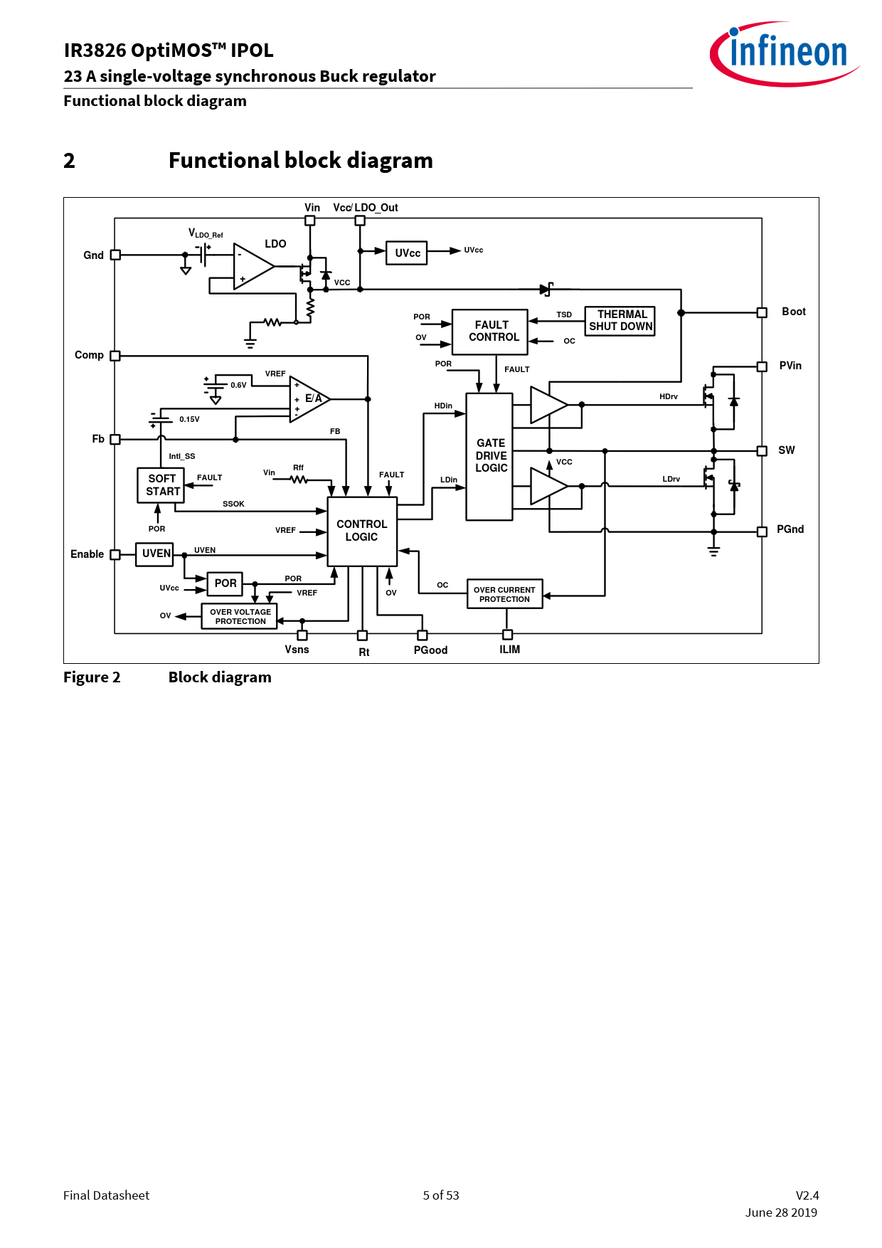
IR 8. OptiMOS™ IPOL. 23 A single-voltage synchronous Buck regulator. Functional block diagram. Vin. Vcc/ LDO_Out. VLDO_Ref. LDO. Gnd

该数据表的模型线
文件文字版本
IR 8 OptiMOS™ IPOL 23 A single-voltage synchronous Buck regulator Functional block diagram 2 Functional block diagram Vin Vcc/ LDO_Out VLDO_Ref LDO Gnd - UVcc UVcc + VCC Boot TSD POR THERMAL FAULT SHUT DOWN OV CONTROL OC Comp POR PVin FAULT VREF 0.6V + + E/A HDrv + HDin - 0.15V FB Fb GATE SW Intl_SS DRIVE VCC Rff LOGIC Vin SOFT FAULT FAULT LDin LDrv START SSOK CONTROL POR VREF PGnd LOGIC Enable UVEN UVEN POR POR UVcc OC VREF OV OVER CURRENT PROTECTION OVER VOLTAGE OV PROTECTION Vs ns Rt PGood ILIM Figure 2 Block diagram
Final Datasheet 5 of 53 V2.4 June 28 2019 Document Outline Revision History Trademarks Disclaimer