Datasheet HT45F5Q-3 (Holtek) - 8

制造商Holtek
描述Battery Charger Flash MCU
页数 / 页163 / 8 — HT45F5Q-3. Battery Charger Flash MCU. Block Diagram. Pin Assignment. …
文件格式/大小PDF / 2.7 Mb
文件语言英语

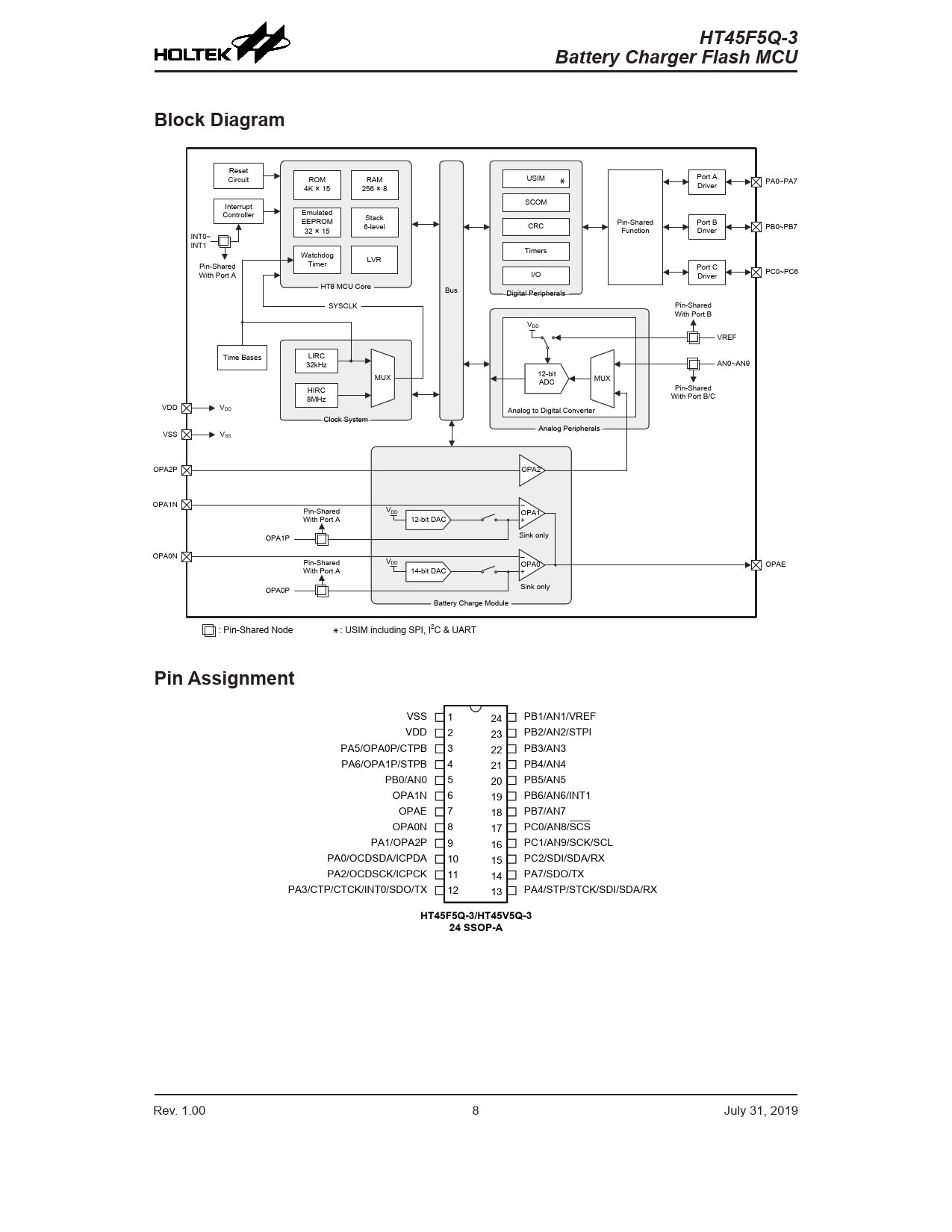
HT45F5Q-3. Battery Charger Flash MCU. Block Diagram. Pin Assignment. HT45F5Q-3/HT45V5Q-3. 24 SSOP-A

HT45F5Q-3 Battery Charger Flash MCU Block Diagram Pin Assignment HT45F5Q-3/HT45V5Q-3 24 SSOP-A

该数据表的模型线

文件文字版本

HT45F5Q-3 HT45F5Q-3 Battery Charger Flash MCU Battery Charger Flash MCU Block Diagram
Reset Circuit ROM RAM USIM Port A PA0~PA7 Driver 4K × 15 256 × 8 Interrupt SCOM Control er Emulated Stack EEPROM Pin-Shared Port B 6-level CRC 32 × 15 Function PB0~PB7 Driver INT0~ INT1 Timers Watchdog Pin-Shared Timer LVR Port C With Port A I/O PC0~PC6 Driver HT8 MCU Core Bus Digital Peripherals SYSCLK Pin-Shared With Port B VDD VREF Time Bases LIRC 32kHz AN0~AN9 MUX 12-bit MUX ADC Pin-Shared HIRC With Port B/C 8MHz VDD VDD Analog to Digital Converter Clock System Analog Peripherals VSS VSS OPA2P OPA2 OPA1N _ Pin-Shared VDD OPA1 + With Port A 12-bit DAC OPA1P Sink only OPA0N _ Pin-Shared VDD OPA0 OPAE + With Port A 14-bit DAC OPA0P Sink only Battery Charge Module : Pin-Shared Node : USIM including SPI, I2C & UART
Pin Assignment
VSS 1 24 PB1/AN1/VREF VDD 2 23 PB2/AN2/STPI PA5/OPA0P/CTPB 3 22 PB3/AN3 PA6/OPA1P/STPB 4 21 PB4/AN4 PB0/AN0 5 20 PB5/AN5 OPA1N 6 19 PB6/AN6/INT1 OPAE 7 18 PB7/AN7 OPA0N 8 17 PC0/AN8/SCS PA1/OPA2P 9 16 PC1/AN9/SCK/SCL PA0/OCDSDA/ICPDA 10 15 PC2/SDI/SDA/RX PA2/OCDSCK/ICPCK 11 14 PA7/SDO/TX PA3/CTP/CTCK/INT0/SDO/TX 12 13 PA4/STP/STCK/SDI/SDA/RX
HT45F5Q-3/HT45V5Q-3 24 SSOP-A
Rev. 1.00 8 July 31, 2019 Rev. 1.00 9 July 31, 2019 Document Outline Features CPU Features Peripheral Features General Description Block Diagram Pin Assignment Pin Description Absolute Maximum Ratings D.C. Characteristics Operating Voltage Characteristics Operating Current Characteristics Standby Current Characteristics A.C. Characteristics High Speed Internal Oscillator – HIRC – Frequency Accuracy Low Speed Internal Oscillator Characteristics – LIRC Operating Frequency Characteristic Curves System Start Up Time Characteristics Input/Output Characteristics Memory Characteristics LVR Electrical Characteristics A/D Converter Electrical Characteristics D/A Converter Electrical Characteristics Operational Amplifier Electrical Characteristics Software Controlled LCD Driver Electrical Characteristics Power-on Reset Characteristics System Architecture Clocking and Pipelining Program Counter Stack Arithmetic and Logic Unit – ALU Flash Program Memory Structure Special Vectors Look-up Table Table Program Example In Circuit Programming – ICP On-Chip Debug Support – OCDS Data Memory Structure General Purpose Data Memory Special Purpose Data Memory Special Function Register Description Indirect Addressing Registers – IAR0, IAR1 Memory Pointers – MP0, MP1 Bank Pointer – BP Accumulator – ACC Program Counter Low Register – PCL Look-up Table Registers – TBLP, TBHP, TBLH Status Register – STATUS Emulated EEPROM Data Memory Emulated EEPROM Data Memory Structure Emulated EEPROM Registers Erasing the Emulated EEPROM Writing Data to the Emulated EEPROM Reading Data from the Emulated EEPROM Programming Considerations Oscillators Oscillator Overview System Clock Configurations Internal High Speed RC Oscillator – HIRC Internal 32kHz Oscillator – LIRC Operating Modes and System Clocks System Clocks System Operation Modes Control Registers Operating Mode Switching Standby Current Considerations Wake-up Watchdog Timer Watchdog Timer Clock Source Watchdog Timer Control Register Watchdog Timer Operation Reset and Initialisation Reset Functions Reset Initial Conditions Input/Output Ports Pull-high Resistors Port A Wake-up I/O Port Control Registers Pin-shared Functions I/O Pin Structures READ PORT Function Programming Considerations Timer Modules – TM Introduction TM Operation TM Clock Source TM Interrupts TM External Pins Programming Considerations Compact Type TM – CTM Compact Type TM Operation Compact Type TM Register Description Compact Type TM Operation Modes Standard Type TM – STM Standard TM Operation Standard Type TM Register Description Standard Type TM Operation Modes Analog to Digital Converter A/D Converter Overview A/D Converter Register Description A/D Converter Data Registers – SADOL, SADOH A/D Converter Reference Voltage A/D Converter Input Signal A/D Converter Operation Conversion Rate and Timing Diagram Summary of A/D Conversion Steps Programming Considerations A/D Conversion Function A/D Conversion Programming Examples Battery Charge Module Battery Charge Module Registers Digital to Analog Converter Operational Amplifiers Universal Serial Interface Module – USIM SPI Interface I2C Interface UART Interface Software Controlled LCD Driver LCD Operation LCD Bias Current Control Cyclic Redundancy Check – CRC CRC Registers CRC Operation Interrupts Interrupt Registers Interrupt Operation External Interrupts Time Base Interrupts Multi-function Interrupts TM Interrupts A/D Converter Interrupt USIM Interrupt Interrupt Wake-up Function Programming Considerations Application Descriptions Introduction Functional Description Hardware Circuit Instruction Set Introduction Instruction Timing Moving and Transferring Data Arithmetic Operations Logical and Rotate Operation Branches and Control Transfer Bit Operations Table Read Operations Other Operations Instruction Set Summary Table Conventions Instruction Definition Package Information 24-pin SSOP (150mil) Outline Dimensions 28-pin SSOP (150mil) Outline Dimensions