Datasheet AP3917D (Diodes) - 2
| 制造商 | Diodes |
| 描述 | Universal AC High Voltage Step Down Power Switcher |
| 页数 / 页 | 12 / 2 — AP3917D. Typical Applications Circuit. R P. Pin Descriptions. W E. Pin … |
| 文件格式/大小 | PDF / 587 Kb |
| 文件语言 | 英语 |
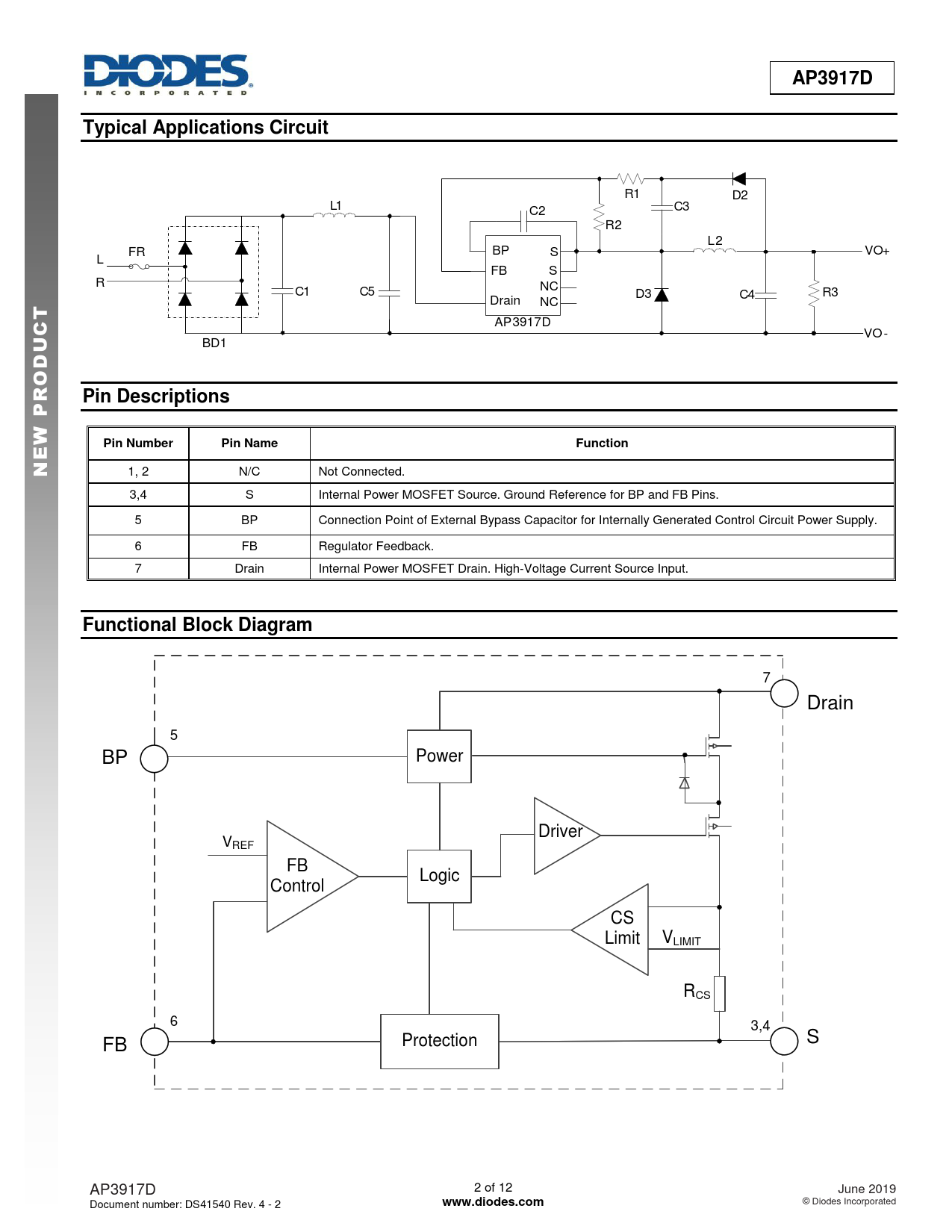
AP3917D. Typical Applications Circuit. R P. Pin Descriptions. W E. Pin Number. Pin Name. Function. Functional Block Diagram

该数据表的模型线
文件文字版本
AP3917D Typical Applications Circuit
R1 D2 L1 C3 C2 R2 L2 FR BP S VO+ L FB S R C1 C5 NC D3 C4 R3
T
Drain NC
C
AP3917D
U
VO - BD1
D O R P Pin Descriptions W E Pin Number Pin Name Function N
1, 2 N/C Not Connected. 3,4 S Internal Power MOSFET Source. Ground Reference for BP and FB Pins. 5 BP Connection Point of External Bypass Capacitor for Internally Generated Control Circuit Power Supply. 6 FB Regulator Feedback. 7 Drain Internal Power MOSFET Drain. High-Voltage Current Source Input.
Functional Block Diagram
7 Drain 5 BP Power Driver VREF FB Logic Control CS Limit VLIMIT RCS 6 3,4 Protection FB S AP3917D 2 of 12 June 2019 Document number: DS41540 Rev. 4 - 2
www.diodes.com
© Diodes Incorporated