Datasheet LA4183 (Sanyo) - 3
| 制造商 | Sanyo | 
| 描述 | 2.3 W 2-Channel AF Power Amplifier for Radio Cassette Players | 
| 页数 / 页 | 12 / 3 — LA4183. Sample Application Circuit 1: Stereo amplifier. Sample … | 
| 文件格式/大小 | PDF / 317 Kb | 
| 文件语言 | 英语 | 
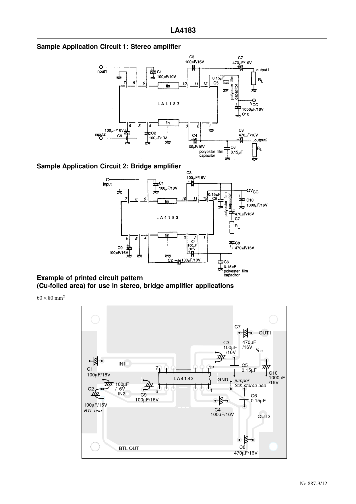
LA4183. Sample Application Circuit 1: Stereo amplifier. Sample Application Circuit 2: Bridge amplifier

该数据表的模型线
文件文字版本
LA4183 Sample Application Circuit 1: Stereo amplifier Sample Application Circuit 2: Bridge amplifier Example of printed circuit pattern (Cu-foiled area) for use in stereo, bridge amplifier applications
60 × 80 mm2 C7 OUT1 C3 470µF 100µF /16V V /16V CC IN1 C5 C1 7 12 0.15µF 100µF/16V C10 L A 4 1 8 3 GND 1000µF jumper 100µF /16V 2ch stereo use C2 /16V 6 1 IN2 C9 C6 100µF/16V 0.15µF 100µF/16V BTL use C4 100µF/16V OUT2 BTL OUT C8 470µF/16V No.887-3/12