Datasheet InnoSwitch3-MX (Power Integrations) - 2
| 制造商 | Power Integrations |
| 描述 | Off-Line Multiple Output QR Flyback Switcher IC with Integrated 650 V or 725 V Switch, Synchronous Rectification and FluxLink Feedback |
| 页数 / 页 | 16 / 2 — InnoSwitch3-MX. DRAIN. UNDER/OVER. PRIMARY BYPASS. (D). INPUT VOLTAGE … |
| 文件格式/大小 | PDF / 1.1 Mb |
| 文件语言 | 英语 |
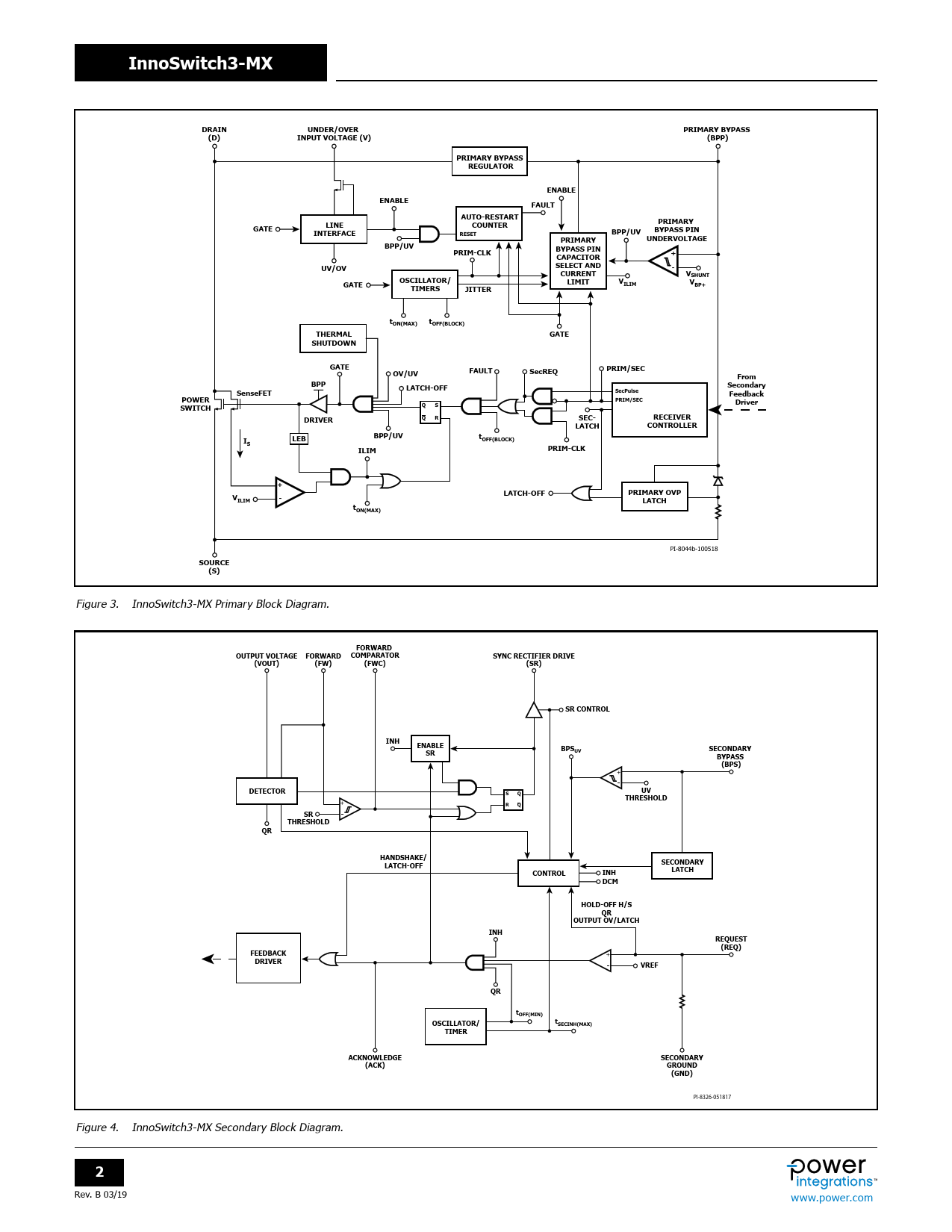
InnoSwitch3-MX. DRAIN. UNDER/OVER. PRIMARY BYPASS. (D). INPUT VOLTAGE (V). (BPP). REGULATOR. ENABLE. FAULT. AUTO-RESTART. PRIMARY. GATE. LINE

该数据表的模型线
文件文字版本
InnoSwitch3-MX DRAIN UNDER/OVER PRIMARY BYPASS (D) INPUT VOLTAGE (V) (BPP) PRIMARY BYPASS REGULATOR ENABLE ENABLE FAULT AUTO-RESTART PRIMARY GATE LINE COUNTER BYPASS PIN INTERFACE RESET BPP/UV UNDERVOLTAGE PRIMARY BPP/UV PRIM-CLK BYPASS PIN + CAPACITOR UV/OV SELECT AND - CURRENT VSHUNT OSCILLATOR/ LIMIT V GATE V TIMERS ILIM JITTER BP+ tON(MAX) tOFF(BLOCK) THERMAL GATE SHUTDOWN GATE PRIM/SEC OV/UV FAULT SecREQ From BPP LATCH-OFF Secondary SecPulse SenseFET Feedback POWER PRIM/SEC Driver SWITCH Q S DRIVER Q R SEC- RECEIVER LATCH CONTROLLER BPP/UV I t LEB OFF(BLOCK) S ILIM PRIM-CLK + LATCH-OFF PRIMARY OVP VILIM - LATCH tON(MAX)
PI-8044b-100518
SOURCE (S)
Figure 3. InnoSwitch3-MX Primary Block Diagram.
FORWARD OUTPUT VOLTAGE FORWARD COMPARATOR SYNC RECTIFIER DRIVE (VOUT) (FW) (FWC) (SR) SR CONTROL INH ENABLE BPSUV SECONDARY SR BYPASS (BPS)
+
DETECTOR UV S Q THRESHOLD
+
R Q SR THRESHOLD QR HANDSHAKE/ SECONDARY LATCH-OFF CONTROL INH LATCH DCM HOLD-OFF H/S QR OUTPUT OV/LATCH INH REQUEST (REQ) FEEDBACK
+
DRIVER VREF QR tOFF(MIN) t OSCILLATOR/ SECINH(MAX) TIMER ACKNOWLEDGE SECONDARY (ACK) GROUND (GND)
PI-8326-051817 Figure 4. InnoSwitch3-MX Secondary Block Diagram.
2
Rev. B 03/19 www.power.com Document Outline Product Highlights Description Output Power Table Pin Functional Description InnoSwitch3-MX Functional Description Absolute Maximum Ratings Thermal Resistance Key Electrical Characteristics InSOP-24D Package Drawing Part Ordering Information