Preliminary Datasheet CXT-741Gxx (Cissoid) - 4

制造商Cissoid
描述High Temperature Automotive Configurable Logic Gates
页数 / 页12 / 4 — May. 19. High Temperature Automotive Configurable Logic Gates. …
修订版1.0
文件格式/大小PDF / 332 Kb
文件语言英语

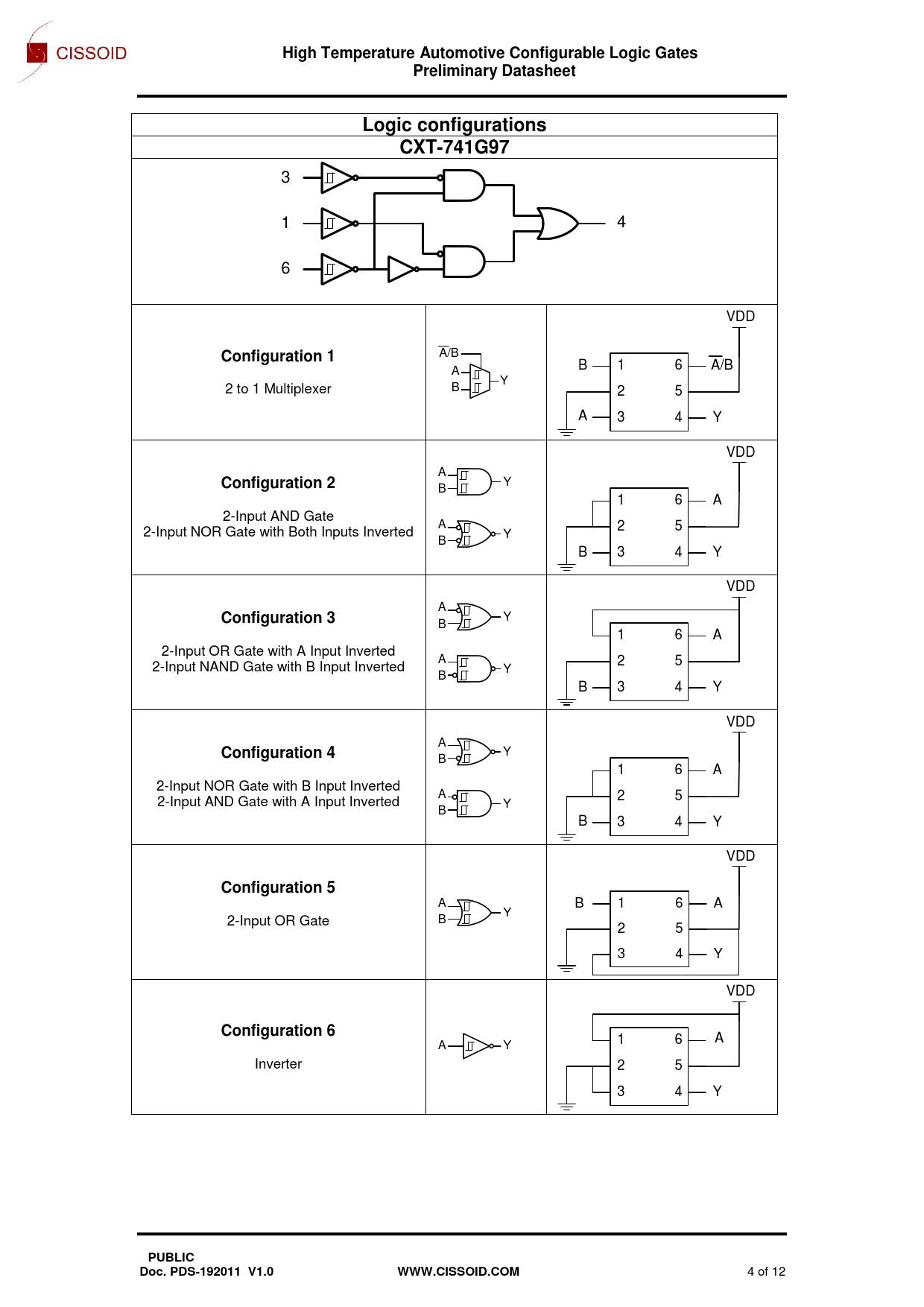
May. 19. High Temperature Automotive Configurable Logic Gates. Preliminary Datasheet. Logic configurations. CXT-741G97

May 19 High Temperature Automotive Configurable Logic Gates Preliminary Datasheet Logic configurations CXT-741G97

该数据表的模型线

文件文字版本

Contact : Gonzalo Picún (+32-10-489214)
May. 19 High Temperature Automotive Configurable Logic Gates Preliminary Datasheet Logic configurations CXT-741G97
3 1 4 6 VDD
Configuration 1
A/B B 1 6 A/B A Y 2 to 1 Multiplexer B 2 5 A 3 4 Y VDD A
Configuration 2
Y B 1 6 A 2-Input AND Gate A 2-Input NOR Gate with Both Inputs Inverted 2 5 Y B B 3 4 Y VDD A
Configuration 3
Y B 1 6 A 2-Input OR Gate with A Input Inverted A 2-Input NAND Gate with B Input Inverted 2 5 Y B B 3 4 Y VDD A
Configuration 4
Y B 1 6 A 2-Input NOR Gate with B Input Inverted A 2-Input AND Gate with A Input Inverted 2 5 Y B B 3 4 Y VDD
Configuration 5
A B 1 6 A Y 2-Input OR Gate B 2 5 3 4 Y VDD
Configuration 6
1 6 A A Y Inverter 2 5 3 4 Y
PUBLIC Doc. PDS-192011 V1.0 WWW.CISSOID.COM
4 of 12