Datasheet LTC3785-1 (Analog Devices) - 7
| 制造商 | Analog Devices |
| 描述 | 10V, High Efficiency, Buck-Boost Controller with Power Good |
| 页数 / 页 | 20 / 7 — BLOCK DIAGRAM |
| 文件格式/大小 | PDF / 224 Kb |
| 文件语言 | 英语 |
BLOCK DIAGRAM

该数据表的模型线
文件文字版本
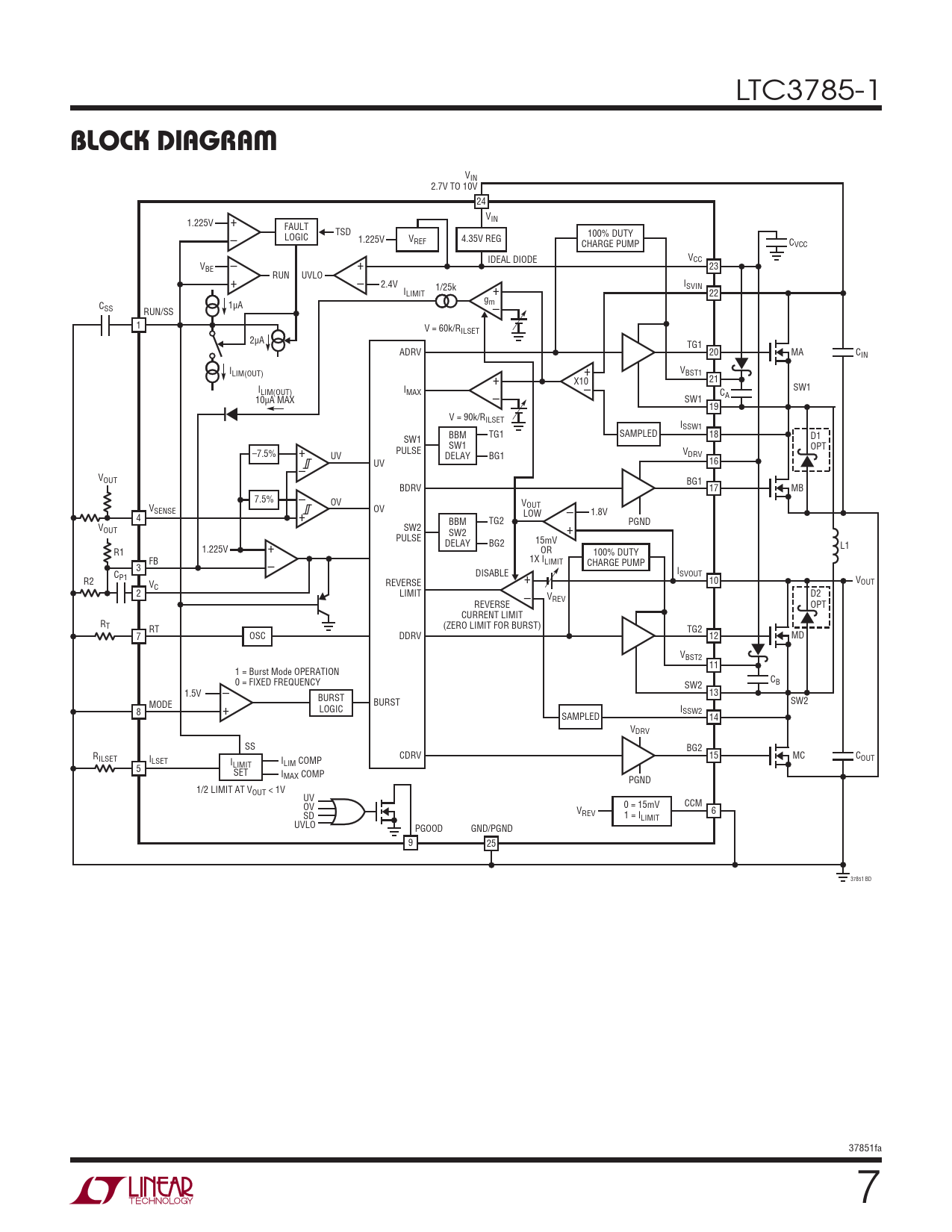
LTC3785-1
BLOCK DIAGRAM
VIN 2.7V TO 10V 24 V 1.225V + IN FAULT TSD 100% DUTY – LOGIC 1.225V VREF 4.35V REG CHARGE PUMP CVCC – IDEAL DIODE VCC VBE + 23 + RUN UVLO – 2.4V 1/25k ISVIN ILIMIT + 22 gm C 1μA SS RUN/SS – 1 V = 60k/RILSET 2μA TG1 ADRV 20 MA CIN ILIM(OUT) + VBST1 + X10 21 I SW1 LIM(OUT) IMAX – CA 10μA MAX – SW1 19 V = 90k/RILSET ISSW1 BBM TG1 SAMPLED 18 D1 SW1 SW1 OPT –7.5% PULSE V + UV DELAY BG1 DRV UV 16 – VOUT BG1 BDRV 17 MB 7.5% – OV VOUT – VSENSE OV LOW 1.8V 4 + BBM TG2 + PGND VOUT SW2 SW2 PULSE 15mV DELAY BG2 L1 1.225V + OR R1 100% DUTY FB 1X ILIMIT CHARGE PUMP 3 – C DISABLE + ISVOUT R2 P1 10 V V REVERSE OUT C 2 LIMIT – D2 VREV REVERSE OPT CURRENT LIMIT RT RT (ZERO LIMIT FOR BURST) TG2 7 OSC DDRV 12 MD VBST2 11 1 = Burst Mode OPERATION 0 = FIXED FREQUENCY CB – SW2 1.5V 13 BURST MODE SW2 BURST + LOGIC I 8 SSW2 SAMPLED 14 VDRV SS BG2 R CDRV 15 MC C ILSET ILSET I I OUT LIMIT LIM COMP 5 SET IMAX COMP PGND 1/2 LIMIT AT VOUT < 1V UV OV 0 = 15mV CCM V 6 SD REV 1 = ILIMIT UVLO PGOOD GND/PGND 9 25 37851 BD 37851fa 7