Datasheet LT8390A (Analog Devices) - 27
| 制造商 | Analog Devices |
| 描述 | 60V 2MHz Synchronous 4-Switch Buck-Boost Controller with Spread Spectrum |
| 页数 / 页 | 30 / 27 — PACKAGE DESCRIPTION. Please refer to … |
| 文件格式/大小 | PDF / 1.1 Mb |
| 文件语言 | 英语 |
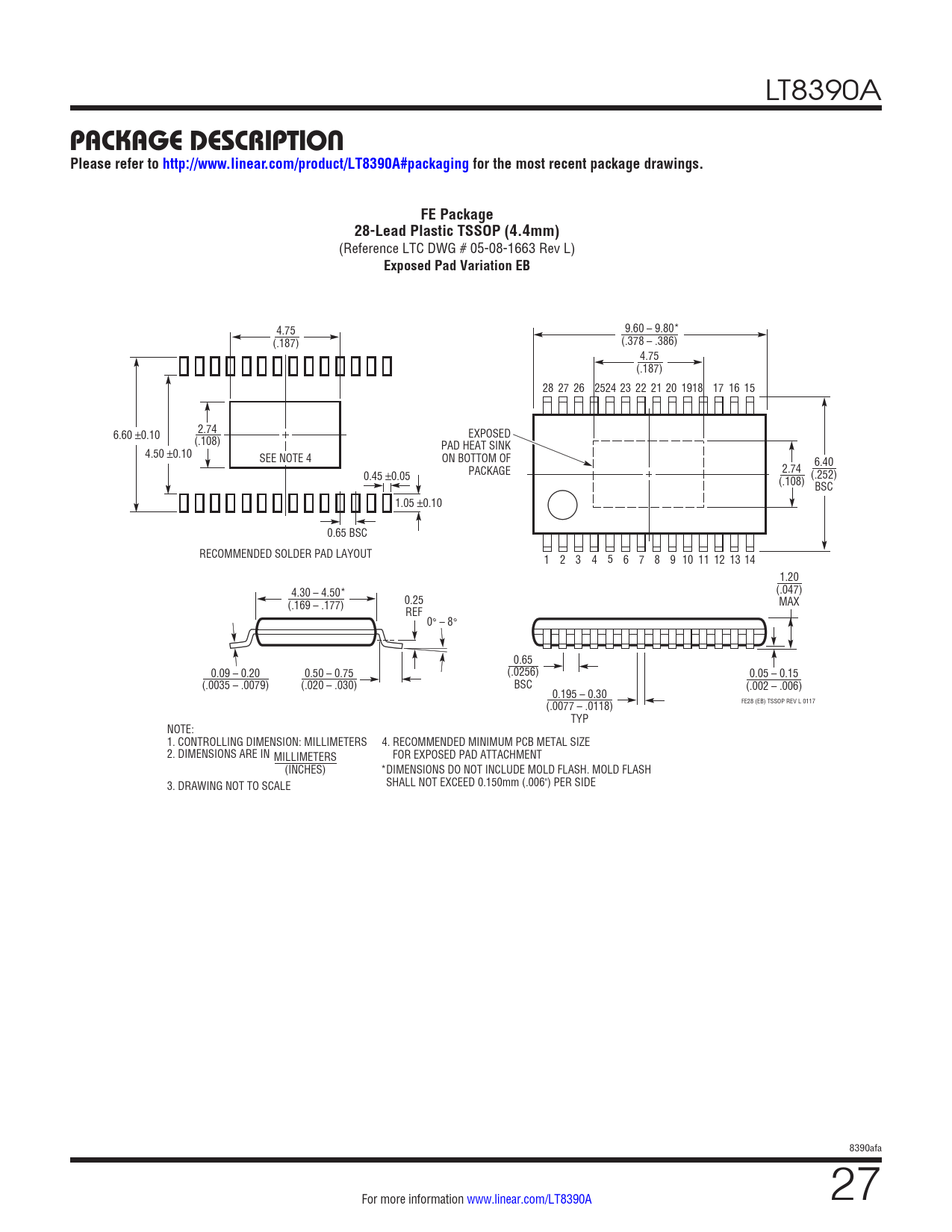
PACKAGE DESCRIPTION. Please refer to http://www.linear.com/product/LT8390A#packaging. for the most recent package drawings

该数据表的模型线
文件文字版本
LT8390A
PACKAGE DESCRIPTION Please refer to http://www.linear.com/product/LT8390A#packaging for the most recent package drawings. FE Package 28-Lead Plastic TSSOP (4.4mm)
(Reference LTC DWG # 05-08-1663 Rev L)
Exposed Pad Variation EB
4.75 9.60 – 9.80* (.187) (.378 – .386) 4.75 (.187) 28 27 26 2524 23 22 21 20 1918 17 16 15 6.60 ±0.10 2.74 EXPOSED (.108) PAD HEAT SINK 4.50 ±0.10 SEE NOTE 4 ON BOTTOM OF 6.40 PACKAGE 2.74 0.45 ±0.05 (.252) (.108) BSC 1.05 ±0.10 0.65 BSC RECOMMENDED SOLDER PAD LAYOUT 1 2 3 4 5 6 7 8 9 10 11 12 13 14 1.20 4.30 – 4.50* (.047) 0.25 (.169 – .177) MAX REF 0° – 8° 0.65 0.09 – 0.20 0.50 – 0.75 (.0256) 0.05 – 0.15 (.0035 – .0079) (.020 – .030) BSC (.002 – .006) 0.195 – 0.30 FE28 (EB) TSSOP REV L 0117 (.0077 – .0118) TYP NOTE: 1. CONTROLLING DIMENSION: MILLIMETERS 4. RECOMMENDED MINIMUM PCB METAL SIZE 2. DIMENSIONS ARE IN MILLIMETERS FOR EXPOSED PAD ATTACHMENT (INCHES) *DIMENSIONS DO NOT INCLUDE MOLD FLASH. MOLD FLASH SHALL NOT EXCEED 0.150mm (.006") PER SIDE 3. DRAWING NOT TO SCALE 8390afa For more information www.linear.com/LT8390A 27 Document Outline Features Applications Description Typical Application Absolute Maximum Ratings Order Information Electrical Characteristics Typical Performance Characteristics Pin Functions Block Diagram Operation Applications Information Typical Applications Package Description Typical Application Related Parts