Datasheet LTC3728L-1 (Analog Devices) - 9
| 制造商 | Analog Devices |
| 描述 | Dual, 550kHz, 2-Phase Synchronous Regulator |
| 页数 / 页 | 32 / 9 — FUNCTIONAL DIAGRAM. Figure 2 |
| 文件格式/大小 | PDF / 487 Kb |
| 文件语言 | 英语 |
FUNCTIONAL DIAGRAM. Figure 2

该数据表的模型线
文件文字版本
LTC3728L-1
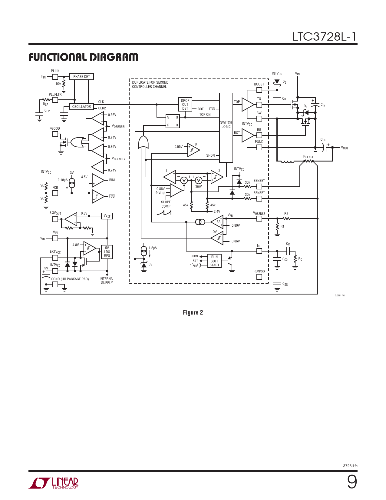
FUNCTIONAL DIAGRAM
PLLIN INTVCC VIN FIN PHASE DET D DUPLICATE FOR SECOND B 50k BOOST CONTROLLER CHANNEL PLLFLTR TG CB CLK1 DROP TOP + RLP OUT CIN OSCILLATOR D CLK2 1 C DET BOT FCB LP SW – 0.86V TOP ON S Q + SWITCH INTVCC V R Q OSENSE1 LOGIC PGOOD BG – BOT + 0.74V C PGND OUT B + – 0.86V 0.55V + VOUT + – SHDN RSENSE VOSENSE2 – INTV + CC INTV 0.74V I1 I2 CC 3V + – 4.5V – – + + – 0.18μA BINH – + SENSE+ + 30k R6 FCB 3mV 0.86V + 4(VFB) SENSE– FCB 30k R5 – SLOPE COMP 45k 45k 3.3V 2.4V OUT 0.8V VOSENSE R2 + VREF VFB – – EA + 0.80V R1 VIN OV + VIN – 0.86V 4.8V + C I C 5V TH 1.2μA EXTV – CC LDO REG SHDN RUN C R RST SOFT C2 C INTVCC 6V 4(VFB) START 5V + RUN/SS SGND (UH PACKAGE PAD) INTERNAL SUPPLY CSS 3728L1 F02
Figure 2
3728l1fc 9