Datasheet LTC3617 (Analog Devices) - 8
| 制造商 | Analog Devices |
| 描述 | ±6A Monolithic Synchronous Step-Down Regulator for DDR Termination |
| 页数 / 页 | 20 / 8 — Functional block DiagraM |
| 文件格式/大小 | PDF / 487 Kb |
| 文件语言 | 英语 |
Functional block DiagraM

该数据表的模型线
文件文字版本
LTC3617
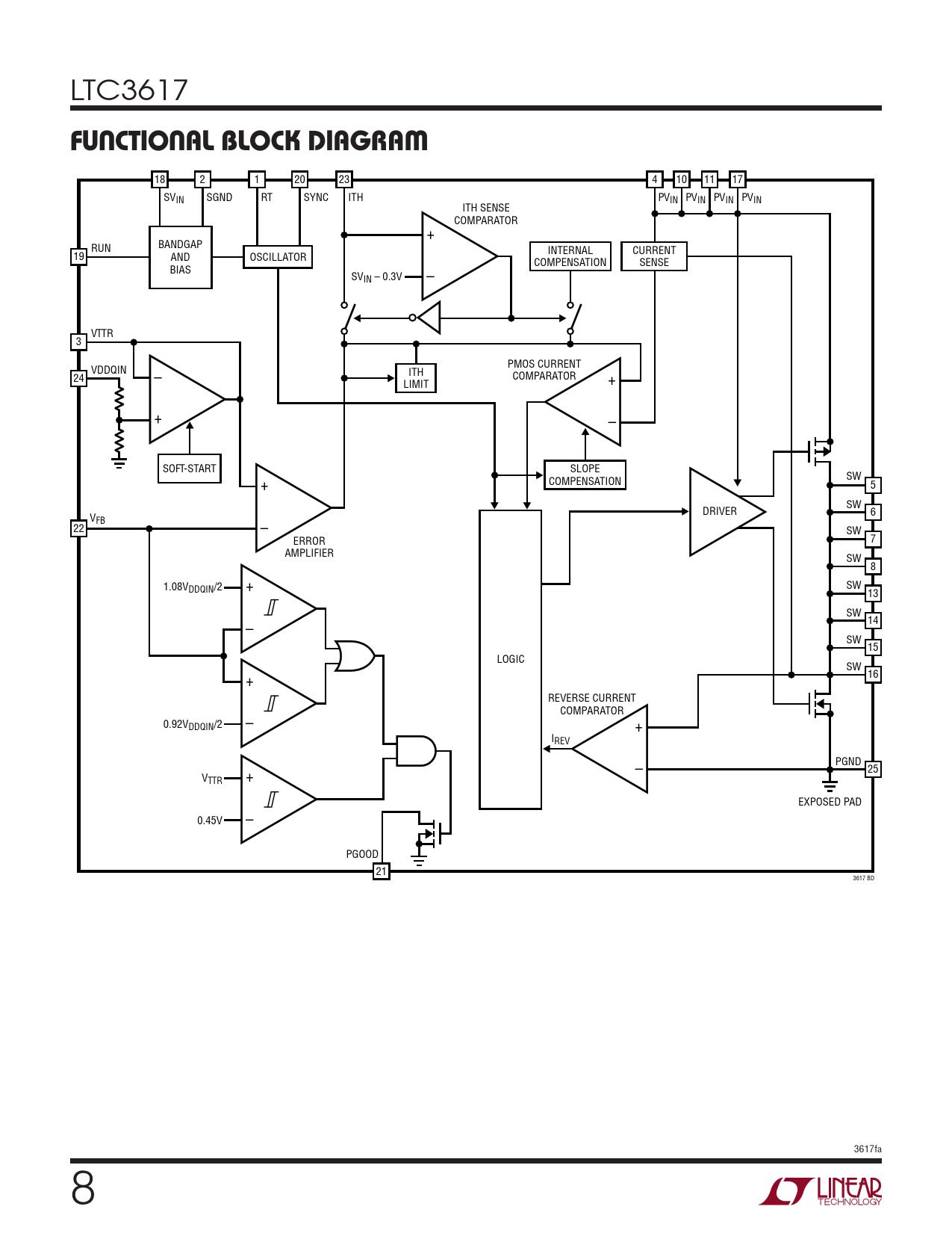
Functional block DiagraM
18 2 1 20 23 4 10 11 17 SVIN SGND RT SYNC ITH PVIN PVIN PVIN PVIN ITH SENSE COMPARATOR + BANDGAP RUN INTERNAL CURRENT 19 AND OSCILLATOR COMPENSATION SENSE BIAS SVIN – 0.3V – VTTR 3 VDDQIN – PMOS CURRENT ITH 24 COMPARATOR LIMIT + + – SOFT-START SLOPE + COMPENSATION SW 5 SW V DRIVER 6 FB 22 – SW ERROR 7 AMPLIFIER SW 8 1.08VDDQIN/2 + SW 13 SW – 14 SW 15 LOGIC SW + 16 REVERSE CURRENT COMPARATOR 0.92VDDQIN/2 – + IREV – PGND 25 VTTR + EXPOSED PAD 0.45V – PGOOD 21 3617 BD 3617fa 8 Document Outline Features Applications Description Typical Application Absolute Maximum Ratings Pin Configuration Order Information Electrical Characteristics Typical Performance Characteristics Pin Functions Functional Block Diagram Operation Applications Information Typical Applications Package Description Revision History Typical Application Related Parts