Datasheet LT1934, LT1934 (Analog Devices) - 6
| 制造商 | Analog Devices |
| 描述 | Micropower Step-Down Switching Regulators in ThinSOT |
| 页数 / 页 | 20 / 6 — BLOCK DIAGRAM |
| 文件格式/大小 | PDF / 245 Kb |
| 文件语言 | 英语 |
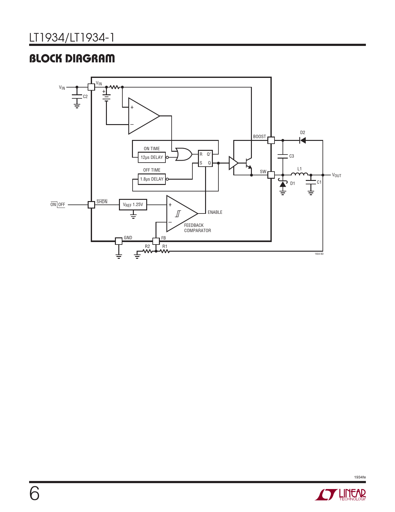
BLOCK DIAGRAM

该数据表的模型线
文件文字版本
LT1934/LT1934-1
BLOCK DIAGRAM
VIN VIN + C2 + – D2 BOOST ON TIME R Qa 12μs DELAY C3 S Q OFF TIME L1 SW VOUT 1.8μs DELAY C1 D1 SHDN ON OFF VREF 1.25V + ENABLE – FEEDBACK COMPARATOR GND FB R2 R1 1934 BD 1934fe 6