Datasheet LT1943 (Analog Devices) - 9
| 制造商 | Analog Devices |
| 描述 | High Current Quad Output Regulator for TFT LCD Panels |
| 页数 / 页 | 20 / 9 — BLOCK DIAGRA. Figure 1. Block Diagram |
| 文件格式/大小 | PDF / 278 Kb |
| 文件语言 | 英语 |
BLOCK DIAGRA. Figure 1. Block Diagram

该数据表的模型线
文件文字版本
LT1943
W BLOCK DIAGRA
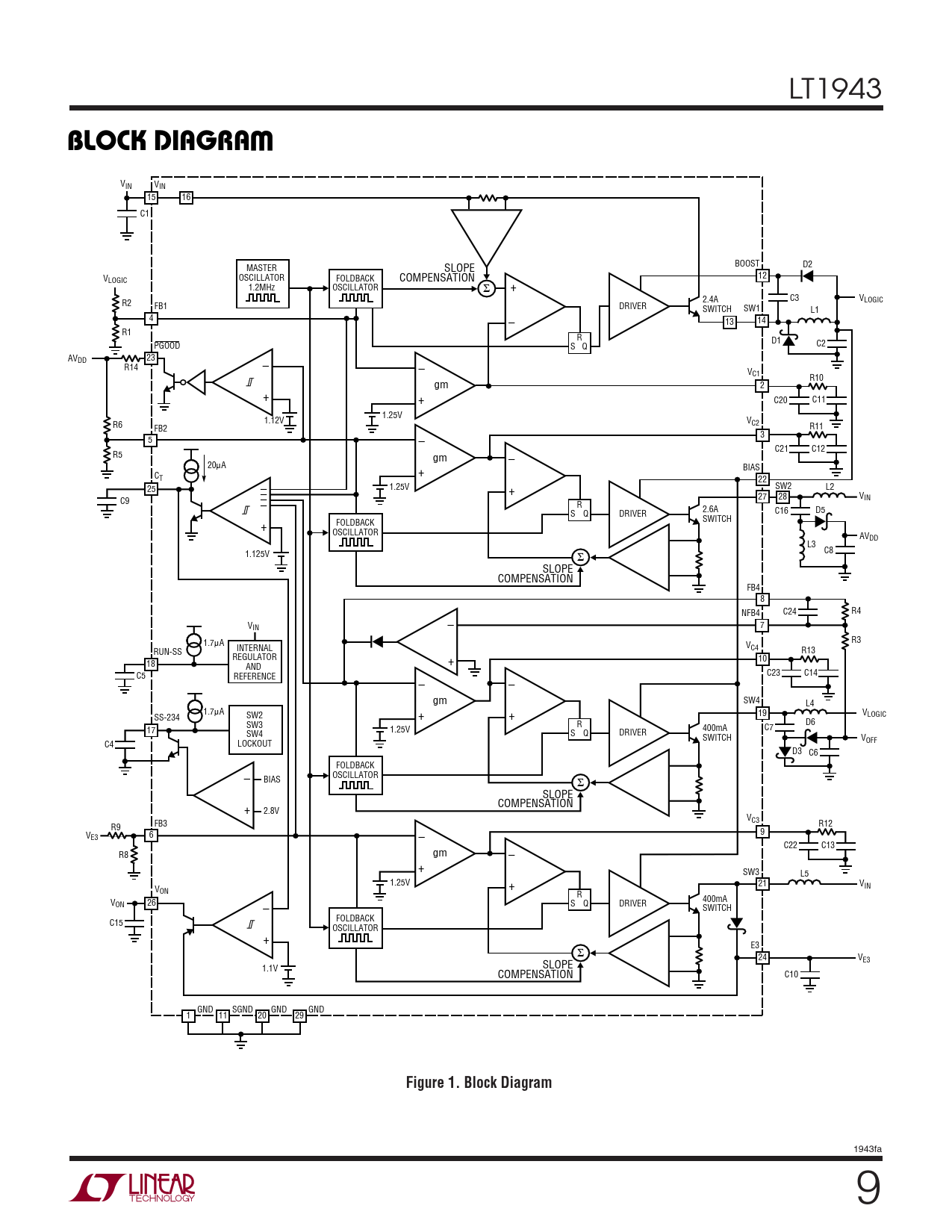
VIN VIN 15 16 C1 BOOST D2 MASTER SLOPE V OSCILLATOR FOLDBACK LOGIC COMPENSATION 12 1.2MHz OSCILLATOR Σ + 2.4A C3 VLOGIC R2 FB1 DRIVER SWITCH SW1 L1 4 – 13 14 R1 R D1 PGOOD S Q C2 AV 23 DD R14 – – VC1 R10 gm 2 + + C20 C11 1.25V 1.12V VC2 R6 FB2 R11 3 5 – C21 C12 R5 gm – 20µA + BIAS CT 22 25 – 1.25V + SW2 L2 – V C9 – 27 28 IN – R 2.6A S Q DRIVER C16 D5 SWITCH + FOLDBACK OSCILLATOR AVDD L3 C8 1.125V Σ SLOPE COMPENSATION FB4 8 NFB4 C24 R4 VIN – 7 1.7µA R3 V INTERNAL C4 RUN-SS R13 REGULATOR 18 + 10 AND C5 REFERENCE C23 C14 – – gm SW4 L4 1.7µA V SS-234 SW2 + + 19 LOGIC SW3 R D6 1.25V 400mA 17 C7 SW4 S Q DRIVER SWITCH VOFF C4 LOCKOUT D3 C6 FOLDBACK OSCILLATOR – BIAS Σ SLOPE COMPENSATION + 2.8V V FB3 C3 R9 R12 V 6 E3 – 9 C22 C13 R8 gm – + SW3 L5 1.25V V V + 21 IN ON R 400mA VON 26 S Q DRIVER – SWITCH FOLDBACK C15 OSCILLATOR + Σ E3 24 VE3 SLOPE 1.1V COMPENSATION C10 GND SGND GND GND 1 11 20 29
Figure 1. Block Diagram
1943fa 9