Datasheet LTC3445 (Analog Devices) - 9

制造商Analog Devices
描述I²C Controllable Buck Regulator with Two LDOs in a 4mm × 4mm QFN
页数 / 页24 / 9 — FU CTIO AL DIAGRA S. Figure 1
文件格式/大小PDF / 486 Kb
文件语言英语

FU CTIO AL DIAGRA S. Figure 1

FU CTIO AL DIAGRA S Figure 1

该数据表的模型线

文件文字版本

LTC3445
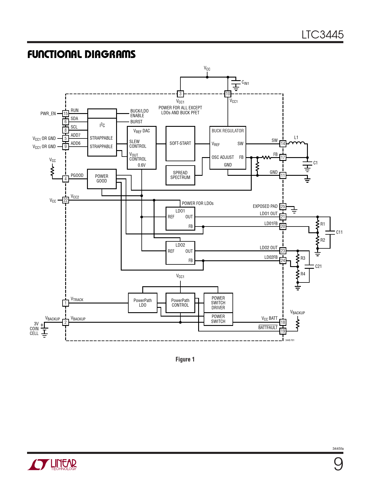
U U W FU CTIO AL DIAGRA S
VCC CIN1 3 10 V V CC1 CC1 POWER FOR ALL EXCEPT RUN BUCK/LDO PWR_EN 15 LDOs AND BUCK PFET ENABLE SDA 6 BURST SCL I2C 8 V BUCK REGULATOR REF DAC ADD7 V L1 CC1 OR GND 5 STRAPPABLE SW ADD6 SLEW SOFT-START V 14 REF SW VCC1 OR GND 9 STRAPPABLE CONTROL V FB OUT OSC ADJUST FB 17 VCC CONTROL C1 0.6V GND SPREAD GND PGOOD 11 POWER 4 SPECTRUM GOOD VCC2 V 22 CC POWER FOR LDOs EXPOSED PAD 25 LDO1 LDO1 OUT REF OUT 21 LD01FB R1 FB 20 C11 R2 LDO2 LDO2 OUT REF OUT 23 LD02FB R3 FB 24 C21 R4 VCC1 V POWER TRACK PowerPath PowerPath 1 SWITCH LDO CONTROL DRIVER VBACKUP V V POWER BACKUP BACKUP VCC BATT 2 SWITCH 18 3V + BATTFAULT COIN 19 CELL 3445 F01
Figure 1
3445fa 9