Datasheet LTC3562 (Analog Devices) - 8
| 制造商 | Analog Devices |
| 描述 | I2C Quad Synchronous Step-Down DC/DC Regulator 2 x 600mA, 2 x 400mA |
| 页数 / 页 | 20 / 8 — BLOCK DIAGRAM |
| 文件格式/大小 | PDF / 258 Kb |
| 文件语言 | 英语 |
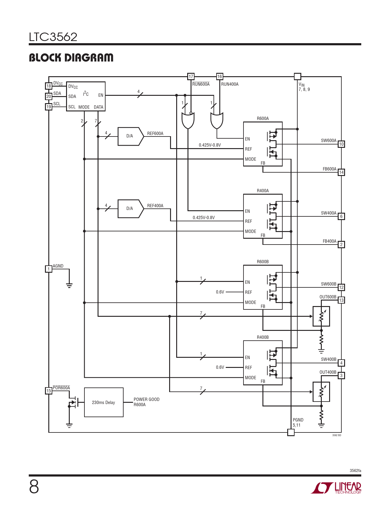
BLOCK DIAGRAM

该数据表的模型线
文件文字版本
LTC3562
BLOCK DIAGRAM
17 16 DVCC RUN600A 18 DV RUN400A VIN CC 7, 8, 9 4 SDA I2C 20 SDA EN 1 1 SCL 19 SCL MODE DATA R600A 2 7 4 REF600A D/A EN SW600A 0.425V-0.8V 10 REF MODE FB FB600A 14 R400A 4 REF400A D/A EN SW400A 0.425V-0.8V 6 REF MODE FB FB400A 2 R600B AGND 1 1 EN SW600B 12 0.6V REF OUT600B 13 MODE FB 7 R400B 1 EN SW400B 4 0.6V REF OUT400B MODE 3 FB POR600A 7 15 POWER GOOD 230ms Delay R600A PGND 5,11 3562 BD 3562fa 8