Datasheet LT3507 (Analog Devices) - 8
| 制造商 | Analog Devices |
| 描述 | Triple Monolithic Step-Down Regulator with LDO |
| 页数 / 页 | 30 / 8 — block DiaGraM. Figure 1. LT3507 Block Diagram with Typical External … |
| 文件格式/大小 | PDF / 395 Kb |
| 文件语言 | 英语 |
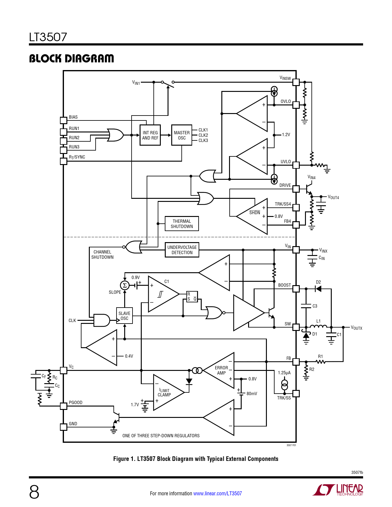
block DiaGraM. Figure 1. LT3507 Block Diagram with Typical External Components

该数据表的模型线
文件文字版本
LT3507
block DiaGraM
VINSW VIN1 + OVLO BIAS – RUN1 CLK1 INT REG MASTER CLK2 1.2V RUN2 AND REF OSC CLK3 RUN3 + RT/SYNC – UVLO VIN4 DRIVE VOUT4 + TRK/SS4 SHDN + 0.8V THERMAL SHUTDOWN – FB4 V UNDERVOLTAGE IN VINX CHANNEL DETECTION SHUTDOWN CIN + 0.9V + C1 – + D2 BOOST SLOPE R – S Q C3 SLAVE CLK OSC SW L1 VOUTX D1 + C1 – 0.4V R1 – FB VC ERROR – R2 AMP 1.25µA CF RC – + 0.8V CC ILIMIT + + 80mV CLAMP TRK/SS + PGOOD 1.7V + GND – ONE OF THREE STEP-DOWN REGULATORS 3507 F01
Figure 1. LT3507 Block Diagram with Typical External Components
3507fb 8 For more information www.linear.com/LT3507