Datasheet LTC3548A (Analog Devices) - 7
| 制造商 | Analog Devices |
| 描述 | Dual Synchronous 400mA/800mA, 2.25MHz Step-Down DC/DC Regulator |
| 页数 / 页 | 20 / 7 — BLOCK DIAGRAM |
| 文件格式/大小 | PDF / 255 Kb |
| 文件语言 | 英语 |
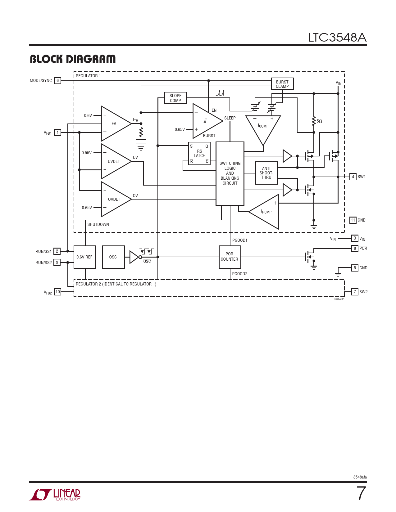
BLOCK DIAGRAM

该数据表的模型线
文件文字版本
LTC3548A
BLOCK DIAGRAM
REGULATOR 1 MODE/SYNC 6 BURST VIN CLAMP SLOPE COMP – EN 0.6V + I SLEEP – + TH 57 EA ICOMP 0.65V + V 1 FB1 – BURST S Q 0.55V – RS UV LATCH UVDET R Q SWITCHING + LOGIC ANTI AND SHOOT- THRU 4 BLANKING SW1 CIRCUIT + OV OVDET + 0.65V – IRCMP – 11 GND SHUTDOWN V 3 PGOOD1 IN VIN 8 POR RUN/SS1 2 POR 0.6V REF OSC COUNTER RUN/SS2 9 OSC 5 GND PGOOD2 REGULATOR 2 (IDENTICAL TO REGULATOR 1) V 10 7 SW2 FB2 3548A BD 3548afa 7