Datasheet LTC3388-1, LTC3388-3 (Analog Devices) - 10
| 制造商 | Analog Devices |
| 描述 | 20V High Efficiency Nanopower Step-Down Regulator |
| 页数 / 页 | 22 / 10 — BLOCK DIAGRAM |
| 文件格式/大小 | PDF / 381 Kb |
| 文件语言 | 英语 |
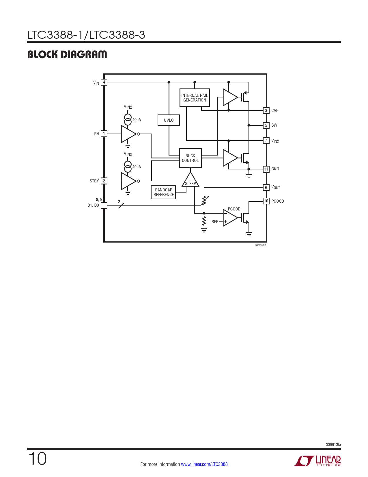
BLOCK DIAGRAM

该数据表的模型线
文件文字版本
LTC3388-1/LTC3388-3
BLOCK DIAGRAM
VIN 4 INTERNAL RAIL GENERATION VIN2 3 CAP 40nA UVLO 5 SW EN 1 7 VIN2 VIN2 BUCK CONTROL 40nA 11 GND STBY 2 SLEEP 6 V BANDGAP OUT REFERENCE 8, 9 2 10 PGOOD D1, D0 PGOOD – + REF 338813 BD 338813fa 10 For more information www.linear.com/LTC3388 Document Outline Features Applications Description Typical Application Absolute Maximum Ratings Pin Configuration Order Information Electrical Characteristics Typical Performance Characteristics Pin Functions Block Diagram Operation Applications Information Typical Application Related Parts