Datasheet LT3435 (Analog Devices) - 8

制造商Analog Devices
描述High Voltage 3A, 500kHz Step-Down Switching Regulator with 100µA Quiescent Current
页数 / 页24 / 8 — BLOCK DIAGRA. Figure 1. LT3435 Block Diagram
文件格式/大小PDF / 327 Kb
文件语言英语

BLOCK DIAGRA. Figure 1. LT3435 Block Diagram

BLOCK DIAGRA Figure 1 LT3435 Block Diagram

该数据表的模型线

文件文字版本

LT3435
W BLOCK DIAGRA
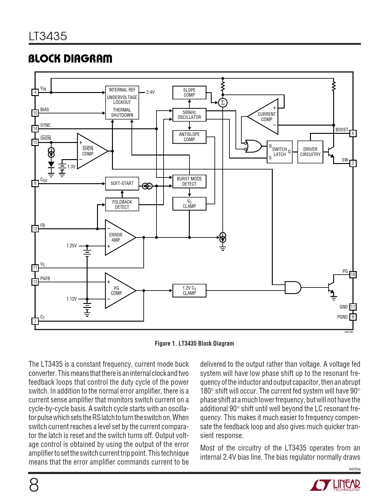
VIN INTERNAL REF SLOPE 4 2.4V COMP UNDERVOLTAGE LOCKOUT Σ + BIAS THERMAL 10 500kHz SHUTDOWN CURRENT OSCILLATOR COMP SYNC – 14 BOOST ANTISLOPE 6 SHDN COMP 15 + R SHDN SWITCH DRIVER COMP Q LATCH CIRCUITRY – S SW 2 1.3V CSS BURST MODE 9 SOFT-START DETECT FOLDBACK VC DETECT CLAMP FB 12 – ERROR AMP 1.25V + VC 11 PG 16 PGFB 13 + PG 1.2V CT COMP CLAMP 1.12V – GND 17 CT PGND 8 7 3435 BD
Figure 1. LT3435 Block Diagram
The LT3435 is a constant frequency, current mode buck delivered to the output rather than voltage. A voltage fed converter. This means that there is an internal clock and two system will have low phase shift up to the resonant fre- feedback loops that control the duty cycle of the power quency of the inductor and output capacitor, then an abrupt switch. In addition to the normal error amplifier, there is a 180° shift will occur. The current fed system will have 90° current sense amplifier that monitors switch current on a phase shift at a much lower frequency, but will not have the cycle-by-cycle basis. A switch cycle starts with an oscilla- additional 90° shift until well beyond the LC resonant fre- tor pulse which sets the RS latch to turn the switch on. When quency. This makes it much easier to frequency compen- switch current reaches a level set by the current compara- sate the feedback loop and also gives much quicker tran- tor the latch is reset and the switch turns off. Output volt- sient response. age control is obtained by using the output of the error Most of the circuitry of the LT3435 operates from an amplifier to set the switch current trip point. This technique internal 2.4V bias line. The bias regulator normally draws means that the error amplifier commands current to be 3435fa 8