Datasheet LT3641 (Analog Devices) - 9
| 制造商 | Analog Devices |
| 描述 | Dual Monolithic Buck Regulator with Power-On Reset and Watchdog Timer |
| 页数 / 页 | 28 / 9 — BLOCK DIAGRAM |
| 文件格式/大小 | PDF / 452 Kb |
| 文件语言 | 英语 |
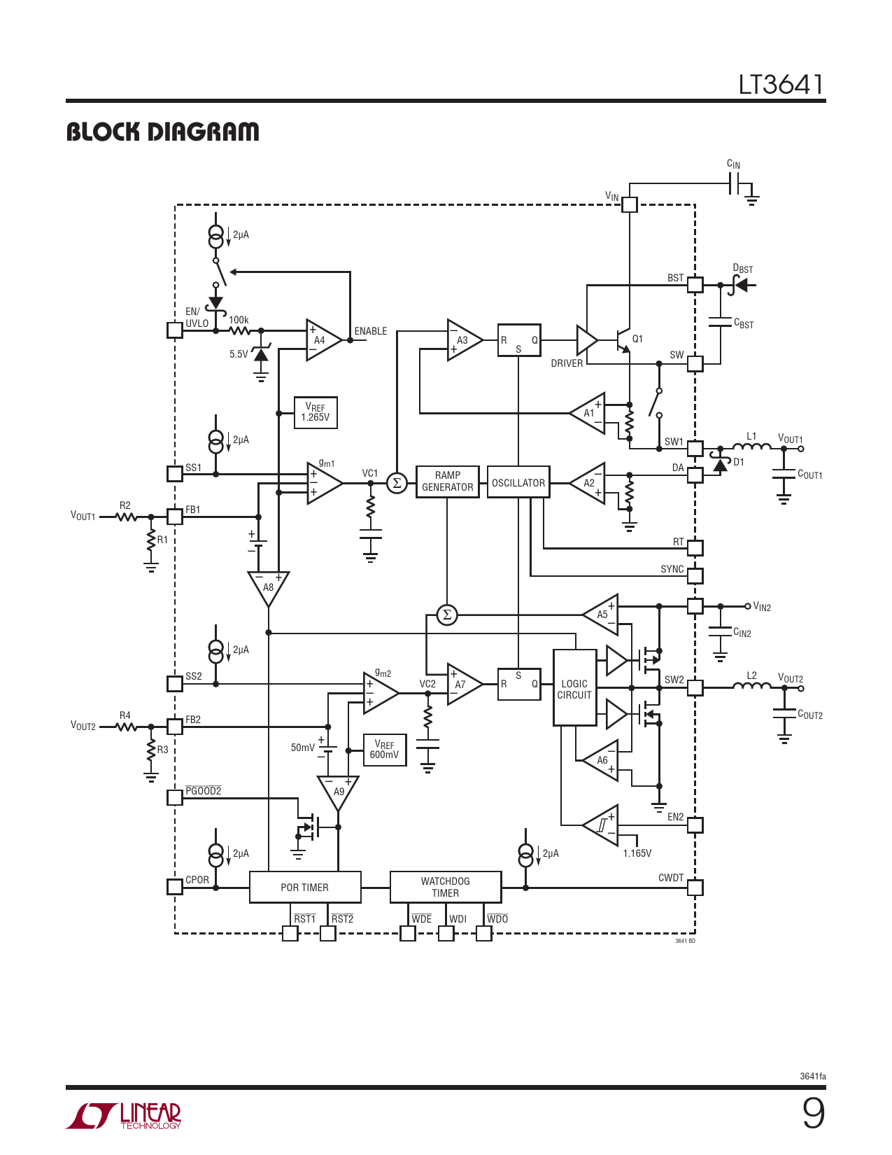
BLOCK DIAGRAM

该数据表的模型线
文件文字版本
LT3641
BLOCK DIAGRAM
CIN VIN 2μA DBST BST EN/ 100k UVLO CBST + ENABLE – A4 A3 R Q Q1 – + 5.5V S SW DRIVER V + REF A1 1.265V – L1 2μA SW1 VOUT1 g D1 SS1 m1 DA + VC1 RAMP – COUT1 – Σ OSCILLATOR A2 + GENERATOR + R2 FB1 VOUT1 + R1 RT – SYNC – + A8 + Σ VIN2 A5 – CIN2 2μA gm2 + SS2 S L2 V + VC2 SW2 OUT2 A7 R Q LOGIC – – + CIRCUIT R4 C FB2 OUT2 VOUT2 + VREF 50mV R3 600mV – – A6 + – + PGOOD2 A9 + EN2 – 2μA 2μA 1.165V CPOR WATCHDOG CWDT POR TIMER TIMER RST1 RST2 WDE WDI WDO 3641 BD 3641fa 9