Datasheet LT8606, LT8606B (Analog Devices) - 10
| 制造商 | Analog Devices | 
| 描述 | 42V, 350mA Synchronous Step-Down Regulator with 2.5μA Quiescent Current | 
| 页数 / 页 | 24 / 10 — BLOCK DIAGRAM | 
| 修订版 | C | 
| 文件格式/大小 | PDF / 1.8 Mb | 
| 文件语言 | 英语 | 
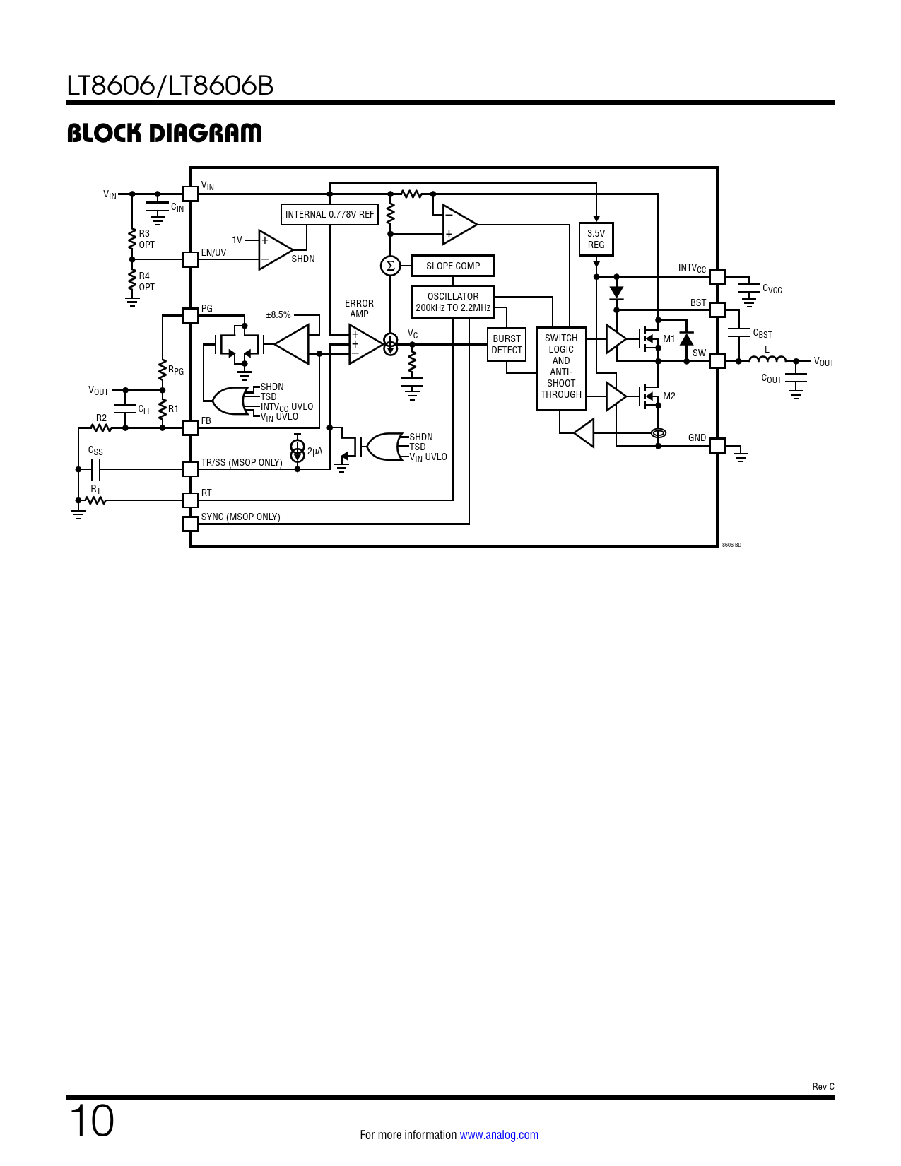
BLOCK DIAGRAM

该数据表的模型线
文件文字版本
LT8606/LT8606B
BLOCK DIAGRAM
VIN VIN CIN – INTERNAL 0.778V REF + R3 3.5V 1V + OPT REG EN/UV – SHDN SLOPE COMP INTVCC R4 OPT C OSCILLATOR VCC ERROR PG 200kHz TO 2.2MHz BST ±8.5% AMP + V C + C BURST SWITCH M1 BST – DETECT LOGIC SW L AND VOUT RPG ANTI- COUT SHOOT SHDN VOUT TSD THROUGH M2 INTV CFF R1 CC UVLO R2 VIN UVLO FB SHDN GND TSD CSS 2µA VIN UVLO TR/SS (MSOP ONLY) RT RT SYNC (MSOP ONLY) 8606 BD Rev C 10 For more information www.analog.com Document Outline FEATURES DESCRIPTION APPLICATIONS TYPICAL APPLICATION ABSOLUTE MAXIMUM RATINGS PIN CONFIGURATION ORDER INFORMATION ELECTRICAL CHARACTERISTICS TYPICAL PERFORMANCE CHARACTERISTICS PIN FUNCTIONS BLOCK DIAGRAM OPERATION APPLICATIONS INFORMATION TYPICAL APPLICATIONS PACKAGE DESCRIPTION REVISION HISTORY TYPICAL APPLICATION RELATED PARTS