Datasheet LTC7800 (Analog Devices) - 10

制造商Analog Devices
描述Low IQ , 60V, High Frequency Synchronous Step-Down Controller
页数 / 页32 / 10 — FUNCTIONAL DIAGRAM
文件格式/大小PDF / 1.3 Mb
文件语言英语

FUNCTIONAL DIAGRAM

FUNCTIONAL DIAGRAM

该数据表的模型线

文件文字版本

LTC7800
FUNCTIONAL DIAGRAM
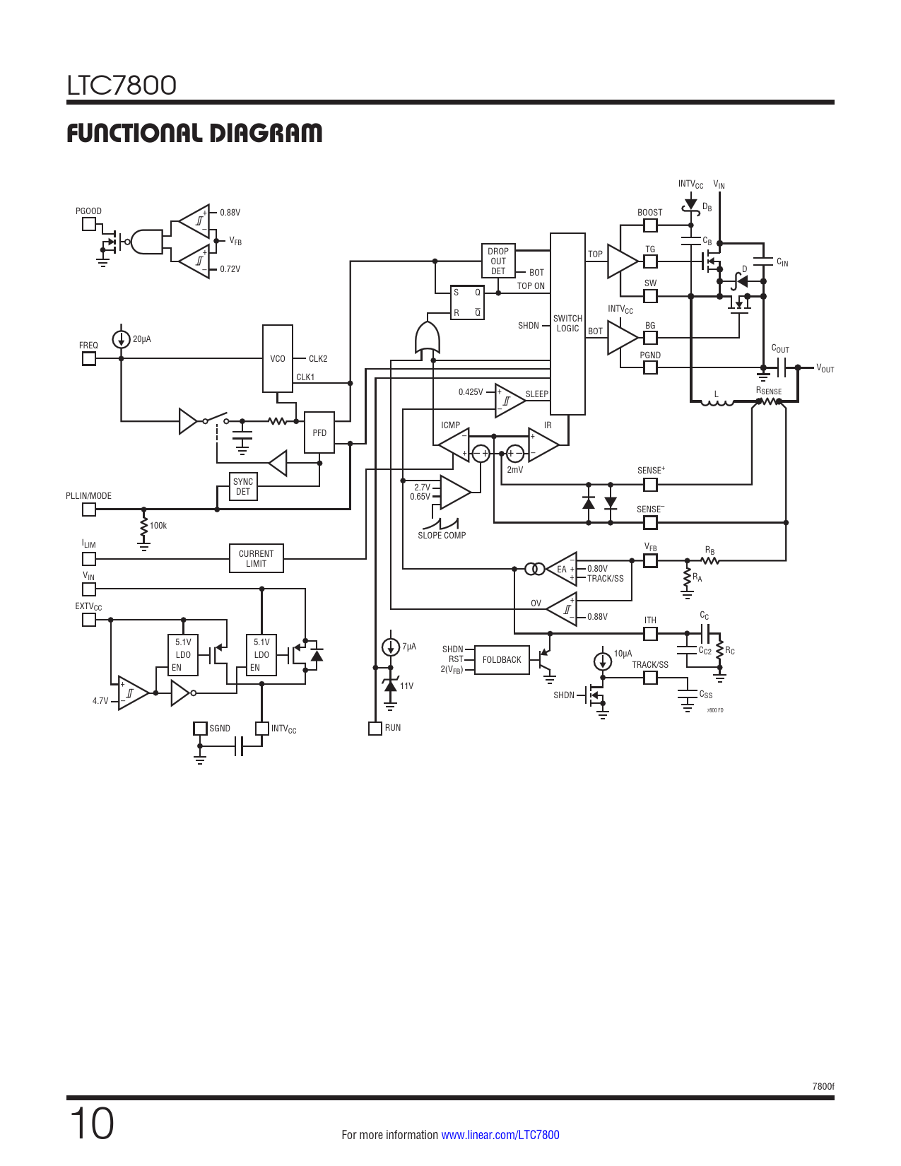
INTVCC VIN + D PGOOD 0.88V BOOST B – VFB CB + DROP TG TOP OUT C – IN 0.72V DET D BOT SW TOP ON S Q INTV R Q CC SWITCH SHDN BG LOGIC BOT 20µA FREQ COUT PGND VCO CLK2 VOUT CLK1 + R 0.425V SENSE SLEEP L – ICMP IR – PFD + + – – + + – 2mV SENSE+ SYNC 2.7V PLLIN/MODE DET 0.65V SENSE– 100k SLOPE COMP ILIM VFB CURRENT – RB LIMIT + EA + 0.80V VIN TRACK/SS RA + EXTV OV CC – 0.88V CC ITH 5.1V 5.1V 7µA SHDN CC2 RC LDO LDO 10µA RST FOLDBACK TRACK/SS EN EN 2(VFB) + 11V – SHDN CSS 4.7V 7800 FD SGND INTV RUN CC 7800f 10 For more information www.linear.com/LTC7800 Document Outline Features Applications Description Typical Application Absolute Maximum Ratings Pin Configuration Electrical Characteristics Typical Performance Characteristics Pin Functions FUNCTIONAL Diagram Operation Applications Information Typical Application Related Parts