Datasheet LT1512 (Analog Devices) - 6
| 制造商 | Analog Devices |
| 描述 | SEPIC Constant-Current/Constant-Voltage Battery Charger |
| 页数 / 页 | 14 / 6 — block DiagraM. Figure 2 |
| 文件格式/大小 | PDF / 211 Kb |
| 文件语言 | 英语 |
block DiagraM. Figure 2

该数据表的模型线
文件文字版本
LT1512
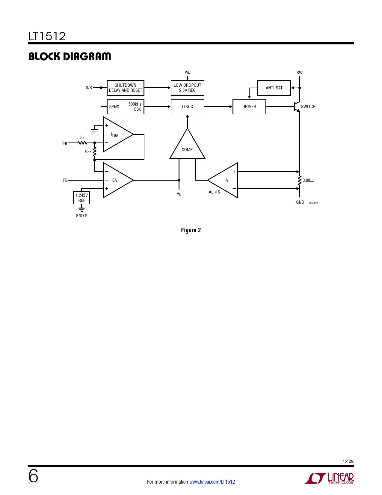
block DiagraM
VIN SW S/S SHUTDOWN LOW DROPOUT DELAY AND RESET 2.3V REG ANTI-SAT 500kHz SYNC LOGIC DRIVER OSC SWITCH + IFBA 5k IFB – 62k COMP – + – FB EA IA 0.08Ω + – V A 1.245V C V ≈ 6 REF GND 1512 F02 GND S
Figure 2
1512fc 6 For more information www.linear.com/LT1512 Document Outline Description Typical Application Absolute Maximum Ratings Pin Configuration Electrical Characteristics Typical Performance Characteristics Pin Functions Block Diagram Operation Applications Information Typical Application Related Parts