Datasheet LT1505 (Analog Devices) - 9
| 制造商 | Analog Devices |
| 描述 | Constant-Current/Voltage High Efficiency Battery Charger |
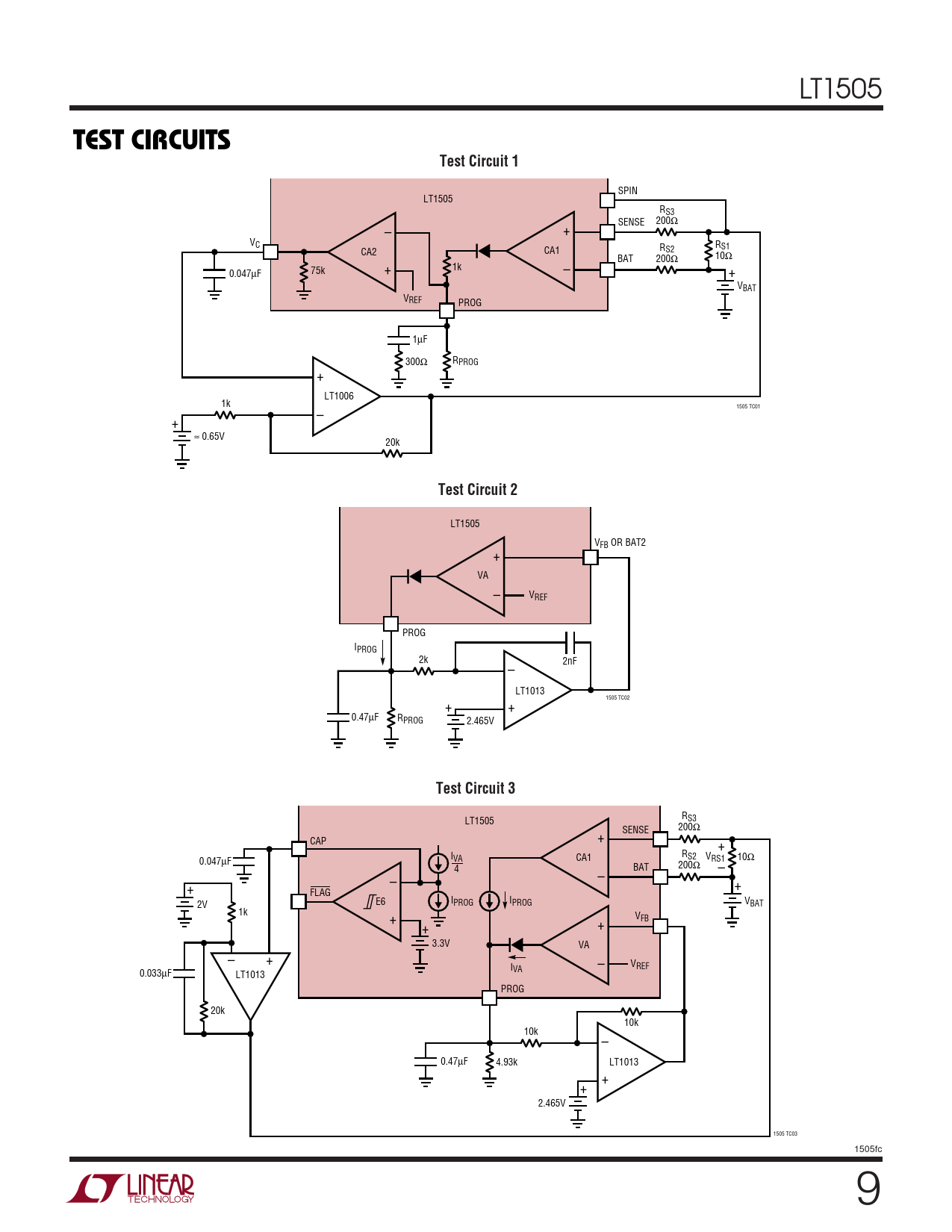
| 页数 / 页 | 16 / 9 — TEST CIRCUITS. Test Circuit 1. Test Circuit 2. Test Circuit 3 |
| 文件格式/大小 | PDF / 170 Kb |
| 文件语言 | 英语 |
TEST CIRCUITS. Test Circuit 1. Test Circuit 2. Test Circuit 3

该数据表的模型线
文件文字版本
LT1505
TEST CIRCUITS Test Circuit 1
SPIN LT1505 RS3 – SENSE 200Ω + VC R R S1 CA2 CA1 S2 10Ω + BAT 200Ω 1k 0.047 75k – µF + VBAT VREF PROG 1µF 300Ω RPROG + LT1006 1k 1505 TC01 – + ≈ 0.65V 20k
Test Circuit 2
LT1505 VFB OR BAT2 + VA – VREF PROG IPROG 2k – 2nF LT1013 + 1505 TC02 + 0.47µF RPROG 2.465V
Test Circuit 3
RS3 LT1505 200 SENSE Ω CAP + + IVA CA1 RS2 V 0.047µF RS1 10Ω 200Ω – 4 BAT – – + + FLAG E6 I I PROG PROG VBAT 2V 1k + VFB + + 3.3V VA – + I – VREF VA 0.033µF LT1013 PROG 20k 10k 10k – 0.47µF 4.93k LT1013 + + 2.465V 1505 TC03 1505fc 9