Datasheet LTC4012-3 (Analog Devices) - 10
| 制造商 | Analog Devices |
| 描述 | High Efficiency, Multi-Chemistry Battery Charger with PowerPath Control |
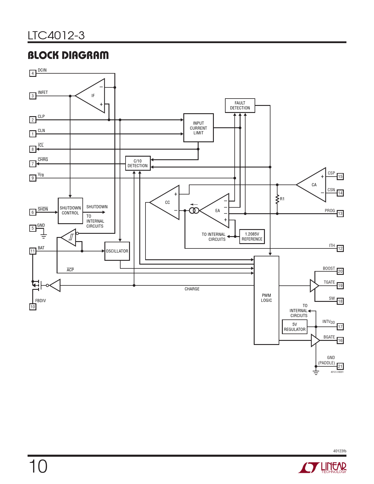
| 页数 / 页 | 28 / 10 — LTC4012-3. block. DiagraM. DCIN. 4. –. INFET. 3. IF. FAULT. +. DETECTION. … |
| 文件格式/大小 | PDF / 383 Kb |
| 文件语言 | 英语 |
LTC4012-3. block. DiagraM. DCIN. 4. –. INFET. 3. IF. FAULT. +. DETECTION. CLP. 2. INPUT. CURRENT. CLN. 1. LIMIT. ICL. 8. CHRG. C/10. 7. DETECTION. VFB. +. CSP. 15. 9. CA. +. –. CSN. –. 14. R1

该数据表的模型线
文件文字版本
LTC4012-3 block DiagraM DCIN 4 – INFET 3 IF FAULT + DETECTION CLP 2 INPUT CURRENT CLN 1 LIMIT ICL 8 CHRG C/10 7 DETECTION VFB + CSP 15 9 CA + – CSN – 14 R1 CC – SHUTDOWN SHUTDOWN SHDN 6 – EA – CONTROL PROG TO + 13 INTERNAL GND CIRCUITS 5 TO INTERNAL 1.2085V CIRCUITS REFERENCE BAT ITH 11 OSCILLATOR 12 BOOST ACP 20 TGATE 19 CHARGE PWM FBDIV LOGIC SW 18 TO 10 INTERNAL CIRCIUTS INTV 5V DD REGULATOR 17 BGATE 16 GND (PADDLE) 21 4012-3 BD01 40123fb 0 Document Outline Features Applications Description Typical Application Absolute Maximum Ratings Pin Configuration Order Information Electrical Characteristics Typical Performance Characteristics Pin Functions Block Diagram Test Circuits Operation Applications Information Package Description Revision History Typical Application Related Parts