Datasheet LTC4012, LTC4012-1, LTC4012-2 (Analog Devices) - 10
| 制造商 | Analog Devices |
| 描述 | High Efficiency, Multi-Chemistry Battery Charger with PowerPath Control |
| 页数 / 页 | 28 / 10 — (LTC4012) |
| 文件格式/大小 | PDF / 395 Kb |
| 文件语言 | 英语 |
(LTC4012)

该数据表的模型线
文件文字版本
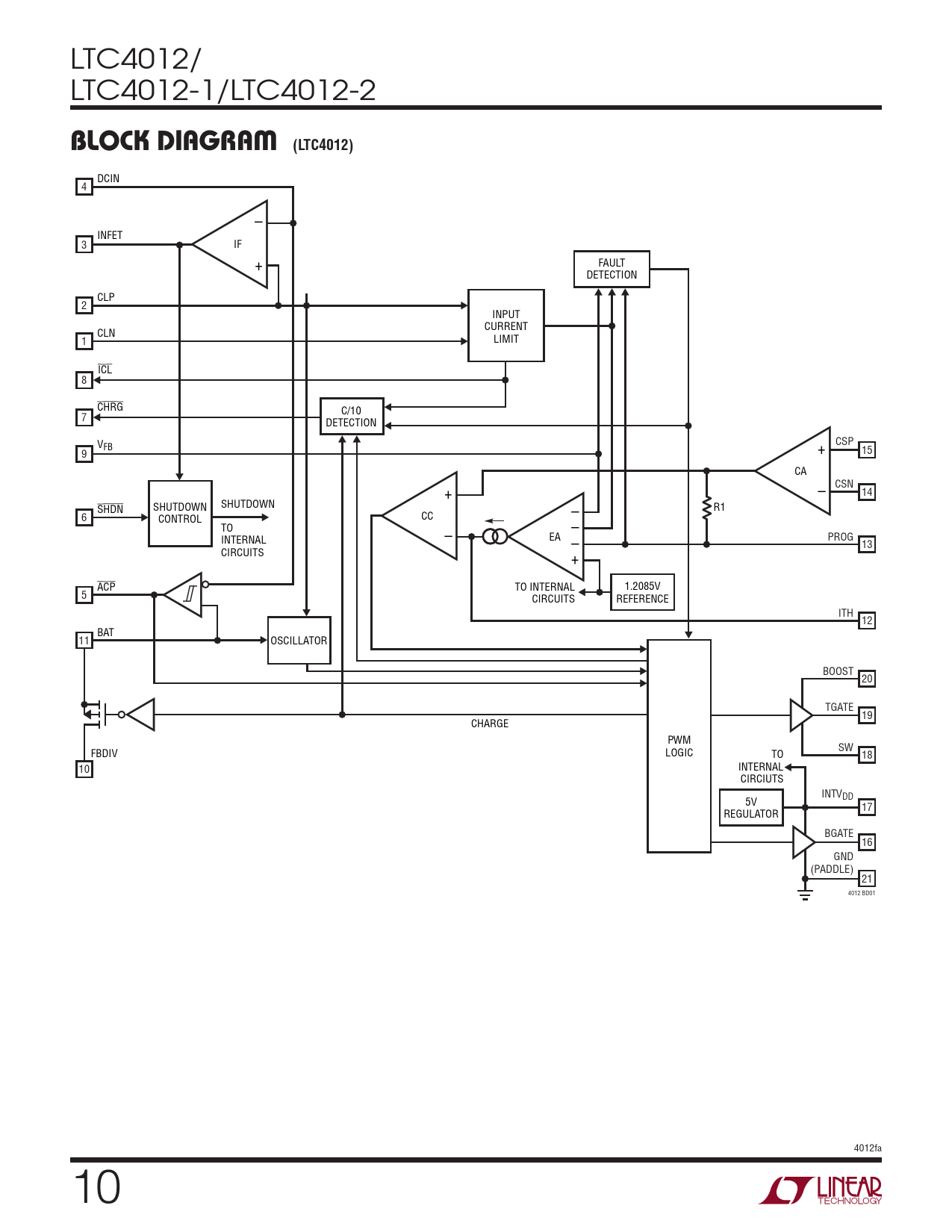
LTC4012/ LTC4012-1/LTC4012-2 block DiagraM
(LTC4012)
DCIN 4 – INFET 3 IF FAULT + DETECTION CLP 2 INPUT CURRENT CLN 1 LIMIT ICL 8 CHRG C/10 7 DETECTION VFB + CSP 15 9 CA + – CSN 14 SHUTDOWN SHUTDOWN – SHDN R1 6 CC CONTROL – TO INTERNAL – EA – PROG 13 CIRCUITS + ACP TO INTERNAL 1.2085V 5 CIRCUITS REFERENCE ITH 12 BAT 11 OSCILLATOR BOOST 20 TGATE 19 CHARGE PWM FBDIV LOGIC SW TO 18 INTERNAL 10 CIRCIUTS INTV 5V DD REGULATOR 17 BGATE 16 GND (PADDLE) 21 4012 BD01 4012fa 0 Document Outline Features Applications Description Typical Application Absolute Maximum Ratings Pin Configuration Order Information Electrical Characteristics Test Circuits Typical Performance Characteristics Pin Functions Block Diagram Operation Applications Information Package Description Revision History Typical Application Related Parts