Datasheet LTC4013 (Analog Devices) - 10
| 制造商 | Analog Devices |
| 描述 | 60V Synchronous Buck Multi-Chemistry Battery Charger |
| 页数 / 页 | 38 / 10 — BLOCK DIAGRAM |
| 文件格式/大小 | PDF / 1.1 Mb |
| 文件语言 | 英语 |
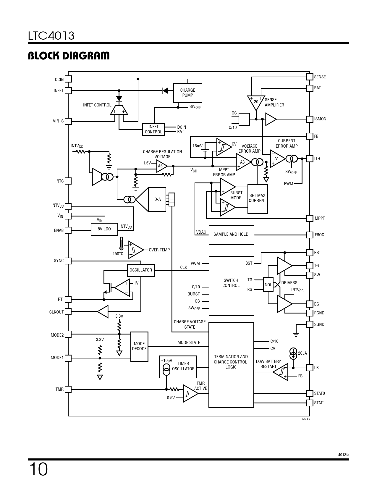
BLOCK DIAGRAM

该数据表的模型线
文件文字版本
LTC4013
BLOCK DIAGRAM
SENSE DCIN BAT INFET CHARGE PUMP + – SENSE 20 INFET CONTROL AMPLIFIER SW – + OFF OC ISMON VIN_S INFET DCIN C/10 CONTROL BAT FB + CURRENT INTV CV CC 16mV VOLTAGE ERROR AMP – CHARGE REGULATION ERROR AMP – VOLTAGE – A1 ITH 1.5V + A5 +A3 VCH MPPT SWOFF ERROR AMP NTC – PWM + BURST SET MAX D-A MODE + CURRENT INTVCC – VIN MPPT VIN INTVCC ENAB 5V LDO VDAC SAMPLE AND HOLD FBOC + – OVER TEMP BST 150°C SYNC PWM BST TG CLK OSCILLATOR SW + SWITCH TG 1V DRIVERS C/10 – CONTROL NOL BG INTVCC BURST RT OC BG SWOFF CLKOUT PGND 3.3V CHARGE VOLTAGE SGND STATE MODE2 3.3V MODE MODE STATE C/10 DECODE CV 20µA MODE1 TERMINATION AND ±10µA TIMER CHARGE CONTROL LOW BATTERY OSCILLATOR LOGIC RESTART – LB + FB TMR TMR ACTIVE STAT0 0.5V STAT1 4013 BD 4013fa 10