Datasheet LTM4633 (Analog Devices) - 9
| 制造商 | Analog Devices |
| 描述 | Triple 10A Step-Down DC/DC µModule Regulator |
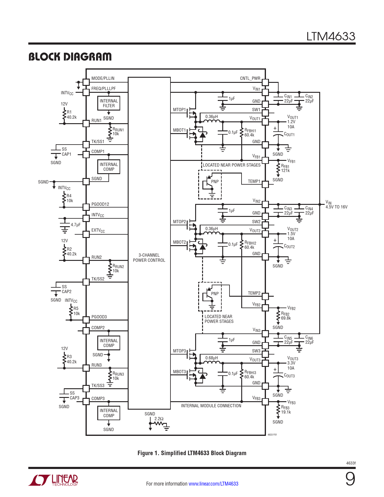
| 页数 / 页 | 32 / 9 — block DiagraM. Figure 1. Simplified LTM4633 Block Diagram |
| 文件格式/大小 | PDF / 526 Kb |
| 文件语言 | 英语 |
block DiagraM. Figure 1. Simplified LTM4633 Block Diagram

该数据表的模型线
文件文字版本
LTM4633
block DiagraM
MODE/PLLIN CNTL_PWR FREQ/PLLLPF VIN1 INTVCC 1µF CIN1 CIN2 INTERNAL GND 22µF 22µF 12V FILTER MTOP1 SW1 R1 40.2k 0.36µH SGND VOUT1 VOUT1 RUN1 1.2V RRUN1 R + 10A MBOT1 0.1µF FBHI1 10k 60.4k COUT1 TK/SS1 GND SS COMP1 CAP1 SGND VFB1 VFB1 SGND INTERNAL LOCATED NEAR POWER STAGES RFB1 COMP 121k SGND SGND SGND PNP TEMP1 INTVCC R4 10k VIN2 VIN PGOOD12 4.5V TO 16V 1µF CIN3 CIN4 GND 22µF 22µF INTVCC MTOP2 SW2 4.7µF 0.36µH EXTV V CC OUT2 VOUT2 1.5V 10A 12V MBOT2 + 0.1µF RFBHI2 60.4k COUT2 R2 40.2k GND RUN2 3-CHANNEL POWER CONTROL RRUN2 SGND 10k TK/SS2 SS CAP2 PNP TEMP2 SGND INTVCC VFB2 R5 VFB2 10k R PGOOD3 LOCATED NEAR FB2 69.8k POWER STAGES COMP2 SGND VIN3 INTERNAL 1µF CIN5 CIN6 GND 22µF 22µF COMP 12V MTOP3 SW3 R3 SGND 0.68µH VOUT3 VOUT3 40.2k RUN3 3.3V 10A MBOT3 + RRUN3 0.1µF RFBHI3 60.4k C 10k OUT3 GND TK/SS3 SS CAP3 SGND COMP3 VFB3 VFB3 SGND INTERNAL MODULE CONNECTION RFB3 INTERNAL 19.1k SGND COMP 2.2Ω SGND SGND 4633 F01
Figure 1. Simplified LTM4633 Block Diagram
4633f For more information www.linear.com/LTM4633 9 Document Outline Features Applications Description Typical Application Absolute Maximum Ratings Pin Configuration Order Information Electrical Characteristics Typical Performance Characteristics Pin Functions Block Diagram Operation Applications Information Typical Applications Related Parts