Datasheet LTM4634 (Analog Devices) - 9
| 制造商 | Analog Devices |
| 描述 | Triple Output 5A/5A/4A Step-Down DC/DC μModule (Power Module) Regulator |
| 页数 / 页 | 32 / 9 — block DiagraM. Figure 1. Simplified LTM4634 Block Diagram |
| 文件格式/大小 | PDF / 759 Kb |
| 文件语言 | 英语 |
block DiagraM. Figure 1. Simplified LTM4634 Block Diagram

该数据表的模型线
文件文字版本
LTM4634
block DiagraM
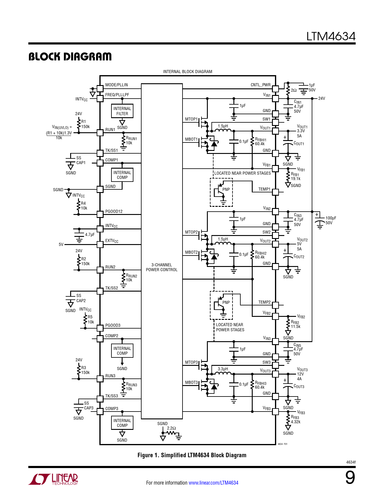
INTERNAL BLOCK DIAGRAM MODE/PLLIN CNTL_PWR 1µF 2Ω 50V FREQ/PLLLPF VIN1 INTV 24V CC CIN1 1µF 4.7µF INTERNAL GND 50V 24V FILTER MTOP1 SW1 R1 V 150k 1.5µH IN(UVLO) = SGND VOUT1 VOUT1 RUN1 3.3V (R1 + 10k)1.3V 10k RRUN1 R + 5A MBOT1 0.1µF FBHI1 10k 60.4k COUT1 TK/SS1 GND SS COMP1 CAP1 VFB1 SGND VFB1 SGND INTERNAL LOCATED NEAR POWER STAGES RFB1 COMP 19.1k SGND SGND SGND PNP TEMP1 INTVCC R4 10k VIN2 PGOOD12 CIN3 + 1µF 4.7µF 100µF GND INTV 50V 50V CC MTOP2 SW2 4.7µF 1.5µH EXTV V CC OUT2 VOUT2 5V 5V 5A 24V MBOT2 + 0.1µF RFBHI2 60.4k COUT2 R2 150k GND RUN2 3-CHANNEL POWER CONTROL RRUN2 SGND 10k TK/SS2 SS CAP2 PNP TEMP2 INTV SGND CC VFB2 R5 VFB2 10k R PGOOD3 LOCATED NEAR FB2 11.5k POWER STAGES COMP2 VIN3 SGND CIN5 INTERNAL 1µF 4.7µF COMP GND 50V 24V MTOP3 SW3 R3 SGND 3.3µH VOUT3 VOUT3 150k RUN3 12V 4A MBOT3 + RRUN3 0.1µF RFBHI3 60.4k C 10k OUT3 GND TK/SS3 SS CAP3 COMP3 VFB3 SGND VFB3 R SGND FB3 INTERNAL 4.32k SGND COMP 2.2Ω SGND SGND 4634 F01
Figure 1. Simplified LTM4634 Block Diagram
4634f For more information www.linear.com/LTM4634 9 Document Outline Features Applications Description Typical Application Absolute Maximum Ratings Pin Configuration Order Information Electrical Characteristics Typical Performance Characteristics Pin Functions Block Diagram Operation Applications Information Typical Applications Related Parts