Datasheet ATtiny15L (Atmel) - 3

制造商Atmel
描述8-bit AVR Microcontroller with 1K Byte Flash
页数 / 页86 / 3 — ATtiny15L. Block Diagram. Figure 1
文件格式/大小PDF / 1.1 Mb
文件语言英语

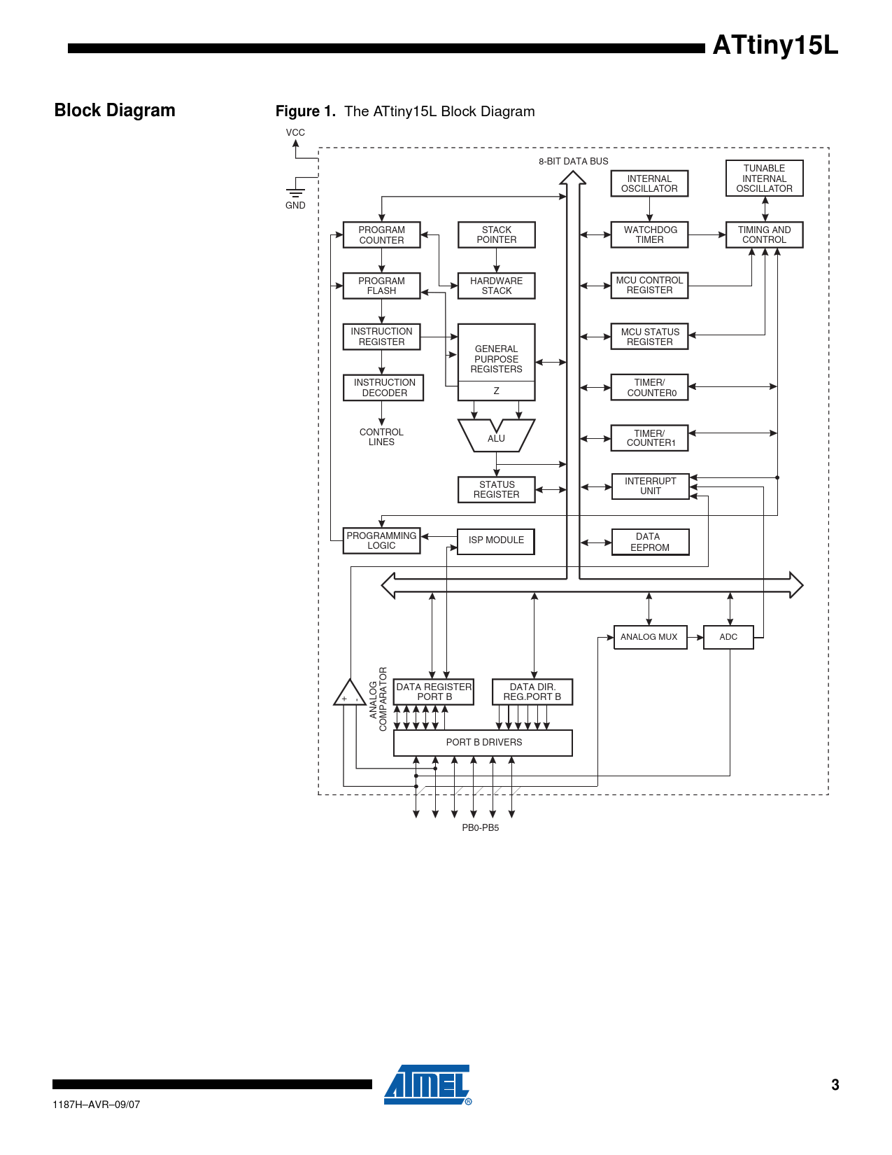
ATtiny15L. Block Diagram. Figure 1

ATtiny15L Block Diagram Figure 1

该数据表的模型线

文件文字版本

ATtiny15L Block Diagram Figure 1.
The ATtiny15L Block Diagram VCC 8-BIT DATA BUS TUNABLE INTERNAL INTERNAL OSCILLATOR OSCILLATOR GND PROGRAM STACK WATCHDOG TIMING AND COUNTER POINTER TIMER CONTROL PROGRAM HARDWARE MCU CONTROL FLASH STACK REGISTER INSTRUCTION MCU STATUS REGISTER REGISTER GENERAL PURPOSE REGISTERS INSTRUCTION TIMER/ DECODER Z COUNTER0 CONTROL TIMER/ ALU LINES COUNTER1 STATUS INTERRUPT REGISTER UNIT PROGRAMMING ISP MODULE DATA LOGIC EEPROM ANALOG MUX ADC DATA REGISTER DATA DIR. + - PORT B REG.PORT B ANALOG COMPARATOR PORT B DRIVERS PB0-PB5
3
1187H–AVR–09/07 Document Outline Features Pin Configuration Description Block Diagram Pin Descriptions VCC GND Port B (PB5..PB0) Analog Pins Internal Oscillators ATtiny15L Architectural Overview The General Purpose Register File The ALU - Arithmetic Logic Unit The Flash Program Memory The Program and Data Addressing Modes Register Direct, Single- register Rd Register Indirect Register Direct, Two Registers Rd and Rr I/O Direct Relative Program Addressing, RJMP and RCALL Constant Addressing using the LPM Instruction Subroutine and Interrupt Hardware Stack The EEPROM Data Memory Memory Access and Instruction Execution Timing I/O Memory The Status Register - SREG Reset and Interrupt Handling ATtiny15L Reset Sources Power-on Reset External Reset Brown-out Detection Watchdog Reset MCU Status Register - MCUSR Internal Voltage Reference Voltage Reference Enable Signals and Start-up Time Interrupt Handling Interrupt Response Time The General Interrupt Mask Register - GIMSK The General Interrupt Flag Register - GIFR The Timer/Counter Interrupt Mask Register - TIMSK The Timer/Counter Interrupt Flag Register - TIFR External Interrupt Pin Change Interrupt The MCU Control Register - MCUCR Sleep Modes Idle Mode ADC Noise Reduction Mode Power-down Mode Tuneable Internal RC Oscillator The System Clock Oscillator Calibration Register - OSCCAL Internal PLL for Fast Peripheral Clock Generation Timer/Counters The Timer/Counter0 Prescaler The Timer/Counter1 Prescaler The Special Function IO Register - SFIOR The 8-bit Timer/Counter0 The Timer/Counter0 Control Register - TCCR0 The Timer Counter 0 - TCNT0 The 8-bit Timer/Counter1 The Timer/Counter1 Control Register - TCCR1 The Timer/Counter1 - TCNT1 Timer/Counter1 Output Compare RegisterA - OCR1A Timer/Counter1 in PWM Mode Timer/Counter1 Output Compare RegisterB - OCR1B The Watchdog Timer The Watchdog Timer Control Register - WDTCR EEPROM Read/Write Access The EEPROM Address Register - EEAR The EEPROM Data Register - EEDR The EEPROM Control Register - EECR Preventing EEPROM Corruption The Analog Comparator The Analog Comparator Control and Status Register - ACSR The Analog-to-Digital Converter, Analog Multiplexer, and Gain Stages Features Operation Prescaling and Conversion Timing ADC Noise Canceler Function The ADC Multiplexer Selection Register - ADMUX The ADC Control and Status Register - ADCSR The ADC Data Register - ADCL and ADCH ADLAR = 0 ADLAR = 1 Scanning Multiple Channels ADC Noise-canceling Techniques ADC Characteristics I/O Port B Unconnected Pins Alternative Functions of Port B The Port B Data Register - PORTB The Port B Data Direction Register - DDRB The Port B Input Pins Address - PINB PORT B as General Digital I/O Alternate Functions of Port B Memory Programming Program and Data Memory Lock Bits Fuse Bits Signature Bytes Calibration Byte Programming the Flash High-voltage Serial Programming High-voltage Serial Programming Algorithm High-voltage Serial Programming Characteristics Low-voltage Serial Downloading Low-voltage Serial Programming Algorithm Data Polling Low-voltage Serial Programming Characteristics Electrical Characteristics Absolute Maximum Ratings DC Characteristics Typical Characteristics ATtiny15L Register Summary ATtiny15L Instruction Set Summary Ordering Information Packaging Information 8P3 8S2 Datasheet revision history Rev H - 09/07 Rev G - 06/07 Rev F - 06/05 Table of Contents