Datasheet ATtiny26, ATtiny26L (Atmel) - 4

制造商Atmel
页数 / 页182 / 4 — Block Diagram. Figure 1. ATtiny26(L)
文件格式/大小PDF / 3.1 Mb
文件语言英语

Block Diagram. Figure 1. ATtiny26(L)

Block Diagram Figure 1 ATtiny26(L)

该数据表的模型线

文件文字版本

Block Diagram Figure 1.
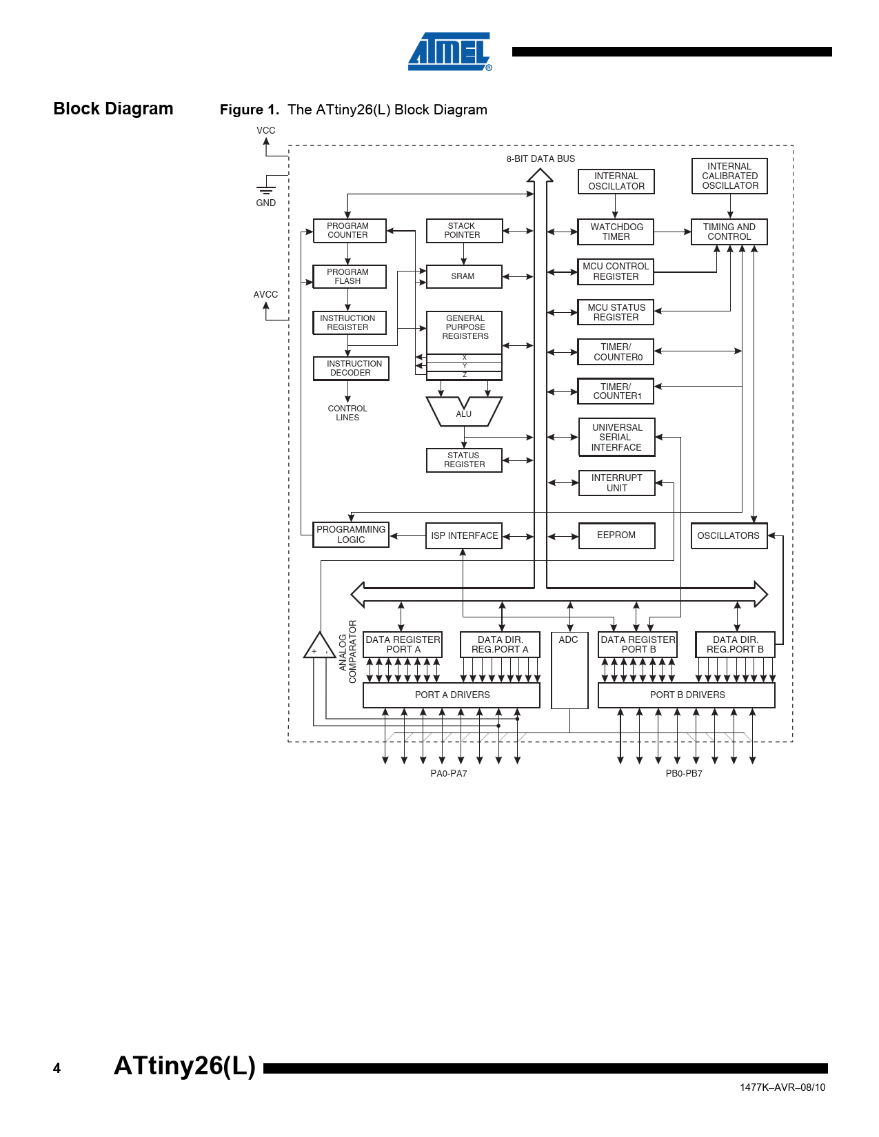
The ATtiny26(L) Block Diagram VCC 8-BIT DATA BUS INTERNAL INTERNAL CALIBRATED OSCILLATOR OSCILLATOR GND PROGRAM STACK WATCHDOG TIMING AND COUNTER POINTER TIMER CONTROL MCU CONTROL PROGRAM SRAM REGISTER FLASH AVCC MCU STATUS INSTRUCTION GENERAL REGISTER REGISTER PURPOSE REGISTERS TIMER/ X COUNTER0 INSTRUCTION Y DECODER Z TIMER/ COUNTER1 CONTROL ALU LINES UNIVERSAL SERIAL INTERFACE STATUS REGISTER INTERRUPT UNIT PROGRAMMING EEPROM LOGIC ISP INTERFACE OSCILLATORS DATA REGISTER DATA DIR. ADC DATA REGISTER DATA DIR. + - PORT A REG.PORT A PORT B REG.PORT B ANALOG COMPARATOR PORT A DRIVERS PORT B DRIVERS PA0-PA7 PB0-PB7
4 ATtiny26(L)
1477K–AVR–08/10 Document Outline Features Pin Configuration Description Block Diagram Pin Descriptions VCC GND AVCC Port A (PA7..PA0) Port B (PB7..PB0) XTAL1 XTAL2 General Information Resources Code Examples AVR CPU Core Architectural Overview General Purpose Register File X-register, Y-register, and Z-register ALU – Arithmetic Logic Unit Status Register – SREG Stack Pointer – SP Program and Data Addressing Modes Register Direct, Single Register Rd Register Direct, Two Registers Rd and Rr I/O Direct Data Direct Data Indirect with Displacement Data Indirect Data Indirect with Pre- decrement Data Indirect with Post-increment Constant Addressing Using the LPM Instruction Indirect Program Addressing, IJMP and ICALL Relative Program Addressing, RJMP and RCALL Memories In-System Programmable Flash Program Memory SRAM Data Memory EEPROM Data Memory EEPROM Read/Write Access EEPROM Address Register – EEAR EEPROM Data Register – EEDR EEPROM Control Register – EECR EEPROM Write During Power-down Sleep Mode Preventing EEPROM Corruption I/O Memory System Clock and Clock Options Clock Systems and their Distribution CPU Clock – clkCPU I/O Clock – clkI/O Flash Clock – clkFLASH ADC Clock – clkADC Internal PLL for Fast Peripheral Clock Generation – clkPCK Clock Sources Default Clock Source Crystal Oscillator Low-frequency Crystal Oscillator External RC Oscillator Calibrated Internal RC Oscillator Oscillator Calibration Register – OSCCAL External Clock High Frequency PLL Clock – PLLCLK System Control and Reset Power-on Reset External Reset Brown-out Detection Watchdog Reset MCU Status Register – MCUSR Power Management and Sleep Modes MCU Control Register – MCUCR Idle Mode ADC Noise Reduction Mode Power-down Mode Standby Mode Minimizing Power Consumption Analog to Digital Converter Analog Comparator Brown-out Detector Internal Voltage Reference Watchdog Timer Port Pins I/O Ports Introduction Ports as General Digital I/O Configuring the Pin Reading the Pin Value Digital Input Enable and Sleep Modes Unconnected Pins Alternate Port Functions MCU Control Register – MCUCR Alternate Functions of Port A Alternate Functions Of Port B Register Description for I/O Ports Port A Data Register – PORTA Port A Data Direction Register – DDRA Port A Input Pins Address – PINA Port B Data Register – PORTB Port B Data Direction Register – DDRB Port B Input Pins Address – PINB Interrupts Interrupt Vectors Interrupt Handling Interrupt Response Time General Interrupt Mask Register – GIMSK General Interrupt Flag Register – GIFR Timer/Counter Interrupt Mask Register – TIMSK Timer/Counter Interrupt Flag Register – TIFR External Interrupt Pin Change Interrupt Timer/Counters Timer/Counter0 Prescaler Timer/Counter1 Prescaler 8-bit Timer/Counter0 Timer/Counter0 Control Register – TCCR0 Timer/Counter0 – TCNT0 8-bit Timer/Counter1 Timer/Counter1 Control Register A – TCCR1A Timer/Counter1 Control Register B – TCCR1B Timer/Counter1 – TCNT1 Timer/Counter1 Output Compare RegisterA – OCR1A Timer/Counter1 Output Compare RegisterB – OCR1B Timer/Counter1 Output Compare RegisterC – OCR1C PLL Control and Status Register – PLLCSR Timer/Counter1 Initialization for Asynchronous Mode Timer/Counter1 in PWM Mode Watchdog Timer Watchdog Timer Control Register – WDTCR Universal Serial Interface – USI Overview Register Descriptions USI Data Register – USIDR USI Status Register – USISR USI Control Register – USICR Functional Descriptions Three-wire Mode SPI Master Operation Example SPI Slave Operation Example Two-wire Mode Start Condition Detector Alternative USI Usage Half-duplex Asynchronous Data Transfer 4-bit Counter 12-bit Timer/Counter Edge Triggered External Interrupt Software Interrupt Analog Comparator Analog Comparator Control and Status Register – ACSR Analog to Digital Converter Features Operation Prescaling and Conversion Timing Changing Channel or Reference Selection ADC Noise Canceler Function ADC Conversion Result ADC Multiplexer Selection Register – ADMUX ADC Control and Status Register – ADCSR ADC Data Register – ADCL and ADCH ADLAR = 0 ADLAR = 1 Scanning Multiple Channels ADC Noise Canceling Techniques Offset Compensation Schemes Memory Programming Program and Data Memory Lock Bits Fuse Bits Latching of Fuses Signature Bytes Calibration Byte Page Size Parallel Programming Parameters, Pin Mapping, and Commands Signal Names Parallel Programming Enter Programming Mode Considerations for Efficient Programming Chip Erase Programming the Flash Programming the EEPROM Reading the Flash Reading the EEPROM Programming the Fuse Low Bits Programming the Fuse High Bits Programming the Lock Bits Reading the Fuse and Lock Bits Reading the Signature Bytes Reading the Calibration Byte Parallel Programming Characteristics Serial Downloading Serial Programming Pin Mapping SPI Serial Programming Algorithm Data Polling Flash Data Polling EEPROM Serial Programming Characteristics Electrical Characteristics Absolute Maximum Ratings* DC Characteristics External Clock Drive Waveforms External Clock Drive ADC Characteristics ATtiny26 Typical Characteristics Active Supply Current Idle Supply Current Power-down Supply Current Standby Supply Current Pin Pull-up Pin Driver Strength Pin Thresholds and Hysteresis BOD Thresholds and Analog Comparator Offset Internal Oscillator Speed Current Consumption of Peripheral Units Current Consumption in Reset and Reset Pulsewidth Register Summary Instruction Set Summary Ordering Information Packaging Information 20P3 20S 32M1-A Errata ATtiny26 Rev. B/C/D Datasheet Revision History Rev. 1477K-08/10 Rev. 1477J-06/07 Rev. 1477I-05/06 Rev. 1477H-04/06 Rev. 1477G-03/05 Rev. 1477F-12/04 Rev. 1477E-10/03 Rev. 1477D-05/03 Rev. 1477C-09/02 Rev. 1477B-04/02 Rev. 1477A-03/02 Table of Contents